GE
Countertop Microwave

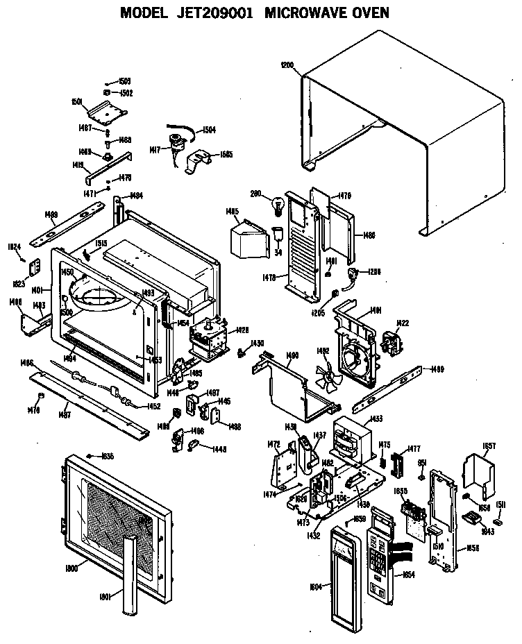
Model #JET209001 Official GE microwave

Here are the diagrams and repair parts for GE JET209001 microwave, as well as links to manuals and error code tables, if available.

There are a couple of ways to find the part or diagram you need:

  • Click a diagram to see the parts shown on that diagram.
  • In the search box below, enter all or part of the part number or the part’s name.

Not all parts are shown on the diagrams—those parts are labeled NI, for “not illustrated”.

We encourage you to save the model to your profile, so it’s easy to access parts and manuals for your appliance whenever you log in.

For DIY troubleshooting advice and repair guides, visit our repair help section.

Showing 10 of 86 parts

Key Panel#1654

Microwave oven Diagram

Key panel

Part #WB27X5176
In Stock
$50.99
Magnetron#1428

Microwave oven Diagram

Magnetron

Part #WB27X5142

The manufacturer no longer makes this part, and there's no substitute part

Use and Care Guide

#NI

All parts Diagram

Use and care guide

Part #49-4568
Replaced by #49-4568-1
?
Manufacturer substitution
This part replaces 49-4568. Substitute parts can look different from the original.
In Stock
$8.49
O-Ring#1503

Microwave oven Diagram

O-ring

Part #WB1X5586

The manufacturer no longer makes this part, and there's no substitute part

Choke Clip#1493

Microwave oven Diagram

Choke clip

Part #WB2X7067

The manufacturer no longer makes this part, and there's no substitute part

Jet Cookbook

#NI

All parts Diagram

Jet cookbook

Part #49-4548

The manufacturer no longer makes this part, and there's no substitute part

Screw#1471

Microwave oven Diagram

Screw

Part #WB1X5576

The manufacturer no longer makes this part, and there's no substitute part

Filler Panel#1484

Microwave oven Diagram

Filler panel

Part #WB49X5278

The manufacturer no longer makes this part, and there's no substitute part

Wire Clip#1481

Microwave oven Diagram

Wire clip

Part #WB2X7069

The manufacturer no longer makes this part, and there's no substitute part

Door Switch#1448

Microwave oven Diagram

Door switch

Part #WB24X5168

The manufacturer no longer makes this part, and there's no substitute part

Articles and videos common to all microwaves

November 12, 2022

5 Holiday Cleaning Tasks Essential to Boosting Your Home’s Image

Lyle Weischwill

Get tips on completing essential holiday cleaning tasks to brighten your home.

August 19, 2022

Are DIY appliance repairs safe?

Lyle Weischwill

Find out how to stay safe when repairing your appliances.

August 5, 2022

Introducing new technical repair content that we’re developing for the Sears Technical Institute

Lyle Weischwill

Learn about Sears Technical Institute and the advanced technical content being developed for aspiring appliance techs.