GE
Countertop Microwave

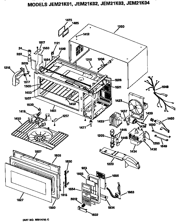
Model #JEM21K04 Official GE 0.8 cubic foot microwave

Here are the diagrams and repair parts for GE JEM21K04 0.8 cubic foot microwave, as well as links to manuals and error code tables, if available.

There are a couple of ways to find the part or diagram you need:

  • Click a diagram to see the parts shown on that diagram.
  • In the search box below, enter all or part of the part number or the part’s name.

Not all parts are shown on the diagrams—those parts are labeled NI, for “not illustrated”.

We encourage you to save the model to your profile, so it’s easy to access parts and manuals for your appliance whenever you log in.

For DIY troubleshooting advice and repair guides, visit our repair help section.

Showing 10 of 61 parts

Use and Care Guide

#9999

All parts Diagram

Use and care guide

Part #49-8190
In Stock
$8.49
M/w Minimanu

#9999

All parts Diagram

M/w minimanu

Part #31-1038
In Stock
$21.99
Microwave Micro-Switch (replaces WB24X0829, WB24X10038, WB24X414, WB24X429, WB24X441, WB24X5227, WB24X796, WB24X801)

#1446

All parts Diagram

Sw-secondary

Part #WB24X796
Replaced by #WB24X829
?
Manufacturer substitution
This part replaces WB24X796. Substitute parts can look different from the original.
In Stock
$32.39 | 
13% OFF 
Phone Price: $37.39
Microwave Door Release Button Spring

#5512

All parts Diagram

Button spring

Part #WB9X291
Replaced by #WB09X10009
?
Manufacturer substitution
This part replaces WB9X291. Substitute parts can look different from the original.
In Stock
$6.92 | 
13% OFF 
Phone Price: $7.92
Microwave Micro-Switch (replaces WB24X0829, WB24X10038, WB24X414, WB24X429, WB24X441, WB24X5227, WB24X796, WB24X801)

#1445

All parts Diagram

Primary switch

Part #WB24X439
Replaced by #WB24X829
?
Manufacturer substitution
This part replaces WB24X439. Substitute parts can look different from the original.
In Stock
$32.39 | 
13% OFF 
Phone Price: $37.39
Holder-se

#5015

All parts Diagram

Holder sensor

Part #WB6X193
Replaced by #WB6X549
?
Manufacturer substitution
This part replaces WB6X193. Substitute parts can look different from the original.
In Stock
$7.69 | 
12% OFF 
Phone Price: $8.69
Microwave High-Voltage Diode (replaces WB27X608)

#1439

All parts Diagram

Diode

Part #WB27X505
Replaced by #WB27X1160
?
Manufacturer substitution
This part replaces WB27X505. Substitute parts can look different from the original.
In Stock
$82.22 | 
6% OFF 
Phone Price: $87.22
Magnetron

#1434

All parts Diagram

Magnetron

Part #WB27X764
Replaced by #WB27X10249
?
Manufacturer substitution
This part replaces WB27X764. Substitute parts can look different from the original.
In Stock
$253.70
Microwave Fuse

#1626

All parts Diagram

Fuse

Part #WB27X696
Replaced by #WB27X7
?
Manufacturer substitution
This part replaces WB27X696. Substitute parts can look different from the original.
In Stock
$7.69 | 
12% OFF 
Phone Price: $8.69
MAGNETRON

#1428

All parts Diagram

Magnetron

Part #NOT AVAIL

The manufacturer no longer makes this part, and there's no substitute part

Articles and videos common to all microwaves

November 12, 2022

5 Holiday Cleaning Tasks Essential to Boosting Your Home’s Image

Lyle Weischwill

Get tips on completing essential holiday cleaning tasks to brighten your home.

August 19, 2022

Are DIY appliance repairs safe?

Lyle Weischwill

Find out how to stay safe when repairing your appliances.

August 5, 2022

Introducing new technical repair content that we’re developing for the Sears Technical Institute

Lyle Weischwill

Learn about Sears Technical Institute and the advanced technical content being developed for aspiring appliance techs.