Craftsman
Walk-Behind Mower

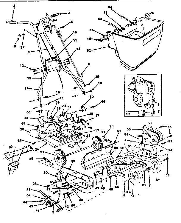
Model #328915100 Official Craftsman front throw reel mower

Here are the diagrams and repair parts for Craftsman 328915100 front throw reel mower, as well as links to manuals and error code tables, if available.

There are a couple of ways to find the part or diagram you need:

  • Click a diagram to see the parts shown on that diagram.
  • In the search box below, enter all or part of the part number or the part’s name.

Not all parts are shown on the diagrams—those parts are labeled NI, for “not illustrated”.

We encourage you to save the model to your profile, so it’s easy to access parts and manuals for your appliance whenever you log in.

For DIY troubleshooting advice and repair guides, visit our repair help section.

Showing 10 of 71 parts

REEL BEARING RETAINER (RIGHT)#48

Replacement parts Diagram

Reel bearing retainer (right)

Part #1109S.

The manufacturer no longer makes this part, and there's no substitute part

Walk-Behind Lawn Mower Engine Pulley#36

Replacement parts Diagram

Walk-behind lawn mower engine pulley

Part #3036S.

The manufacturer no longer makes this part, and there's no substitute part

JACK SHAFT WITH PULLEY AND SPROCKET#28

Replacement parts Diagram

Jack shaft with pulley and sprocket

Part #3028S.

The manufacturer no longer makes this part, and there's no substitute part

ALLEN SCREW SET 5/16" - 24 X 5/16"#35

Replacement parts Diagram

Allen screw set 5/16" - 24 x 5/16"

Part #1065S.

The manufacturer no longer makes this part, and there's no substitute part

Deck#24

Replacement parts Diagram

Deck

Part #3024S.

The manufacturer no longer makes this part, and there's no substitute part

SIDE PLATE (RIGHT)#46

Replacement parts Diagram

Side plate (right)

Part #3046S.

The manufacturer no longer makes this part, and there's no substitute part

KEY FOR ENGINE PULLEY SHAFT 3/16" X 3/16" X 5/8"#37

Replacement parts Diagram

Key for engine pulley shaft 3/16" x 3/16" x 5/8"

Part #1064S.

The manufacturer no longer makes this part, and there's no substitute part

FRONT WHEEL BEARING - 6" DIA. (2 REQ.)#51

Replacement parts Diagram

Front wheel bearing - 6" dia. (2 req.)

Part #2016-6S.

The manufacturer no longer makes this part, and there's no substitute part

BOLT 7/16 - 14 X 1-1/4"#6

Replacement parts Diagram

Bolt 7/16 - 14 x 1-1/4"

Part #1006S.

The manufacturer no longer makes this part, and there's no substitute part

BOLT 5/16" - 24 X 7/8" (2 REQ.)#15

Replacement parts Diagram

Bolt 5/16" - 24 x 7/8" (2 req.)

Part #1074S.

The manufacturer no longer makes this part, and there's no substitute part

Articles and videos common to all walk-behind mowers

February 11, 2023

Top 10 electric lawn and garden tools for 2023

Lyle Weischwill

Learn about the top 10 must-have electric lawn & garden tools for 2023

August 30, 2022

How to enjoy all the online benefits we offer on our Sears PartsDirect website

Lyle Weischwill

Learn about all the convenient features on our Sears PartsDirect website that make your parts purchases easier.

August 11, 2022

Tapping into a new feature in the Search Bar on Sears PartsDirect

Lyle Weischwill

Learn about a new feature added to the Search Bar on Sears PartsDirect