Agri-Fab
Aerator Attachment

Model #45-02391 Official Agri-Fab lawn aerator

Here are the diagrams and repair parts for Agri-Fab 45-02391 lawn aerator, as well as links to manuals and error code tables, if available.

There are a couple of ways to find the part or diagram you need:

  • Click a diagram to see the parts shown on that diagram.
  • In the search box below, enter all or part of the part number or the part’s name.

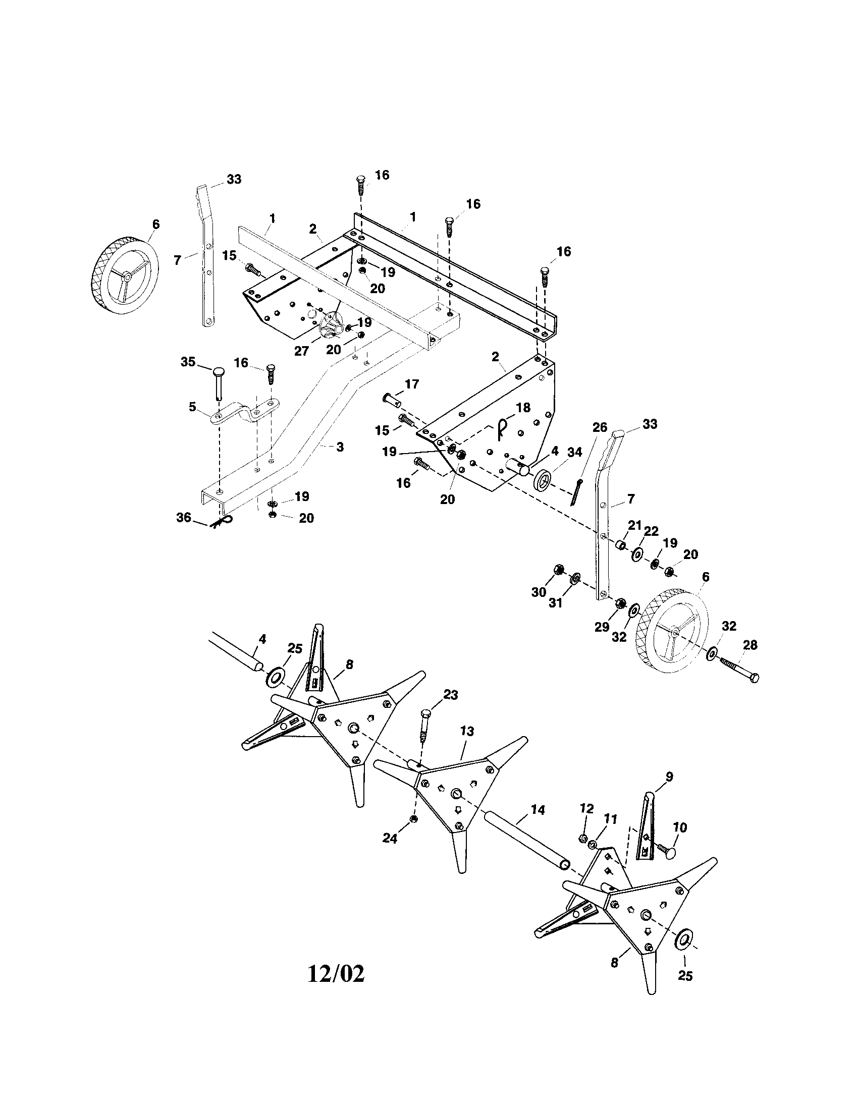
Not all parts are shown on the diagrams—those parts are labeled NI, for “not illustrated”.

We encourage you to save the model to your profile, so it’s easy to access parts and manuals for your appliance whenever you log in.

For DIY troubleshooting advice and repair guides, visit our repair help section.

Showing 10 of 37 parts

Lawn Tractor Attachment Hex Lock Nut, 5/16-in#12

Lawn aerator Diagram

Lawn tractor attachment hex lock nut, 5/16-in

Part #43064
BEST SELLER
This item is not returnable
In Stock
$2.49 | 
29% OFF 
Phone Price: $3.49
Lawn Mower Washer#32

Lawn aerator Diagram

Lawn & garden equipment washer

Part #R19171616
Replaced by #596040101
?
Manufacturer substitution
This part replaces R19171616. Substitute parts can look different from the original.
BEST SELLER
This item is not returnable
In Stock
$2.16
Lawn Tractor Attachment Washer, 3/8-in#22

Lawn aerator Diagram

Lawn tractor attachment washer, 3/8-in

Part #43070
BEST SELLER
This item is not returnable
In Stock
$2.49 | 
29% OFF 
Phone Price: $3.49
Lawn & Garden Equipment Lock Washer, 3/8-in#19

Lawn aerator Diagram

Lawn & garden equipment lock washer, 3/8-in

Part #43003
BEST SELLER
This item is not returnable
In Stock
$2.49 | 
29% OFF 
Phone Price: $3.49
Lawn Tractor Tow Bar Attachment Hitch Bracket#5

Lawn aerator Diagram

Lawn tractor tow bar attachment hitch bracket

Part #23687
Replaced by #23687BL1
?
Manufacturer substitution
This part replaces 23687. Substitute parts can look different from the original.
This item is not returnable
In Stock
$15.09 | 
12% OFF 
Phone Price: $17.09
Lawn Tractor Attachment Clevis Pin#17

Lawn aerator Diagram

Lawn tractor attachment clevis pin

Part #44044
This item is not returnable
In Stock
$2.49 | 
29% OFF 
Phone Price: $3.49
Bolt#15

Lawn aerator Diagram

Bolt

Part #43407
This item is not returnable
In Stock
$2.49 | 
29% OFF 
Phone Price: $3.49
Lawn & Garden Equipment Nut, 1/4 x 20-in#24

Lawn aerator Diagram

Lawn & garden equipment nut, 1/4 x 20-in

Part #43013
This item is not returnable
In Stock
$2.16
Hex Bolt#23

Lawn aerator Diagram

Hex bolt

Part #1509-90
This item is not returnable
In Stock
$2.16
Lawn Tractor Snowblower Attachment Lift Handle Grip#33

Lawn aerator Diagram

Lawn tractor snowblower attachment lift handle grip

Part #44482
This item is not returnable
In Stock
$2.16