Ryobi
Miter Saw

Model #TSS200 Official Ryobi compound miter saw

Here are the diagrams and repair parts for Ryobi TSS200 compound miter saw, as well as links to manuals and error code tables, if available.

There are a couple of ways to find the part or diagram you need:

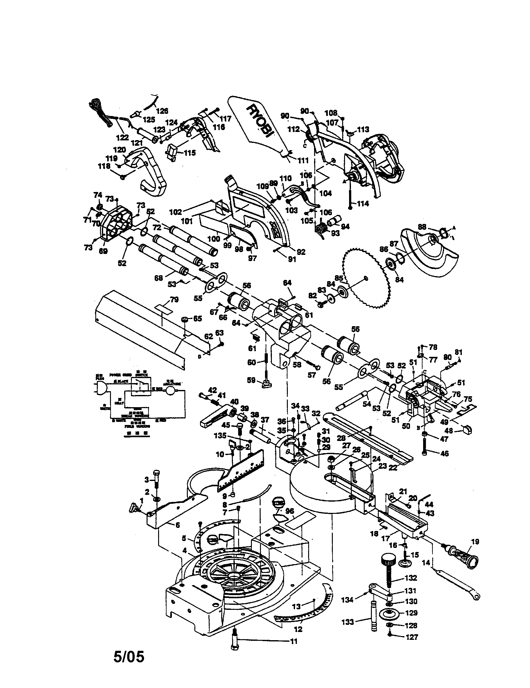
  • Click a diagram to see the parts shown on that diagram.
  • In the search box below, enter all or part of the part number or the part’s name.

Not all parts are shown on the diagrams—those parts are labeled NI, for “not illustrated”.

We encourage you to save the model to your profile, so it’s easy to access parts and manuals for your appliance whenever you log in.

For DIY troubleshooting advice and repair guides, visit our repair help section.

Showing 10 of 148 parts

Plate#101

Miter saw Diagram

Plate

Part #4880008

The manufacturer no longer makes this part, and there's no substitute part

AXLE SEAT#48

Miter saw Diagram

Axle seat

Part #4850010

The manufacturer no longer makes this part, and there's no substitute part

Set Screw

See All Related Diagrams

Set screw

Part #4130100

The manufacturer no longer makes this part, and there's no substitute part

TRADE MARK LABEL#100

Miter saw Diagram

Trade mark label

Part #4910005

The manufacturer no longer makes this part, and there's no substitute part

FIELD SCREW (2)#14

Gear/motor/fan Diagram

Field screw (2)

Part #4130117

The manufacturer no longer makes this part, and there's no substitute part

Hex Head Bolt#3

Miter saw Diagram

Hex head bolt

Part #4130076

The manufacturer no longer makes this part, and there's no substitute part

Cord#122

Miter saw Diagram

Cord

Part #4520006

The manufacturer no longer makes this part, and there's no substitute part

Collar#9

Gear/motor/fan Diagram

Collar

Part #4900028

The manufacturer no longer makes this part, and there's no substitute part

STOP CLAMP ASSEMBLY#8

Gear/motor/fan Diagram

Stop clamp assembly

Part #4110009

The manufacturer no longer makes this part, and there's no substitute part

Hex Head Bolt#45

Miter saw Diagram

Hex head bolt

Part #4130091

The manufacturer no longer makes this part, and there's no substitute part