GE
Countertop Microwave

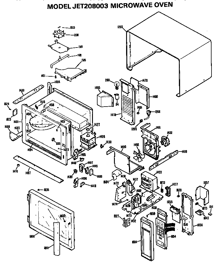
Model #JET208003 Official GE countertop microwave

Here are the diagrams and repair parts for GE JET208003 countertop microwave, as well as links to manuals and error code tables, if available.

There are a couple of ways to find the part or diagram you need:

  • Click a diagram to see the parts shown on that diagram.
  • In the search box below, enter all or part of the part number or the part’s name.

Not all parts are shown on the diagrams—those parts are labeled NI, for “not illustrated”.

We encourage you to save the model to your profile, so it’s easy to access parts and manuals for your appliance whenever you log in.

For DIY troubleshooting advice and repair guides, visit our repair help section.

Showing 10 of 98 parts

Appliance Light Bulb, 40-watt (replaces 40A15-2PK, 60A, 60A15RVL, STD398091, WR02X12328, WX12X1510)

#1024

All parts Diagram

Range oven light bulb

Part #WX12X1510
Replaced by #40A15
?
Manufacturer substitution
This part replaces WX12X1510. Substitute parts can look different from the original.
BEST SELLER
In Stock
$7.52 | 
12% OFF 
Phone Price: $8.52
Range Screw

#148

All parts Diagram

Screw

Part #WB1X5763
Replaced by #WB1X536
?
Manufacturer substitution
This part replaces WB1X5763. Substitute parts can look different from the original.
In Stock
$7.69 | 
12% OFF 
Phone Price: $8.69
Range Screw

#461

All parts Diagram

Screw

Part #WB1X593
Replaced by #WB1X536
?
Manufacturer substitution
This part replaces WB1X593. Substitute parts can look different from the original.
In Stock
$7.69 | 
12% OFF 
Phone Price: $8.69
Screw

#NI

All parts Diagram

Screw

Part #WB1X5471
This item is not returnable
In Stock
$2.16
Microwave High-Voltage Capacitor

#NI

All parts Diagram

Capacitor

Part #WB27X5214
Replaced by #0CZZW1H004T
?
Manufacturer substitution
This part replaces WB27X5214. Substitute parts can look different from the original.
In Stock
$25.46 | 
16% OFF 
Phone Price: $30.46
Magnetron

#1428

All parts Diagram

Magnetron

Part #WB27X5142

The manufacturer no longer makes this part, and there's no substitute part

Appliance Screw, #8-18 x 1/4-in, 12-pack

#769

All parts Diagram

Screw

Part #WB1X500
Replaced by #WB1X500D
?
Manufacturer substitution
This part replaces WB1X500. Substitute parts can look different from the original.
This item is not returnable
In Stock
$8.29 | 
11% OFF 
Phone Price: $9.29
Screw

#397

All parts Diagram

Screw

Part #WZ4X384

The manufacturer no longer makes this part, and there's no substitute part

Cotter Pin

#728

All parts Diagram

Cotter pin

Part #WB2X6844

The manufacturer no longer makes this part, and there's no substitute part

Gasket

#1427

All parts Diagram

Gasket

Part #WB2X6046

The manufacturer no longer makes this part, and there's no substitute part

Articles and videos common to all microwaves

November 12, 2022

5 Holiday Cleaning Tasks Essential to Boosting Your Home’s Image

Lyle Weischwill

Get tips on completing essential holiday cleaning tasks to brighten your home.

August 19, 2022

Are DIY appliance repairs safe?

Lyle Weischwill

Find out how to stay safe when repairing your appliances.

August 5, 2022

Introducing new technical repair content that we’re developing for the Sears Technical Institute

Lyle Weischwill

Learn about Sears Technical Institute and the advanced technical content being developed for aspiring appliance techs.