Kenmore
Countertop Microwave

Model #72163993303 Official Kenmore microwave

Here are the diagrams and repair parts for Kenmore 72163993303 microwave, as well as links to manuals and error code tables, if available.

There are a couple of ways to find the part or diagram you need:

  • Click a diagram to see the parts shown on that diagram.
  • In the search box below, enter all or part of the part number or the part’s name.

Not all parts are shown on the diagrams—those parts are labeled NI, for “not illustrated”.

We encourage you to save the model to your profile, so it’s easy to access parts and manuals for your appliance whenever you log in.

For DIY troubleshooting advice and repair guides, visit our repair help section.

Owner’s manual

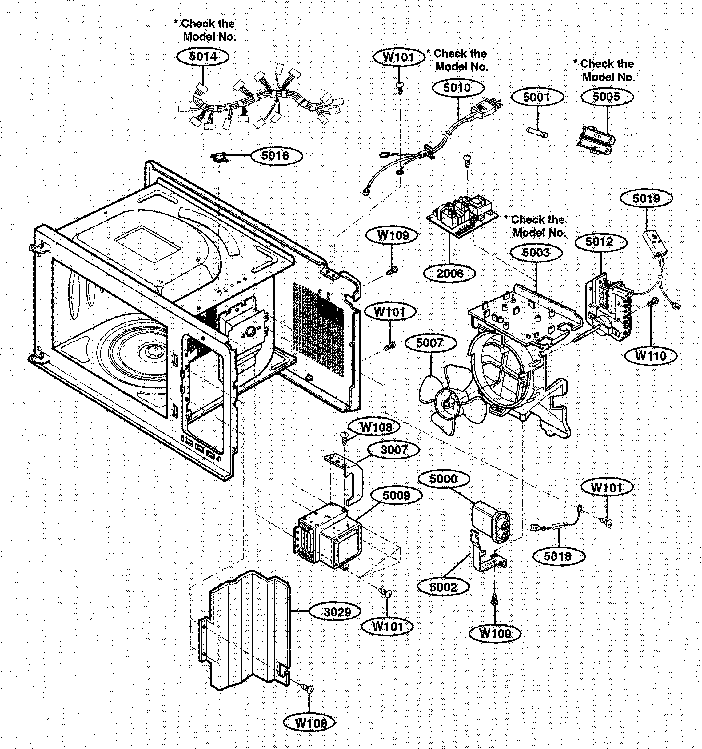
Showing 10 of 83 parts

Microwave Door Interlock Switch (replaces 6600W1K003D)#4002

Latch board Diagram

Microwave door interlock switch

Part #6600W1K003D
Replaced by #6600W1K001D
?
Manufacturer substitution
This part replaces 6600W1K003D. Substitute parts can look different from the original.
BEST SELLER
In Stock
$6.82 | 
13% OFF 
Phone Price: $7.82
Microwave Magnetron (replaces 6324W1A001H)#5009

Interior parts Diagram

Microwave magnetron (replaces 6324w1a001h)

Part #6324W1A001L
BEST SELLER
In Stock
$57.75 | 
8% OFF 
Phone Price: $62.75
Microwave Fuse#5001

Interior parts Diagram

Microwave fuse

Part #3B74133Q
BEST SELLER
This item is not returnable
In Stock
$4.69 | 
18% OFF 
Phone Price: $5.69
Microwave High-Voltage Diode (replaces 6021W3B001N, 6021W3B001Q, 6021W3B001R, 6851W1A002B)#5018

Interior parts Diagram

Microwave high-voltage diode

Part #6021W3B001R
Replaced by #6021W3B001V
?
Manufacturer substitution
This part replaces 6021W3B001R. Substitute parts can look different from the original.
BEST SELLER
This item is not returnable
In Stock
$6.31 | 
14% OFF 
Phone Price: $7.31
Microwave High-Voltage Capacitor (replaces 0CZZW1H004G, 0CZZW1H004P, 6120W3H003H, EAE61082101)#5000

Interior parts Diagram

Capacitor

Part #0CZZW1H005A
Replaced by #0CZZW1H004B
?
Manufacturer substitution
This part replaces 0CZZW1H005A. Substitute parts can look different from the original.
In Stock
$26.67 | 
16% OFF 
Phone Price: $31.67
Microwave Thermostat (replaces 6930WRT002F)#5016

Interior parts Diagram

Microwave thermostat (replaces 6930wrt002f)

Part #6930W1A003A
This item is not returnable
In Stock
$8.96 | 
10% OFF 
Phone Price: $9.96
Microwave Door Latch Spring#1007

Door/control panel parts Diagram

Microwave door latch spring

Part #4970WRA001E
This item is not returnable
In Stock
$4.87 | 
17% OFF 
Phone Price: $5.87
Microwave Coffee Maker Assembly (replaces 3496W0A001D, 383EW5A165A, 383EW5A225A)#8000

Coffee maker parts Diagram

In Stock
$107.99 | 
8% OFF 
Phone Price: $117.99
Microwave Humidity Sensor#5011

Sensor parts Diagram

Microwave humidity sensor

Part #6501W1A006A
In Stock
$42.89
Owner's Manual#NI

Door/control panel parts Diagram

Owner's manual

Part #3828W5A3945
In Stock
$14.26

Articles and videos common to all microwaves

November 12, 2022

5 Holiday Cleaning Tasks Essential to Boosting Your Home’s Image

Lyle Weischwill

Get tips on completing essential holiday cleaning tasks to brighten your home.

August 19, 2022

Are DIY appliance repairs safe?

Lyle Weischwill

Find out how to stay safe when repairing your appliances.

August 5, 2022

Introducing new technical repair content that we’re developing for the Sears Technical Institute

Lyle Weischwill

Learn about Sears Technical Institute and the advanced technical content being developed for aspiring appliance techs.