Proform
Weight Machine

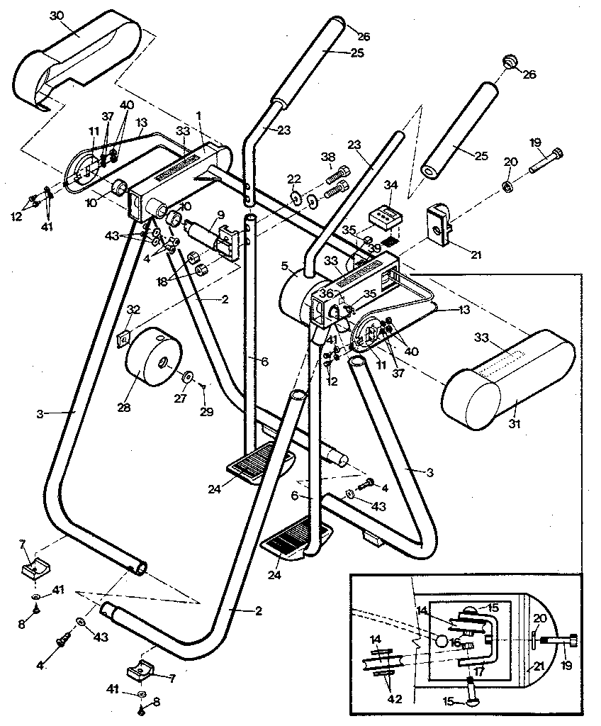
Model #831288402 Official Proform air walker simulated walking machine

Here are the diagrams and repair parts for Proform 831288402 air walker simulated walking machine, as well as links to manuals and error code tables, if available.

There are a couple of ways to find the part or diagram you need:

  • Click a diagram to see the parts shown on that diagram.
  • In the search box below, enter all or part of the part number or the part’s name.

Not all parts are shown on the diagrams—those parts are labeled NI, for “not illustrated”.

We encourage you to save the model to your profile, so it’s easy to access parts and manuals for your appliance whenever you log in.

For DIY troubleshooting advice and repair guides, visit our repair help section.

Showing 10 of 48 parts

Nut,hex Nyl

See All Related Diagrams

Nut,hex nyl

Part #012082

The manufacturer no longer makes this part, and there's no substitute part

Exercise Equipment Screw#4

Unit parts Diagram

Exercise equipment screw

Part #013244
This item is not returnable
In Stock
$2.16
Wshr,formed,#22

Unit parts Diagram

Wshr,formed,

Part #014118
This item is not returnable
In Stock
$2.16
Screw,hhcs,z

#NI

All parts Diagram

Screw,hhcs,z

Part #013128
This item is not returnable
In Stock
$2.16
Nut,hex,zp ##40

Unit parts Diagram

Nut,hex,zp #

Part #012107
This item is not returnable
In Stock
$2.16
Treadmill Washer#43

Unit parts Diagram

Treadmill washer

Part #014063
This item is not returnable
In Stock
$1.49 | 
40% OFF 
Phone Price: $2.49
Exercise Equipment Lock Washer#37

Unit parts Diagram

Exercise equipment lock washer

Part #014123
This item is not returnable
In Stock
$2.16
Batt,a-76,wa

#NI

All parts Diagram

Batt,a-76,wa

Part #033134

The manufacturer no longer makes this part, and there's no substitute part

Whsr,flat,bl#41

Unit parts Diagram

Wshr,flat,zp

Part #014091
Replaced by #138768
?
Manufacturer substitution
This part replaces 014091. Substitute parts can look different from the original.
This item is not returnable
In Stock
$2.16
Tape.75x.060#33

Unit parts Diagram

Velcro set

Part #062025
Replaced by #062029
?
Manufacturer substitution
This part replaces 062025. Substitute parts can look different from the original.
This item is not returnable
In Stock
$2.16

Articles and videos common to all fitness & exercise

June 29, 2022

Top questions about Sears and Sears PartsDirect

By Lyle Weischwill

Get answers to frequently asked questions about Sears and Sears PartsDirect.