Proform
Treadmill

Model #PFTL51233 Official Proform proform 530 treadmill

Here are the diagrams and repair parts for Proform PFTL51233 proform 530 treadmill, as well as links to manuals and error code tables, if available.

There are a couple of ways to find the part or diagram you need:

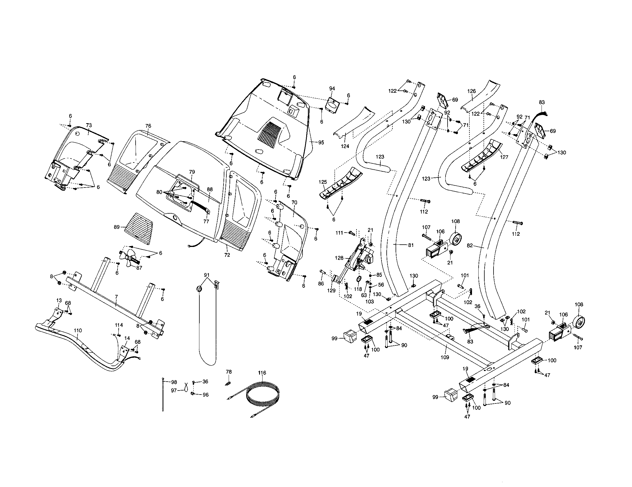
  • Click a diagram to see the parts shown on that diagram.
  • In the search box below, enter all or part of the part number or the part’s name.

Not all parts are shown on the diagrams—those parts are labeled NI, for “not illustrated”.

We encourage you to save the model to your profile, so it’s easy to access parts and manuals for your appliance whenever you log in.

For DIY troubleshooting advice and repair guides, visit our repair help section.

Showing 10 of 166 parts

Treadmill Walking Belt Alignment Tool

See All Related Diagrams

Treadmill walking belt alignment tool

Part #128457
BEST SELLER
This item is not returnable
In Stock
$2.49 | 
29% OFF 
Phone Price: $3.49
Treadmill Drive Belt

#30

All parts Diagram

Belt

Part #118017
Replaced by #220769
?
Manufacturer substitution
This part replaces 118017. Substitute parts can look different from the original.
This item is not returnable
In Stock
$15.29 | 
12% OFF 
Phone Price: $17.29
Treadmill Power Cord

#41

All parts Diagram

In Stock
$11.39 | 
15% OFF 
Phone Price: $13.39
Treadmill Washer

#61

All parts Diagram

Treadmill washer

Part #014063
This item is not returnable
In Stock
$1.49 | 
40% OFF 
Phone Price: $2.49
Exercise Equipment Optic Sensor

#63

All parts Diagram

Exercise equipment optic sensor

Part #102955
This item is not returnable
In Stock
$9.29 | 
10% OFF 
Phone Price: $10.29
Treadmill Optic Incline Disc

#118

All parts Diagram

Treadmill optic incline disc

Part #109370
This item is not returnable
In Stock
$2.16
Treadmill Rear Roller

#57

All parts Diagram

In Stock
$47.59 | 
10% OFF 
Phone Price: $52.59
Treadmill Circuit Breaker

#46

All parts Diagram

Treadmill circuit breaker

Part #186726
This item is not returnable
In Stock
$8.99
Photo Switch Wire

#9

All parts Diagram

Photo switch wire

Part #159530
This item is not returnable
In Stock
$5.99
Exercise Equipment Flat Washer

#NI04

All parts Diagram

Exercise equipment flat washer

Part #014073
This item is not returnable
In Stock
$2.16

Symptoms for treadmills

Choose a symptom to see related treadmill repairs.

Main causes: faulty sensors, wiring failure, bad control console
Main causes: no power, bad power cord, tripped or faulty overload switch, bad power switch, wiring failure, bad motor control board
Main causes: missing safety key, bad control console, wiring failure, faulty motor control board, bad drive motor
Main causes: bad control console, wiring failure, bad motor control board
Main causes: damaged walking belt, improper belt tension, lack of belt lubricant, bad drive motor
Main causes: damaged walking belt, improper belt tension, bad roller bearing
Main causes: rear roller out of alignment, damaged walking belt, bad roller

Repair guides for treadmills

These step-by-step repair guides will help you safely fix what’s broken on your treadmill.

June 1, 2015
By Lyle Weischwill
How to replace a treadmill motor controller

Your treadmill motor won't run with a defective motor controller. Replace the motor controller if it doesn't operate the motor correctly.

Repair difficulty
Time required
 15 minutes or less
How to replace a treadmill walking belt

A worn walking belt will begin to slow down during use. If your treadmill walking belt is worn out, replace it using these steps.

Repair difficulty
Time required
 45 minutes or less
June 1, 2015
By Lyle Weischwill
How to replace a treadmill drive motor

A defective drive motor won't run when activated by the motor controller. Replace the treadmill drive motor if it doesn't run.

Repair difficulty
Time required
 15 minutes or less

Articles and videos common to all fitness & exercise

Use the advice and tips in these articles and videos to get the most out of your treadmill.

June 29, 2022

Top questions about Sears and Sears PartsDirect

By Lyle Weischwill

Get answers to frequently asked questions about Sears and Sears PartsDirect.