Frigidaire
Built-In Microwave

Model #CGMO226NUFA Official Frigidaire microwave

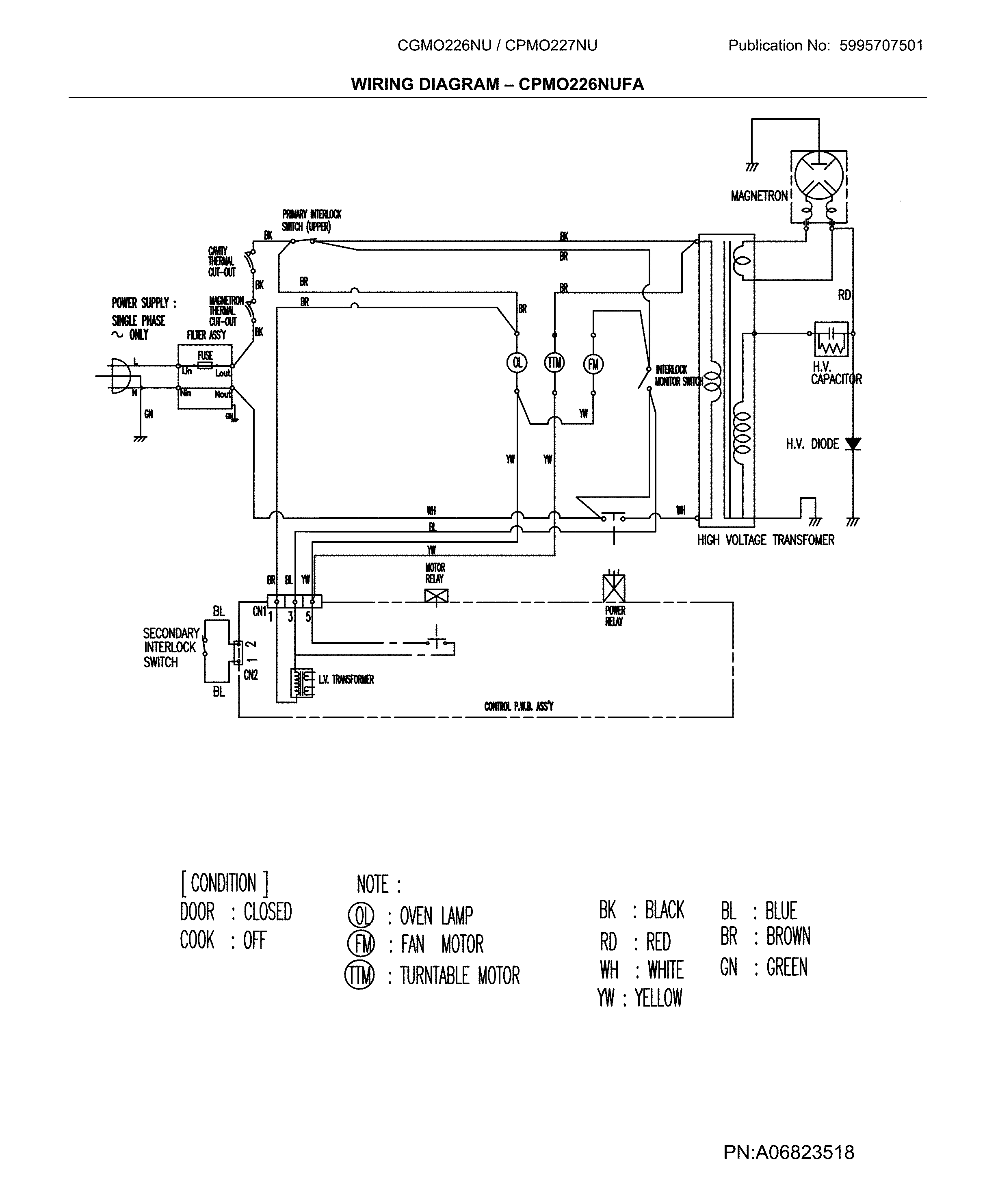
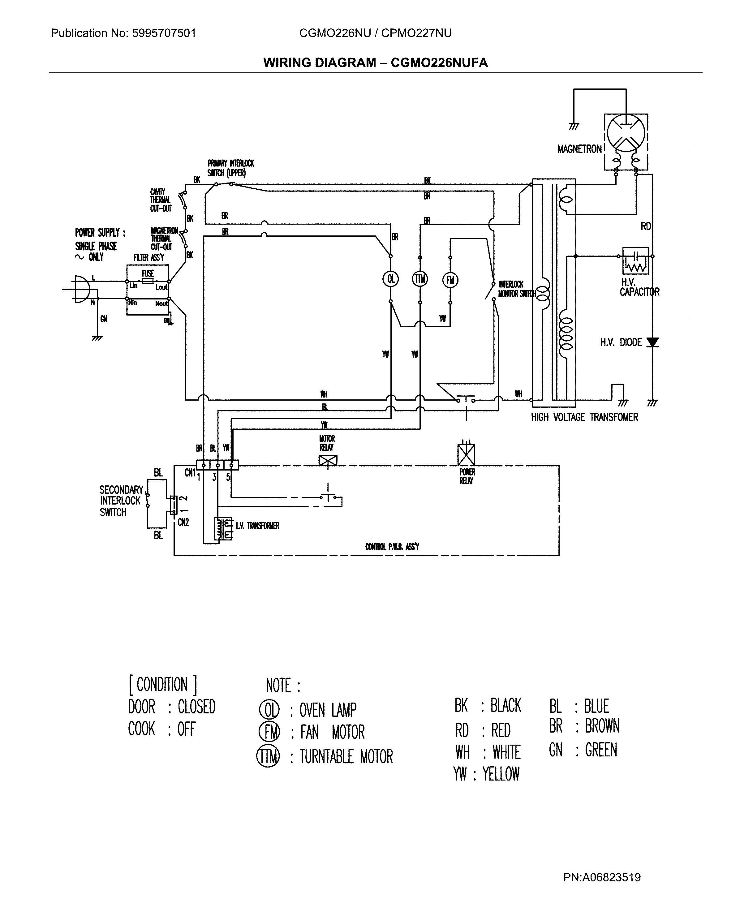
Here are the diagrams and repair parts for Frigidaire CGMO226NUFA microwave, as well as links to manuals and error code tables, if available.

There are a couple of ways to find the part or diagram you need:

  • Click a diagram to see the parts shown on that diagram.
  • In the search box below, enter all or part of the part number or the part’s name.

Not all parts are shown on the diagrams—those parts are labeled NI, for “not illustrated”.

We encourage you to save the model to your profile, so it’s easy to access parts and manuals for your appliance whenever you log in.

For DIY troubleshooting advice and repair guides, visit our repair help section.

Owner’s manual

Showing 10 of 52 parts

Microwave Fuse (replaces 5304488359)#26

Oven,cabinet Diagram

Microwave fuse (replaces 5304488359)

Part #5304509451
BEST SELLER
In Stock
$12.34 | 
18% OFF 
MSRP: $15.00
Microwave Magnetron#21

Oven,cabinet Diagram

Microwave magnetron

Part #5304519335
In Stock
$157.35 | 
21% OFF 
MSRP: $200.00
Microwave Diode#24

Oven,cabinet Diagram

Microwave diode

Part #5304513459
In Stock
$25.29 | 
17% OFF 
Phone Price: $30.29
BUTTON,DOOR OPENING ,STAINLESS#9

Control panel,door Diagram

Back Order
$35.91
GUIDE,WIND#44

Oven,cabinet Diagram

Guide,wind

Part #5304519352
This item is not returnable
In Stock
$5.48
FRAME,ASSEMBLY ,DOOR#15

Control panel,door Diagram

Frame,assembly ,door

Part #5304519329
In Stock
$96.02
Main Wiring Harness#36

Oven,cabinet Diagram

Main wiring harness

Part #5304519367
In Stock
$78.48
HINGE,DOOR ,UPPER#19

Control panel,door Diagram

Hinge,door ,upper

Part #5304519333
In Stock
$17.00
GUIDE,AIR ,MAGNETRON#45

Oven,cabinet Diagram

Guide,air ,magnetron

Part #5304513477
In Stock
$14.80
Heat Insulator#47

Oven,cabinet Diagram

Heat insulator

Part #5304519353
This item is not returnable
In Stock
$5.48

Articles and videos common to all microwaves

November 12, 2022

5 Holiday Cleaning Tasks Essential to Boosting Your Home’s Image

By Lyle Weischwill

Get tips on completing essential holiday cleaning tasks to brighten your home.

August 19, 2022

Are DIY appliance repairs safe?

By Lyle Weischwill

Find out how to stay safe when repairing your appliances.

August 5, 2022

Introducing new technical repair content that we’re developing for the Sears Technical Institute

By Lyle Weischwill

Learn about Sears Technical Institute and the advanced technical content being developed for aspiring appliance techs.