Jenn-Air
Wall Oven/Microwave Combo

Model #JMW9527CAW Official Jenn-Air wall oven/microwave combo

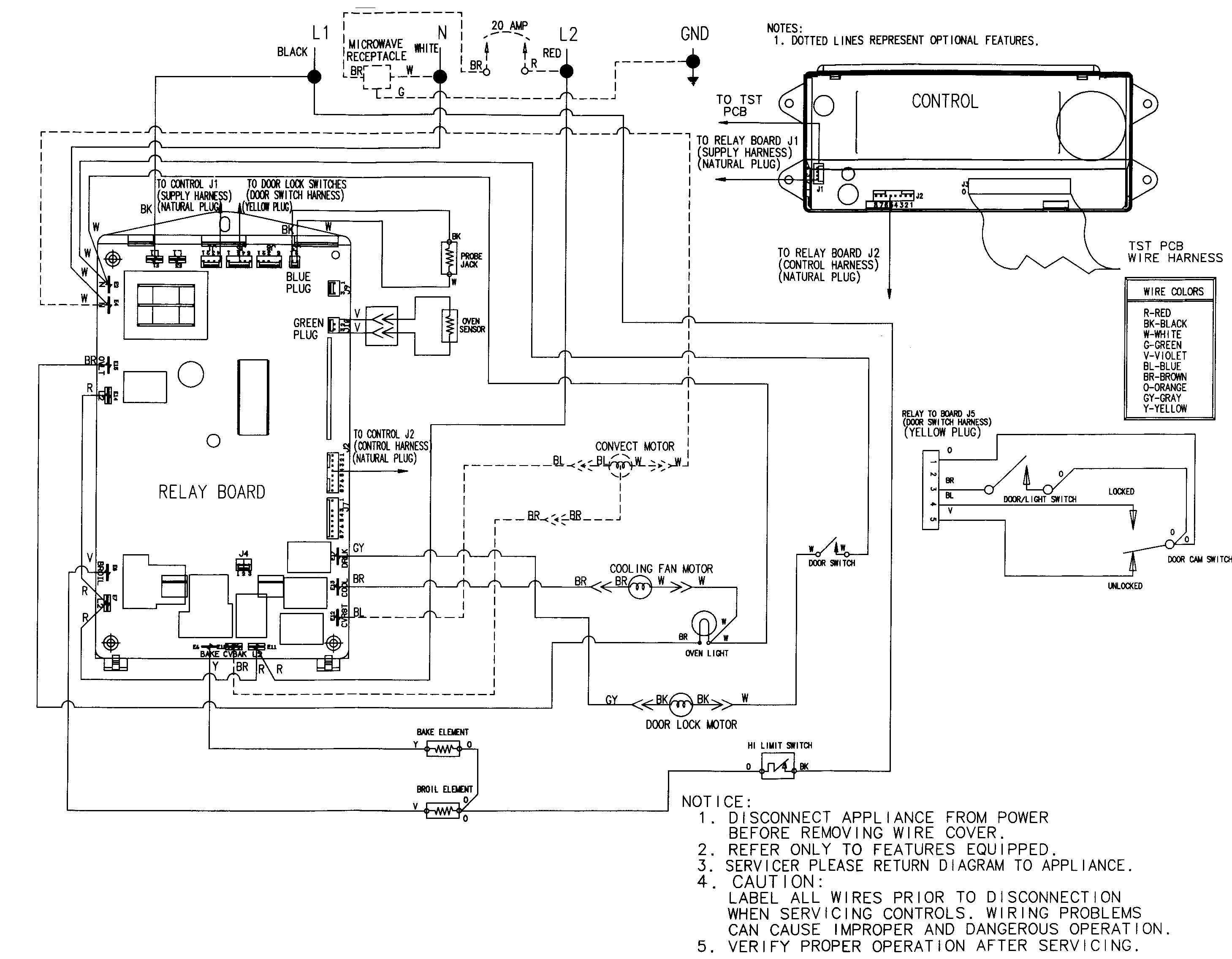
Here are the diagrams and repair parts for Jenn-Air JMW9527CAW wall oven/microwave combo, as well as links to manuals and error code tables, if available.

There are a couple of ways to find the part or diagram you need:

  • Click a diagram to see the parts shown on that diagram.
  • In the search box below, enter all or part of the part number or the part’s name.

Not all parts are shown on the diagrams—those parts are labeled NI, for “not illustrated”.

We encourage you to save the model to your profile, so it’s easy to access parts and manuals for your appliance whenever you log in.

For DIY troubleshooting advice and repair guides, visit our repair help section.

Owner’s manual

Showing 10 of 130 parts

Wall Oven Control Board#3

Control panel Diagram

Wall oven control board

Part #71003424

The manufacturer no longer makes this part, and there's no substitute part

Range Screw

See All Related Diagrams

Screw

Part #706189
Replaced by #WPY706189
?
Manufacturer substitution
This part replaces 706189. Substitute parts can look different from the original.
This item is not returnable
In Stock
$4.39 | 
19% OFF 
Phone Price: $5.39
Range Broil Element#6

Oven Diagram

Broiler element

Part #74004812
Replaced by #WPW10310260
?
Manufacturer substitution
This part replaces 74004812. Substitute parts can look different from the original.
In Stock
$90.02 | 
10% OFF 
MSRP: $100.00
Screw (blk)#14A

Body Diagram

Screw (blk)

Part #71002264
This item is not returnable
In Stock
$3.40
Cook Guide#8B

Control panel Diagram

Cook guide

Part #74005475
In Stock
$9.18
Appliance Cable Tie#13A

Internal controls Diagram

Cable tie

Part #701678
Replaced by #WPW10339879
?
Manufacturer substitution
This part replaces 701678. Substitute parts can look different from the original.
This item is not returnable
In Stock
$4.37 | 
19% OFF 
Phone Price: $5.37
Appliance Nut#11A

Door Diagram

Nut

Part #715634
Replaced by #WP3400029
?
Manufacturer substitution
This part replaces 715634. Substitute parts can look different from the original.
This item is not returnable
In Stock
$6.49 | 
13% OFF 
Phone Price: $7.49
Wall Oven Screw#16A

Door Diagram

Hinge screw

Part #7101P270-60
Replaced by #W10828565
?
Manufacturer substitution
This part replaces 7101P270-60. Substitute parts can look different from the original.
This item is not returnable
In Stock
$5.29 | 
16% OFF 
Phone Price: $6.29
Range High-Limit Thermostat#4

Internal controls Diagram

Range high-limit thermostat

Part #71001844
Replaced by #WP71001844
?
Manufacturer substitution
This part replaces 71001844. Substitute parts can look different from the original.
In Stock
$88.79 | 
5% OFF 
Phone Price: $93.79
Range Bake Element#1

Oven Diagram

Bake element

Part #71001636
Replaced by #WP7406P272-60
?
Manufacturer substitution
This part replaces 71001636. Substitute parts can look different from the original.
In Stock
$82.09 | 
6% OFF 
Phone Price: $87.09