Kenmore
Central Air Conditioner

Model #1067782190 Official Kenmore air conditioner

Here are the diagrams and repair parts for Kenmore 1067782190 air conditioner, as well as links to manuals and error code tables, if available.

There are a couple of ways to find the part or diagram you need:

  • Click a diagram to see the parts shown on that diagram.
  • In the search box below, enter all or part of the part number or the part’s name.

Not all parts are shown on the diagrams—those parts are labeled NI, for “not illustrated”.

We encourage you to save the model to your profile, so it’s easy to access parts and manuals for your appliance whenever you log in.

For DIY troubleshooting advice and repair guides, visit our repair help section.

Showing 10 of 168 parts

Appliance Screw#49

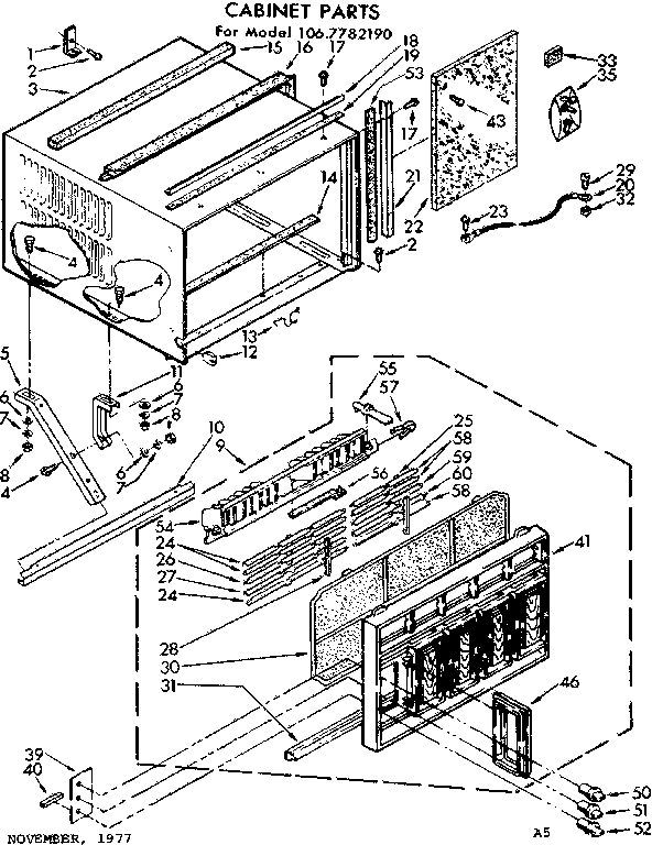
Air flow and control parts Diagram

Screw

Part #487910
Replaced by #WP488729
?
Manufacturer substitution
This part replaces 487910. Substitute parts can look different from the original.
BEST SELLER
This item is not returnable
In Stock
$4.39 | 
19% OFF 
Phone Price: $5.39
Refrigerator Service Valve, 3/4-in

#NI

All parts Diagram

Valve kit

Part #978030
Replaced by #978030
?
Manufacturer substitution
This part replaces 978030. Substitute parts can look different from the original.
In Stock
$40.49 | 
11% OFF 
Phone Price: $45.49
Refrigerator Service Valve

#NI

All parts Diagram

Valve kit

Part #978025
Replaced by #WP978025
?
Manufacturer substitution
This part replaces 978025. Substitute parts can look different from the original.
In Stock
$18.97 | 
37% OFF 
MSRP: $30.00
Room Air Conditioner Foam Seal#45C

Air flow and control parts Diagram

Seal

Part #853916
Replaced by #WP854334
?
Manufacturer substitution
This part replaces 853916. Substitute parts can look different from the original.
In Stock
$9.99 | 
9% OFF 
Phone Price: $10.99
Refrigerator Permagum Sealer

#NI

All parts Diagram

Capacitor

Part #470168
Replaced by #212643
?
Manufacturer substitution
This part replaces 470168. Substitute parts can look different from the original.
This item is not returnable
In Stock
$50.09 | 
9% OFF 
Phone Price: $55.09
Dishwasher Screw

See All Related Diagrams

Screw

Part #488017
Replaced by #WP965173
?
Manufacturer substitution
This part replaces 488017. Substitute parts can look different from the original.
This item is not returnable
In Stock
$5.85
Wire#20

Cabinet parts Diagram

Ground wire

Part #857022
Replaced by #857078
?
Manufacturer substitution
This part replaces 857022. Substitute parts can look different from the original.
In Stock
$10.49 | 
16% OFF 
Phone Price: $12.49
Appliance Screw

See All Related Diagrams

Screw, 8 x 1

Part #488480
Replaced by #WP489069
?
Manufacturer substitution
This part replaces 488480. Substitute parts can look different from the original.
This item is not returnable
In Stock
$4.39 | 
19% OFF 
Phone Price: $5.39
Nut#32

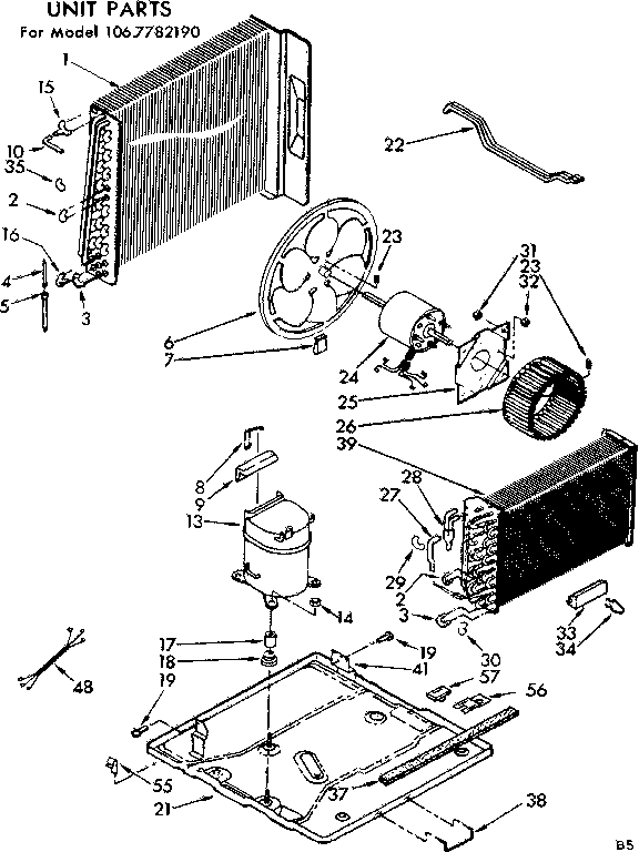
Unit parts Diagram

Nut

Part #488130

The manufacturer no longer makes this part, and there's no substitute part

Bend#2

Unit parts Diagram

Bend

Part #855199
Replaced by #WP855199
?
Manufacturer substitution
This part replaces 855199. Substitute parts can look different from the original.
This item is not returnable
In Stock
$4.33

Articles and videos common to all central air conditioners

October 24, 2022

Easy DIY appliance repairs that anyone can do

Lyle Weischwill

Get advice on simple DIY fixes for appliances that you can safely do on your own.

August 5, 2022

Introducing new technical repair content that we’re developing for the Sears Technical Institute

Lyle Weischwill

Learn about Sears Technical Institute and the advanced technical content being developed for aspiring appliance techs.

June 29, 2022

Top questions about Sears and Sears PartsDirect

Lyle Weischwill

Get answers to frequently asked questions about Sears and Sears PartsDirect.