Craftsman
Tool Sharpener

Model #319200910 Official Craftsman sharpener

Here are the diagrams and repair parts for Craftsman 319200910 sharpener, as well as links to manuals and error code tables, if available.

There are a couple of ways to find the part or diagram you need:

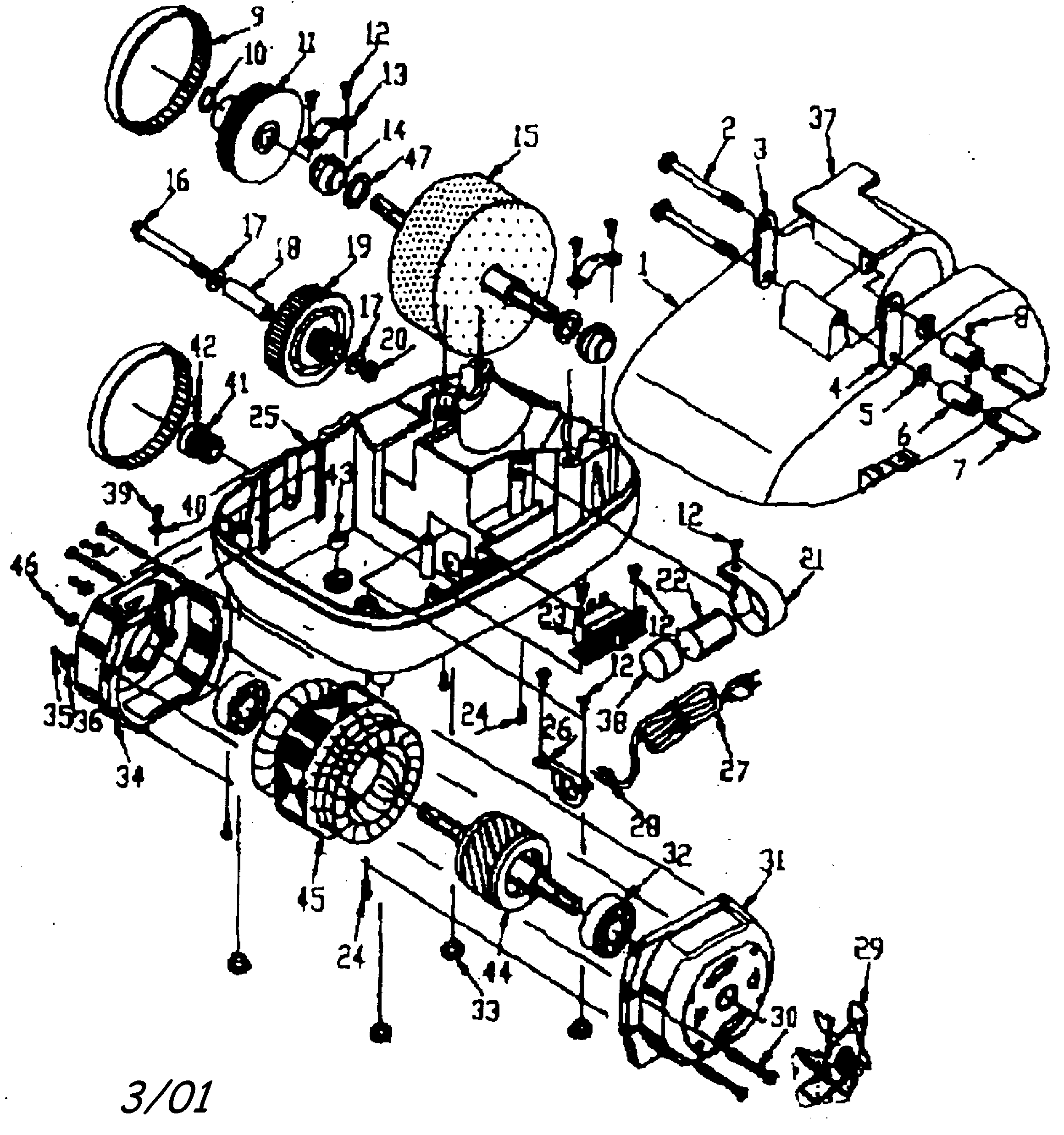
  • Click a diagram to see the parts shown on that diagram.
  • In the search box below, enter all or part of the part number or the part’s name.

Not all parts are shown on the diagrams—those parts are labeled NI, for “not illustrated”.

We encourage you to save the model to your profile, so it’s easy to access parts and manuals for your appliance whenever you log in.

For DIY troubleshooting advice and repair guides, visit our repair help section.

Showing 10 of 49 parts

Stator#45

Cabinet parts Diagram

Stator

Part #2009145

The manufacturer no longer makes this part, and there's no substitute part

Support#3

Cabinet parts Diagram

Support

Part #2009103

The manufacturer no longer makes this part, and there's no substitute part

Bearing#14

Cabinet parts Diagram

Bearing

Part #2009114

The manufacturer no longer makes this part, and there's no substitute part

Housing#1

Cabinet parts Diagram

Housing

Part #2009101

The manufacturer no longer makes this part, and there's no substitute part

Washer#40

Cabinet parts Diagram

Washer

Part #2009140

The manufacturer no longer makes this part, and there's no substitute part

Gear#19

Cabinet parts Diagram

Gear

Part #2009119

The manufacturer no longer makes this part, and there's no substitute part

Washer#17

Cabinet parts Diagram

Washer

Part #2009117

The manufacturer no longer makes this part, and there's no substitute part

Screw#30

Cabinet parts Diagram

Screw

Part #2009130

The manufacturer no longer makes this part, and there's no substitute part

Bolt#2

Cabinet parts Diagram

Bolt

Part #2009102

The manufacturer no longer makes this part, and there's no substitute part

Ring Clip#10

Cabinet parts Diagram

Ring clip

Part #2009110

The manufacturer no longer makes this part, and there's no substitute part