Craftsman
Walk-Behind Mower

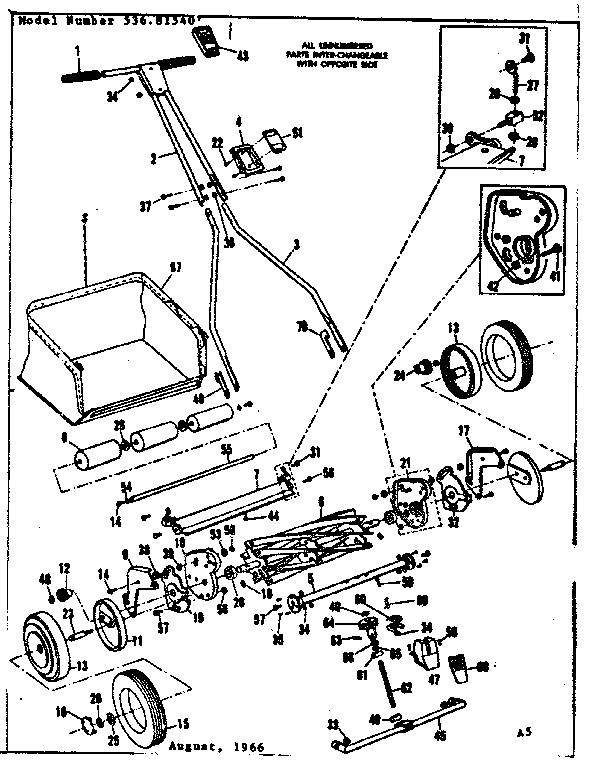
Model #53681540 Official Craftsman 18" lawn mower

Here are the diagrams and repair parts for Craftsman 53681540 18" lawn mower, as well as links to manuals and error code tables, if available.

There are a couple of ways to find the part or diagram you need:

  • Click a diagram to see the parts shown on that diagram.
  • In the search box below, enter all or part of the part number or the part’s name.

Not all parts are shown on the diagrams—those parts are labeled NI, for “not illustrated”.

We encourage you to save the model to your profile, so it’s easy to access parts and manuals for your appliance whenever you log in.

For DIY troubleshooting advice and repair guides, visit our repair help section.

Showing 10 of 71 parts

Lawn & Garden Equipment Washer#25

Replacement parts Diagram

Axle washer

Part #642
Replaced by #17X192MA
?
Manufacturer substitution
This part replaces 642. Substitute parts can look different from the original.
In Stock
$8.49 | 
11% OFF 
Phone Price: $9.49
Lawn & Garden Equipment Ring Clip (replaces 11X3, 12000001, 1200000-1, 1200001, 21432, 25055, 36625, 38534, 46817, 5000P, 52913, 812000034, 98000071, 9800071, STD580105, STD581075, X-1003)#26

Replacement parts Diagram

E-ring

Part #25055
Replaced by #812000029
?
Manufacturer substitution
This part replaces 25055. Substitute parts can look different from the original.
This item is not returnable
In Stock
$1.91 | 
34% OFF 
Phone Price: $2.91
Reel Bearing#20

Replacement parts Diagram

Reel bearing

Part #20257

The manufacturer no longer makes this part, and there's no substitute part

Screw#22

Replacement parts Diagram

Screw

Part #144712

The manufacturer no longer makes this part, and there's no substitute part

Nylock Nut#28

Replacement parts Diagram

Nylock nut

Part #9415172

The manufacturer no longer makes this part, and there's no substitute part

Reel Lawn Mower Tire (replaces 53555)#15

Replacement parts Diagram

Tire

Part #27798
Replaced by #53555MA
?
Manufacturer substitution
This part replaces 27798. Substitute parts can look different from the original.
In Stock
$41.39 | 
11% OFF 
Phone Price: $46.39
Lawn & Garden Equipment Engine Flywheel Key#18

Replacement parts Diagram

Pawl

Part #22897
Replaced by #780293MA
?
Manufacturer substitution
This part replaces 22897. Substitute parts can look different from the original.
In Stock
$18.12
Spiral Pin#63

Replacement parts Diagram

Spiral pin

Part #995427

The manufacturer no longer makes this part, and there's no substitute part

Screw#35

Replacement parts Diagram

Screw

Part #120221

The manufacturer no longer makes this part, and there's no substitute part

Lock Nut#36

Replacement parts Diagram

Lock nut

Part #997314

The manufacturer no longer makes this part, and there's no substitute part

Articles and videos common to all walk-behind mowers

February 11, 2023

Top 10 electric lawn and garden tools for 2023

Lyle Weischwill

Learn about the top 10 must-have electric lawn & garden tools for 2023

August 30, 2022

How to enjoy all the online benefits we offer on our Sears PartsDirect website

Lyle Weischwill

Learn about all the convenient features on our Sears PartsDirect website that make your parts purchases easier.

August 11, 2022

Tapping into a new feature in the Search Bar on Sears PartsDirect

Lyle Weischwill

Learn about a new feature added to the Search Bar on Sears PartsDirect