Whirlpool
Wall Oven/Microwave Combo

Model #WOC54EC0AB01 Official Whirlpool electric built-in combo wall oven

Here are the diagrams and repair parts for Whirlpool WOC54EC0AB01 electric built-in combo wall oven, as well as links to manuals and error code tables, if available.

There are a couple of ways to find the part or diagram you need:

  • Click a diagram to see the parts shown on that diagram.
  • In the search box below, enter all or part of the part number or the part’s name.

Not all parts are shown on the diagrams—those parts are labeled NI, for “not illustrated”.

We encourage you to save the model to your profile, so it’s easy to access parts and manuals for your appliance whenever you log in.

For DIY troubleshooting advice and repair guides, visit our repair help section.

Installation guideOwner’s manual

Showing 10 of 163 parts

Microwave Element Clip#3

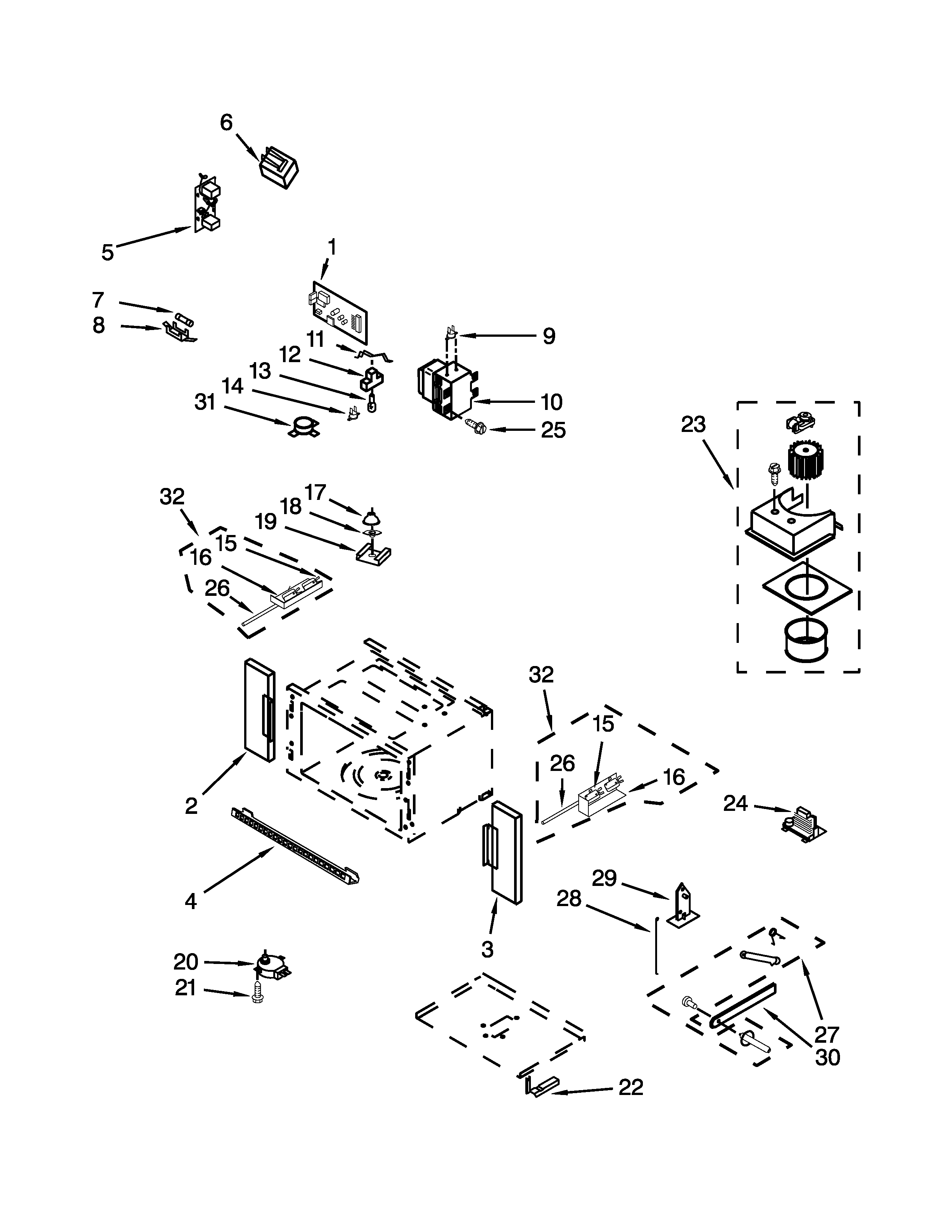
Internal microwave parts Diagram

Oven mounting bracket

Part #W10120232
Replaced by #W10909479
?
Manufacturer substitution
This part replaces W10120232. Substitute parts can look different from the original.
BEST SELLER
This item is not returnable
In Stock
$23.79 | 
17% OFF 
Phone Price: $28.79
Appliance Spray Paint (White) (replaces 094566-64, 206923, 2780-0001, 4395978, 5303203125, 66208, 788343, 799343, 799433, 99343, A0050702, F94566-010, Y057937, Y350930)#NI

Optional parts Diagram

Spray w

Part #350930
Replaced by #350930
?
Manufacturer substitution
This part replaces 350930. Substitute parts can look different from the original.
BEST SELLER
This item is not returnable
In Stock
$15.69 | 
11% OFF 
Phone Price: $17.69
Microwave Glass Turntable Tray#6

Internal microwave parts Diagram

Cook tray

Part #4375274
Replaced by #W10818723
?
Manufacturer substitution
This part replaces 4375274. Substitute parts can look different from the original.
BEST SELLER
In Stock
$112.09 | 
8% OFF 
Phone Price: $122.09
Microwave Steamer Cookware#2

Internal microwave parts Diagram

Cookware

Part #W10120484
Replaced by #W10660052
?
Manufacturer substitution
This part replaces W10120484. Substitute parts can look different from the original.
BEST SELLER
In Stock
$17.49 | 
10% OFF 
Phone Price: $19.49
Range Terminal Block#5

Top venting parts Diagram

Terminal block

Part #7401P038-60
Replaced by #WPW10245259
?
Manufacturer substitution
This part replaces 7401P038-60. Substitute parts can look different from the original.
BEST SELLER
In Stock
$28.05 | 
15% OFF 
Phone Price: $33.05
Microwave Door Interlock Switch#15

Cabinet and stirrer parts Diagram

Microwave door switch

Part #W10330566
Replaced by #W10211972
?
Manufacturer substitution
This part replaces W10330566. Substitute parts can look different from the original.
BEST SELLER
In Stock
$25.91 | 
19% OFF 
MSRP: $32.00
Wall Oven Door Outer Panel Assembly, Upper (Stainless)#7B

Oven door parts Diagram

Oven door glass

Part #W10587556
Replaced by #W10577911
?
Manufacturer substitution
This part replaces W10587556. Substitute parts can look different from the original.
BEST SELLER
Back Order
$241.51 | 
$10.00 OFF 
Phone Price: $251.51
Microwave Waveguide Cover#11

Internal microwave parts Diagram

Cover

Part #W10120230
Replaced by #W10915651
?
Manufacturer substitution
This part replaces W10120230. Substitute parts can look different from the original.
BEST SELLER
In Stock
$37.39 | 
12% OFF 
Phone Price: $42.39
Microwave Turntable Motor Coupler#8

Internal microwave parts Diagram

Microwave turntable motor coupler

Part #8205677
Replaced by #WPW10776938
?
Manufacturer substitution
This part replaces 8205677. Substitute parts can look different from the original.
This item is not returnable
In Stock
$18.89 | 
10% OFF 
Was: $20.99
Range Broil Element#1

Internal oven parts Diagram

Range broil element

Part #W10260252
Replaced by #WPW10260252
?
Manufacturer substitution
This part replaces W10260252. Substitute parts can look different from the original.
Back Order
$81.23 | 
6% OFF 
Phone Price: $86.23