Craftsman
Complete Deck

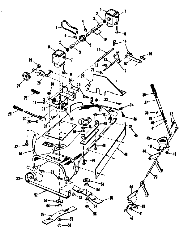
Model #917250119 Official Craftsman 36" mower housing replacement kit

Here are the diagrams and repair parts for Craftsman 917250119 36" mower housing replacement kit, as well as links to manuals and error code tables, if available.

There are a couple of ways to find the part or diagram you need:

  • Click a diagram to see the parts shown on that diagram.
  • In the search box below, enter all or part of the part number or the part’s name.

Not all parts are shown on the diagrams—those parts are labeled NI, for “not illustrated”.

We encourage you to save the model to your profile, so it’s easy to access parts and manuals for your appliance whenever you log in.

For DIY troubleshooting advice and repair guides, visit our repair help section.

Showing 10 of 78 parts

Lawn & Garden Equipment Ring Clip#41

Replacement parts Diagram

E-ring

Part #5000P
Replaced by #812000029
?
Manufacturer substitution
This part replaces 5000P. Substitute parts can look different from the original.
BEST SELLER
This item is not returnable
In Stock
$1.91 | 
34% OFF 
Phone Price: $2.91
Lawn Tractor Lock Nut

See All Related Diagrams

Nut

Part #5394H
Replaced by #73930600
?
Manufacturer substitution
This part replaces 5394H. Substitute parts can look different from the original.
BEST SELLER
This item is not returnable
In Stock
$2.59 | 
28% OFF 
Phone Price: $3.59
Keps Nut#33

Replacement parts Diagram

Keps nut

Part #532P

The manufacturer no longer makes this part, and there's no substitute part

Hex Fin Bolt#23

Replacement parts Diagram

Hex fin bolt

Part #3011P

The manufacturer no longer makes this part, and there's no substitute part

Lawn Mower Drive Head Assembly, Right

See All Related Diagrams

Rh assy

Part #794041
Replaced by #794041
?
Manufacturer substitution
This part replaces 794041. Substitute parts can look different from the original.
In Stock
$198.89 | 
5% OFF 
Phone Price: $208.89
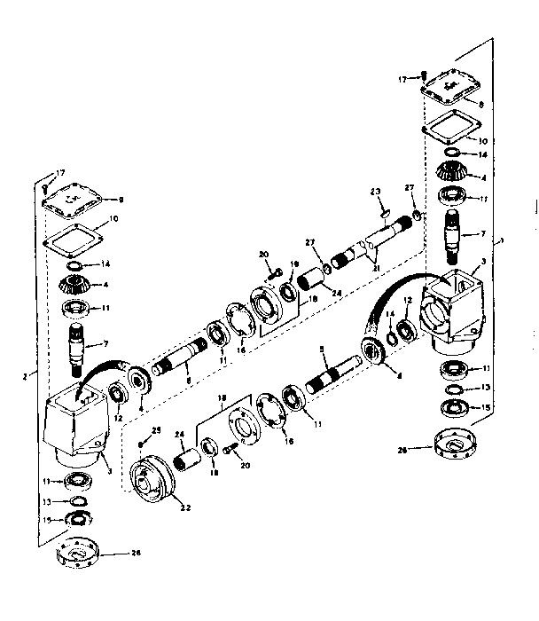
Lawn & Garden Equipment Gearbox Oil Seal#15

Head assembly Diagram

Seal

Part #788029
Replaced by #788029A
?
Manufacturer substitution
This part replaces 788029. Substitute parts can look different from the original.
In Stock
$8.03
Lawn Tractor Mower Attachment Input Shaft#5

Head assembly Diagram

Input shaft

Part #776040
Replaced by #776040A
?
Manufacturer substitution
This part replaces 776040. Substitute parts can look different from the original.
In Stock
$37.40
Flat Washer#50

Replacement parts Diagram

Flat washer

Part #1513P

The manufacturer no longer makes this part, and there's no substitute part

Cover Lh#9

Head assembly Diagram

Lh cover

Part #772035
Replaced by #772035
?
Manufacturer substitution
This part replaces 772035. Substitute parts can look different from the original.
In Stock
$11.53
Gasket#10

Head assembly Diagram

Gasket

Part #788028
Replaced by #788028
?
Manufacturer substitution
This part replaces 788028. Substitute parts can look different from the original.
This item is not returnable
In Stock
$4.01