Whirlpool
Wall Oven/Microwave Combo

Model #WOC95EC0AB02 Official Whirlpool electric oven

Here are the diagrams and repair parts for Whirlpool WOC95EC0AB02 electric oven, as well as links to manuals and error code tables, if available.

There are a couple of ways to find the part or diagram you need:

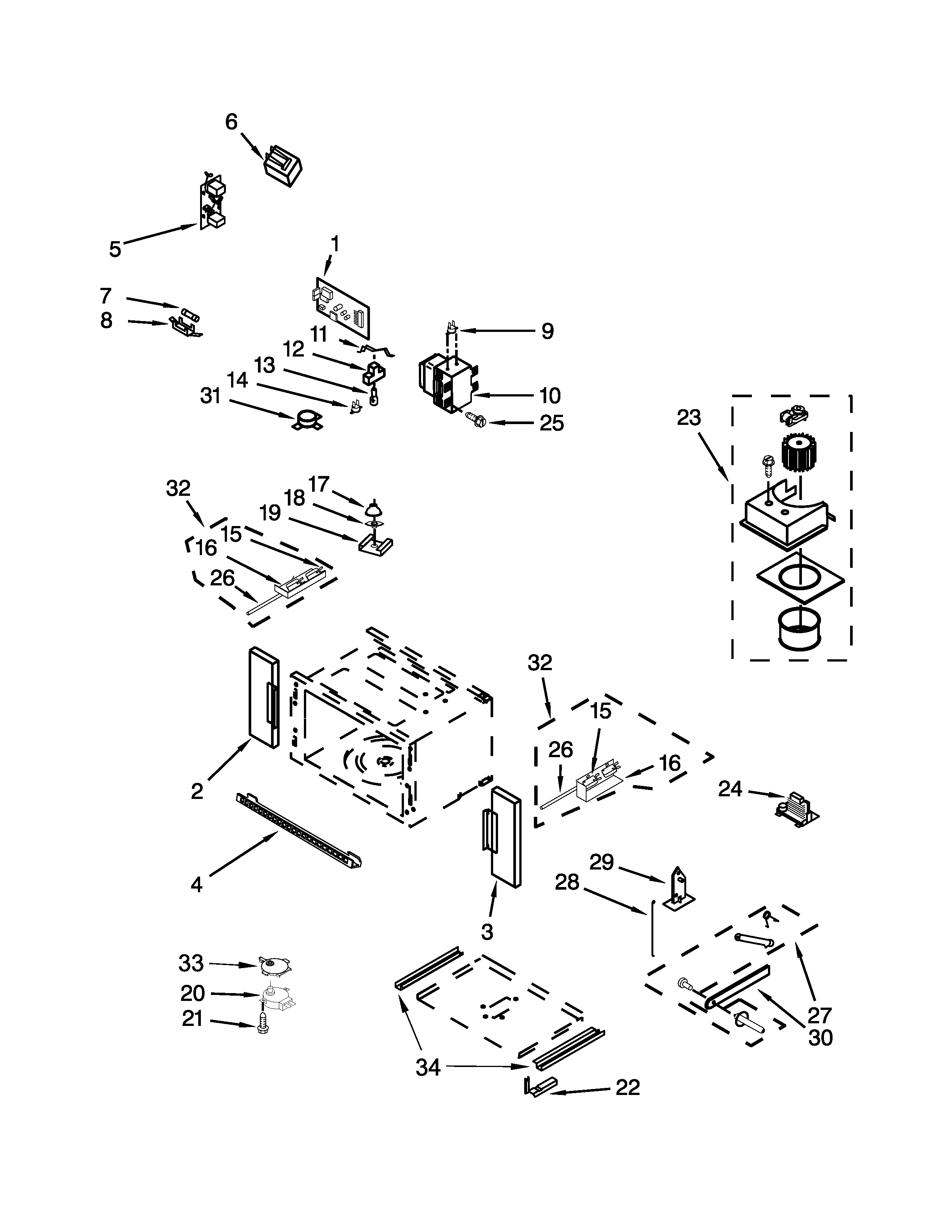
  • Click a diagram to see the parts shown on that diagram.
  • In the search box below, enter all or part of the part number or the part’s name.

Not all parts are shown on the diagrams—those parts are labeled NI, for “not illustrated”.

We encourage you to save the model to your profile, so it’s easy to access parts and manuals for your appliance whenever you log in.

For DIY troubleshooting advice and repair guides, visit our repair help section.

Installation guideOwner’s manual

Showing 10 of 162 parts

Appliance Spray Paint (White) (replaces 094566-64, 206923, 2780-0001, 4395978, 5303203125, 66208, 788343, 799343, 799433, 99343, A0050702, F94566-010, Y057937, Y350930)#NI

Optional parts Diagram

Spray w

Part #350930
Replaced by #350930
?
Manufacturer substitution
This part replaces 350930. Substitute parts can look different from the original.
BEST SELLER
This item is not returnable
In Stock
$15.69 | 
11% OFF 
Phone Price: $17.69
Microwave Glass Turntable Tray#1

Internal microwave parts Diagram

Turntable

Part #461967720541
Replaced by #W10818723
?
Manufacturer substitution
This part replaces 461967720541. Substitute parts can look different from the original.
BEST SELLER
In Stock
$112.09 | 
8% OFF 
Phone Price: $122.09
Microwave Door Interlock Switch#15

Cabinet and stirrer parts Diagram

Microwave door switch

Part #W10330566
Replaced by #W10211972
?
Manufacturer substitution
This part replaces W10330566. Substitute parts can look different from the original.
BEST SELLER
In Stock
$25.91 | 
19% OFF 
MSRP: $32.00
Microwave Waveguide Cover#4

Internal microwave parts Diagram

O mica plate

Part #461967451001
Replaced by #W10915651
?
Manufacturer substitution
This part replaces 461967451001. Substitute parts can look different from the original.
BEST SELLER
In Stock
$37.39 | 
12% OFF 
Phone Price: $42.39
Wall Oven Door Outer Panel Assembly, Upper (Stainless)#7B

Oven door parts Diagram

Oven door glass

Part #W10587556
Replaced by #W10577911
?
Manufacturer substitution
This part replaces W10587556. Substitute parts can look different from the original.
BEST SELLER
Back Order
$241.51 | 
$10.00 OFF 
Phone Price: $251.51
Affresh Stainless Steel Cleaning Spray, 12-oz#NI

Optional parts Diagram

Affresh stainless steel cleaner

Part #W10355016
Replaced by #W11042467
?
Manufacturer substitution
This part replaces W10355016. Substitute parts can look different from the original.
BEST SELLER
This item is not returnable

Get free shipping with Automatic Reorder

In Stock
$10.89 | 
16% OFF 
Phone Price: $12.89
Range Broil Element#1

Internal oven parts Diagram

Range broil element

Part #W10260252
Replaced by #WPW10260252
?
Manufacturer substitution
This part replaces W10260252. Substitute parts can look different from the original.
In Stock
$81.23 | 
6% OFF 
Phone Price: $86.23
Wall Oven Light Lens#26

Oven parts Diagram

Light lens

Part #W10412722
Replaced by #WPW10412722
?
Manufacturer substitution
This part replaces W10412722. Substitute parts can look different from the original.
BEST SELLER
This item is not returnable
Back Order
$14.69 | 
12% OFF 
Phone Price: $16.69
Range Oven Rack#2

Internal oven parts Diagram

Range oven rack

Part #W10317430
Replaced by #W11218798
?
Manufacturer substitution
This part replaces W10317430. Substitute parts can look different from the original.
In Stock
$178.70 | 
29% OFF 
MSRP: $250.00
Refrigerator Screw#4

Internal oven parts Diagram

Screw

Part #7101P376-60
Replaced by #W11233072
?
Manufacturer substitution
This part replaces 7101P376-60. Substitute parts can look different from the original.
In Stock
$16.79 | 
11% OFF 
Phone Price: $18.79