Nordyne
Central Air Conditioner

Model #036Q3RC Official Nordyne heat pump

Here are the diagrams and repair parts for Nordyne 036Q3RC heat pump, as well as links to manuals and error code tables, if available.

There are a couple of ways to find the part or diagram you need:

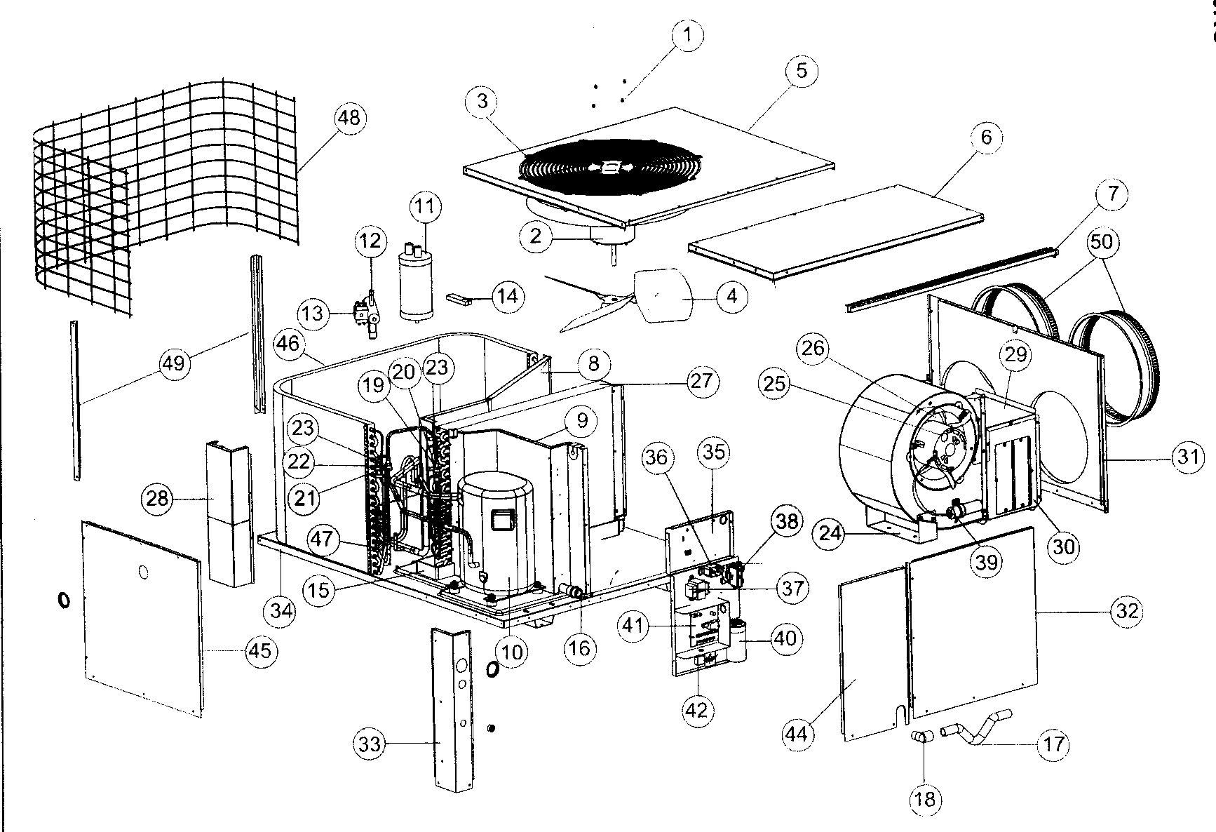
  • Click a diagram to see the parts shown on that diagram.
  • In the search box below, enter all or part of the part number or the part’s name.

Not all parts are shown on the diagrams—those parts are labeled NI, for “not illustrated”.

We encourage you to save the model to your profile, so it’s easy to access parts and manuals for your appliance whenever you log in.

For DIY troubleshooting advice and repair guides, visit our repair help section.

Showing 10 of 52 parts

Thermostat#42A

Heat pump Diagram

Thermostat

Part #626520

The manufacturer no longer makes this part, and there's no substitute part

Air Conditioner Blower Relay#36

Heat pump Diagram

Air conditioner blower relay

Part #621931

The manufacturer no longer makes this part, and there's no substitute part

Restrictor#21

Heat pump Diagram

Restrictor

Part #664065

The manufacturer no longer makes this part, and there's no substitute part

Thermostat#47

Heat pump Diagram

Thermostat

Part #626488

The manufacturer no longer makes this part, and there's no substitute part

Accumulatr#11

Heat pump Diagram

Accumulatr

Part #668793

The manufacturer no longer makes this part, and there's no substitute part

Air Conditioner Blower Relay#36A

Heat pump Diagram

Air conditioner blower relay

Part #621869

The manufacturer no longer makes this part, and there's no substitute part

Drain Pan#15

Heat pump Diagram

Drain pan

Part #669187

The manufacturer no longer makes this part, and there's no substitute part

Distributor

See All Related Diagrams

Distributor

Part #663581

The manufacturer no longer makes this part, and there's no substitute part

Evaporator Motor#25

Heat pump Diagram

Evaporator motor

Part #621939

The manufacturer no longer makes this part, and there's no substitute part

Fan Motor#2

Heat pump Diagram

Fan motor

Part #621721

The manufacturer no longer makes this part, and there's no substitute part

Articles and videos common to all central air conditioners

November 30, 2022

2023 HVAC regulation changes and how they may affect you

By Lyle Weischwill

Find out how new DOE standards going into effect in 2023 can affect you and what you need to do.

October 24, 2022

Easy DIY appliance repairs that anyone can do

By Lyle Weischwill

Get advice on simple DIY fixes for appliances that you can safely do on your own.

August 5, 2022

Introducing new technical repair content that we’re developing for the Sears Technical Institute

By Lyle Weischwill

Learn about Sears Technical Institute and the advanced technical content being developed for aspiring appliance techs.