Sony
Camera

Model #NEX-5NK/B Official Sony digital camera

Here are the diagrams and repair parts for Sony NEX-5NK-B digital camera, as well as links to manuals and error code tables, if available.

There are a couple of ways to find the part or diagram you need:

  • Click a diagram to see the parts shown on that diagram.
  • In the search box below, enter all or part of the part number or the part’s name.

Not all parts are shown on the diagrams—those parts are labeled NI, for “not illustrated”.

We encourage you to save the model to your profile, so it’s easy to access parts and manuals for your appliance whenever you log in.

For DIY troubleshooting advice and repair guides, visit our repair help section.

Showing 10 of 94 parts

Ground Plate#104

Pcb layout Diagram

Ground plate

Part #429213901
This item is not returnable
In Stock
$2.16
Is-075 Pcb#163

Bt/rl assy Diagram

Is-075 pcb

Part #188096311
This item is not returnable
In Stock
$3.54
Sheet Frame#56

Rear assy Diagram

Sheet frame

Part #429225801
In Stock
$8.03
Cover#55

Rear assy Diagram

Cover

Part #429214501
This item is not returnable
In Stock
$3.15
Lid Asy,bt#64

Rear assy Diagram

Lid asy,bt

Part #X25822331
In Stock
$29.71
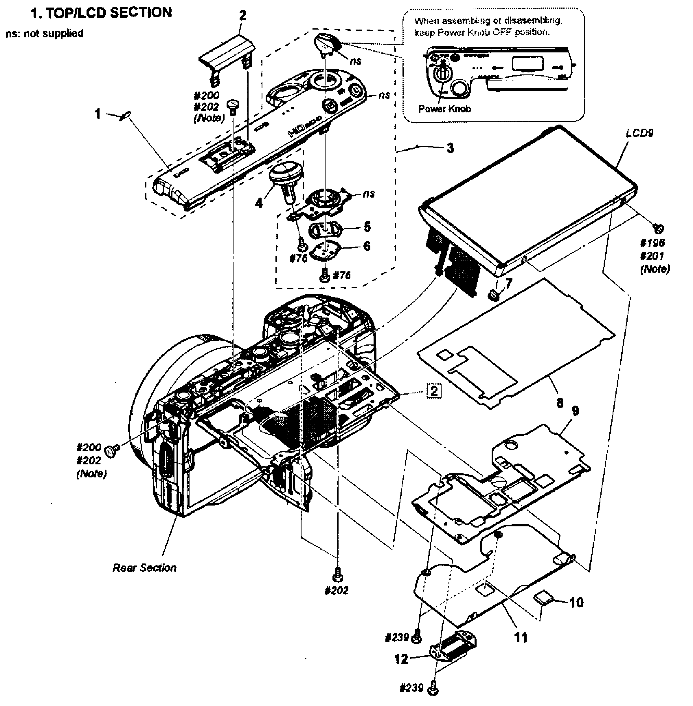
Shoe Cover#2

Top/lcd assy Diagram

Shoe cover

Part #429214701
In Stock
$15.95
Mask Sheet#210

Imager block Diagram

Mask sheet

Part #428119601
This item is not returnable
In Stock
$3.54
Base Cover#159

Bt/rl assy Diagram

Base cover

Part #429214601
In Stock
$8.74
Im Ir Glas#252

Imager unit Diagram

Im ir glas

Part #A1817089A
In Stock
$101.00
Battery Ch#NI

Top/lcd assy Diagram

Battery ch

Part #148790721
In Stock
$112.95