Craftsman
Snowblower

Model #8874 Official Craftsman 32" snow thrower

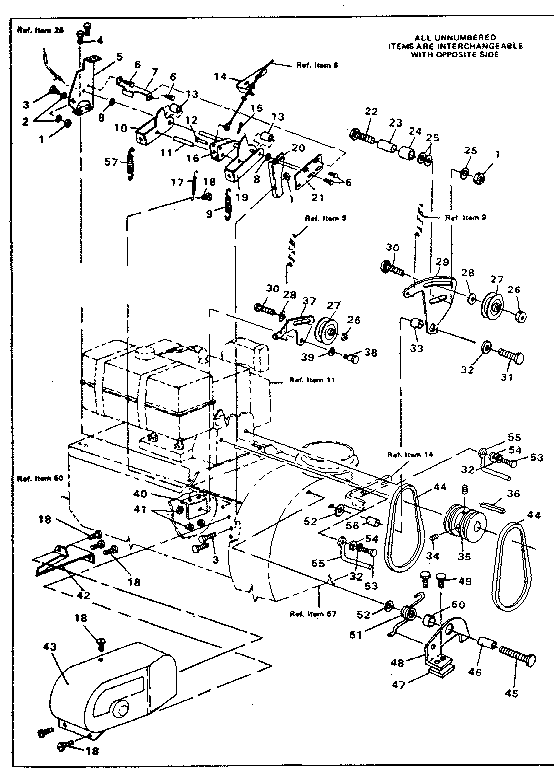
Here are the diagrams and repair parts for Craftsman 8874 32" snow thrower, as well as links to manuals and error code tables, if available.

There are a couple of ways to find the part or diagram you need:

  • Click a diagram to see the parts shown on that diagram.
  • In the search box below, enter all or part of the part number or the part’s name.

Not all parts are shown on the diagrams—those parts are labeled NI, for “not illustrated”.

We encourage you to save the model to your profile, so it’s easy to access parts and manuals for your appliance whenever you log in.

For DIY troubleshooting advice and repair guides, visit our repair help section.

Showing 10 of 215 parts

Lawn & Garden Equipment Ring Clip#27

Drive assembly Diagram

Retaining ring

Part #36625
Replaced by #812000029
?
Manufacturer substitution
This part replaces 36625. Substitute parts can look different from the original.
BEST SELLER
This item is not returnable
In Stock
$1.91 | 
34% OFF 
Phone Price: $2.91
Snowblower Nut

See All Related Diagrams

Lock nut

Part #9424215
Replaced by #703251
?
Manufacturer substitution
This part replaces 9424215. Substitute parts can look different from the original.
BEST SELLER
In Stock
$8.07 | 
11% OFF 
Phone Price: $9.07
Snowblower Gearbox Oil Seal#42

Chute Diagram

Oil seal

Part #24274
Replaced by #9566MA
?
Manufacturer substitution
This part replaces 24274. Substitute parts can look different from the original.
This item is not returnable
In Stock
$20.89 | 
19% OFF 
Phone Price: $25.89
Lawn & Garden Equipment Lock Nut#26

Selector/impeller and auger Diagram

Lock nut

Part #41529
Replaced by #41529MA
?
Manufacturer substitution
This part replaces 41529. Substitute parts can look different from the original.
This item is not returnable
In Stock
$6.69 | 
13% OFF 
Phone Price: $7.69
Locknut 18#11

Chute Diagram

Locknut 18

Part #271184

The manufacturer no longer makes this part, and there's no substitute part

Snowblower Formed Washer#9

Handle assembly Diagram

Formd washer

Part #22025
Replaced by #311936MA
?
Manufacturer substitution
This part replaces 22025. Substitute parts can look different from the original.
This item is not returnable
In Stock
$12.71 | 
14% OFF 
Phone Price: $14.71
Lock Nut

See All Related Diagrams

Lock nut

Part #9413447

The manufacturer no longer makes this part, and there's no substitute part

Flat Washer

See All Related Diagrams

Flat washer

Part #996407

The manufacturer no longer makes this part, and there's no substitute part

Flat Washer#32

Selector/impeller and auger Diagram

Flat washer

Part #120393

The manufacturer no longer makes this part, and there's no substitute part

Snowblower Flat Washer#39

Chute Diagram

Washer

Part #48275
Replaced by #48275MA
?
Manufacturer substitution
This part replaces 48275. Substitute parts can look different from the original.
This item is not returnable
In Stock
$11.03 | 
15% OFF 
Phone Price: $13.03

Articles and videos common to all snowblowers

December 12, 2022

How to adjust the snowblower auger control

By Lyle Weischwill

This video shows how to adjust a snowblower's auger control.

December 8, 2022

How to lubricate a snowblower drive hex shaft video

By Lyle Weischwill

This short video shows how to lubricate a snowblower drive hex shaft.

November 17, 2022

What are the major parts of a snowblower?

By Lyle Weischwill

Learn about major functional parts of your snowblower and when to replace them.