Amana
Countertop Microwave

Model #R361P/P1104408M Official Amana microwave

Here are the diagrams and repair parts for Amana R361P-P1104408M microwave, as well as links to manuals and error code tables, if available.

There are a couple of ways to find the part or diagram you need:

  • Click a diagram to see the parts shown on that diagram.
  • In the search box below, enter all or part of the part number or the part’s name.

Not all parts are shown on the diagrams—those parts are labeled NI, for “not illustrated”.

We encourage you to save the model to your profile, so it’s easy to access parts and manuals for your appliance whenever you log in.

For DIY troubleshooting advice and repair guides, visit our repair help section.

Showing 10 of 127 parts

Appliance Light Bulb, 40-watt (replaces 40A15-2PK, 60A, 60A15RVL, STD398091, WR02X12328, WX12X1510)#1

Transformer/capacitor Diagram

Lamp

Part #A0282805
Replaced by #40A15
?
Manufacturer substitution
This part replaces A0282805. Substitute parts can look different from the original.
BEST SELLER
In Stock
$7.52 | 
12% OFF 
Phone Price: $8.52
Washer Screw, #10-16 x 3/8-in#21

Transformer/capacitor Diagram

Screw

Part #M0216729
Replaced by #WP3390631
?
Manufacturer substitution
This part replaces M0216729. Substitute parts can look different from the original.
This item is not returnable
In Stock
$4.39 | 
19% OFF 
Phone Price: $5.39
Refrigerator Screw

See All Related Diagrams

Screw

Part #M0216515
Replaced by #WP489349
?
Manufacturer substitution
This part replaces M0216515. Substitute parts can look different from the original.
This item is not returnable
In Stock
$4.39 | 
19% OFF 
Phone Price: $5.39
Microwave Fuse#15

Transformer/capacitor Diagram

Fuse

Part #M0805101
Replaced by #WPM0805101
?
Manufacturer substitution
This part replaces M0805101. Substitute parts can look different from the original.
This item is not returnable
In Stock
$6.49 | 
13% OFF 
Phone Price: $7.49
Washer#26

Blower/magnetron Diagram

Washer

Part #M0270536
Replaced by #M0270536
?
Manufacturer substitution
This part replaces M0270536. Substitute parts can look different from the original.
This item is not returnable
In Stock
$3.29
Refrigerator Crisper Drawer Roller Screw#16

Blower/magnetron Diagram

Screw

Part #M0254706
Replaced by #67006692
?
Manufacturer substitution
This part replaces M0254706. Substitute parts can look different from the original.
This item is not returnable
In Stock
$7.99 | 
11% OFF 
Phone Price: $8.99
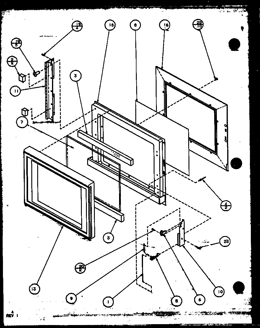
Appliance Screw#19

Door Diagram

Torx screw

Part #M0234016
Replaced by #WP59002061
?
Manufacturer substitution
This part replaces M0234016. Substitute parts can look different from the original.
This item is not returnable
In Stock
$4.39 | 
19% OFF 
Phone Price: $5.39
Duct, Top Ai#10B

Transformer/capacitor Diagram

Air duct

Part #D7772003
Replaced by #D7772007
?
Manufacturer substitution
This part replaces D7772003. Substitute parts can look different from the original.
This item is not returnable
In Stock
$3.29
Nut#25

Blower/magnetron Diagram

Nut

Part #M0281405
Replaced by #M0281405
?
Manufacturer substitution
This part replaces M0281405. Substitute parts can look different from the original.
This item is not returnable
In Stock
$3.29
Door Guide#6

Door Diagram

Door guide

Part #B8370401
Replaced by #B8370401
?
Manufacturer substitution
This part replaces B8370401. Substitute parts can look different from the original.
This item is not returnable
In Stock
$3.29

Articles and videos common to all microwaves

November 12, 2022

5 Holiday Cleaning Tasks Essential to Boosting Your Home’s Image

By Lyle Weischwill

Get tips on completing essential holiday cleaning tasks to brighten your home.

August 19, 2022

Are DIY appliance repairs safe?

By Lyle Weischwill

Find out how to stay safe when repairing your appliances.

August 5, 2022

Introducing new technical repair content that we’re developing for the Sears Technical Institute

By Lyle Weischwill

Learn about Sears Technical Institute and the advanced technical content being developed for aspiring appliance techs.