Craftsman
Miter Saw

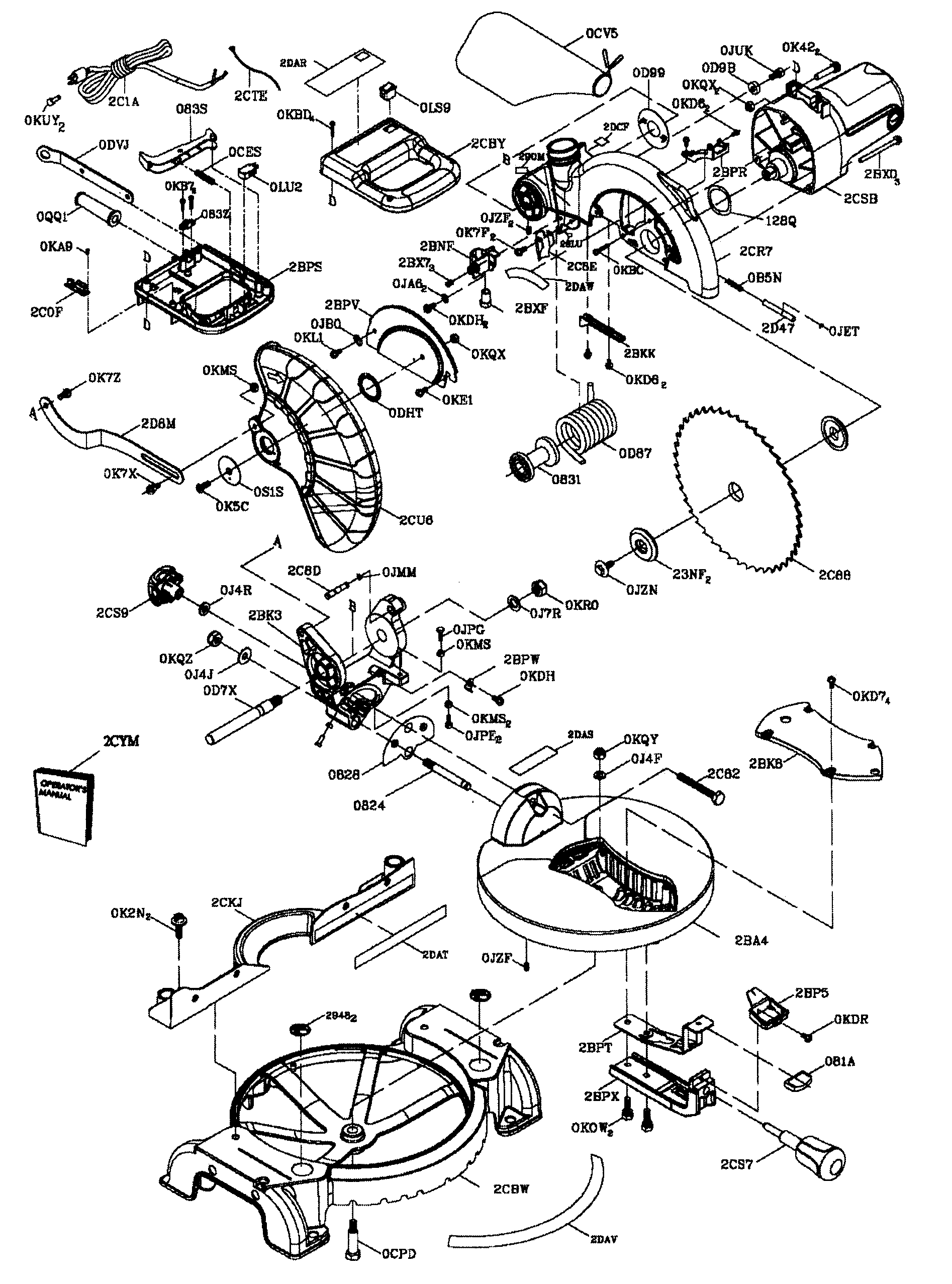
Model #137212290 Official Craftsman miter saw

Here are the diagrams and repair parts for Craftsman 137212290 miter saw, as well as links to manuals and error code tables, if available.

There are a couple of ways to find the part or diagram you need:

  • Click a diagram to see the parts shown on that diagram.
  • In the search box below, enter all or part of the part number or the part’s name.

Not all parts are shown on the diagrams—those parts are labeled NI, for “not illustrated”.

We encourage you to save the model to your profile, so it’s easy to access parts and manuals for your appliance whenever you log in.

For DIY troubleshooting advice and repair guides, visit our repair help section.

Owner’s manual

Showing 10 of 116 parts

Handle#2CBY

Saw Diagram

Handle

Part #2CBY

The manufacturer no longer makes this part, and there's no substitute part

Nut Chuck#KQZ

Saw Diagram

Nut chuck

Part #0KQZ

The manufacturer no longer makes this part, and there's no substitute part

Miter Saw Locking Handle Spring#2BPT

Saw Diagram

Miter saw locking handle spring

Part #2BPT

The manufacturer no longer makes this part, and there's no substitute part

Pin#2D47

Saw Diagram

Pin

Part #2D47

The manufacturer no longer makes this part, and there's no substitute part

Miter Saw Laser Assembly#2BXF

Saw Diagram

Miter saw laser assembly

Part #2BXF

The manufacturer no longer makes this part, and there's no substitute part

Miter Saw Screw#KB7

Saw Diagram

Miter saw screw

Part #0KB7

The manufacturer no longer makes this part, and there's no substitute part

Miter Saw Blade#2C88

Saw Diagram

Miter saw blade

Part #2C88

The manufacturer no longer makes this part, and there's no substitute part

Miter Saw Screw#KBC

Saw Diagram

Miter saw screw

Part #0KBC

The manufacturer no longer makes this part, and there's no substitute part

Miter Saw Owner's Manual#2CYM

Saw Diagram

Miter saw owner's manual

Part #2CYM

The manufacturer no longer makes this part, and there's no substitute part

Miter Saw Miter Scale Indicator#2BP5

Saw Diagram

Miter saw miter scale indicator

Part #2BP5

The manufacturer no longer makes this part, and there's no substitute part