Sony
Digital Camcorder

Model #HDR-CX130/L Official Sony camcorder

Here are the diagrams and repair parts for Sony HDR-CX130-L camcorder, as well as links to manuals and error code tables, if available.

There are a couple of ways to find the part or diagram you need:

  • Click a diagram to see the parts shown on that diagram.
  • In the search box below, enter all or part of the part number or the part’s name.

Not all parts are shown on the diagrams—those parts are labeled NI, for “not illustrated”.

We encourage you to save the model to your profile, so it’s easy to access parts and manuals for your appliance whenever you log in.

For DIY troubleshooting advice and repair guides, visit our repair help section.

Showing 10 of 81 parts

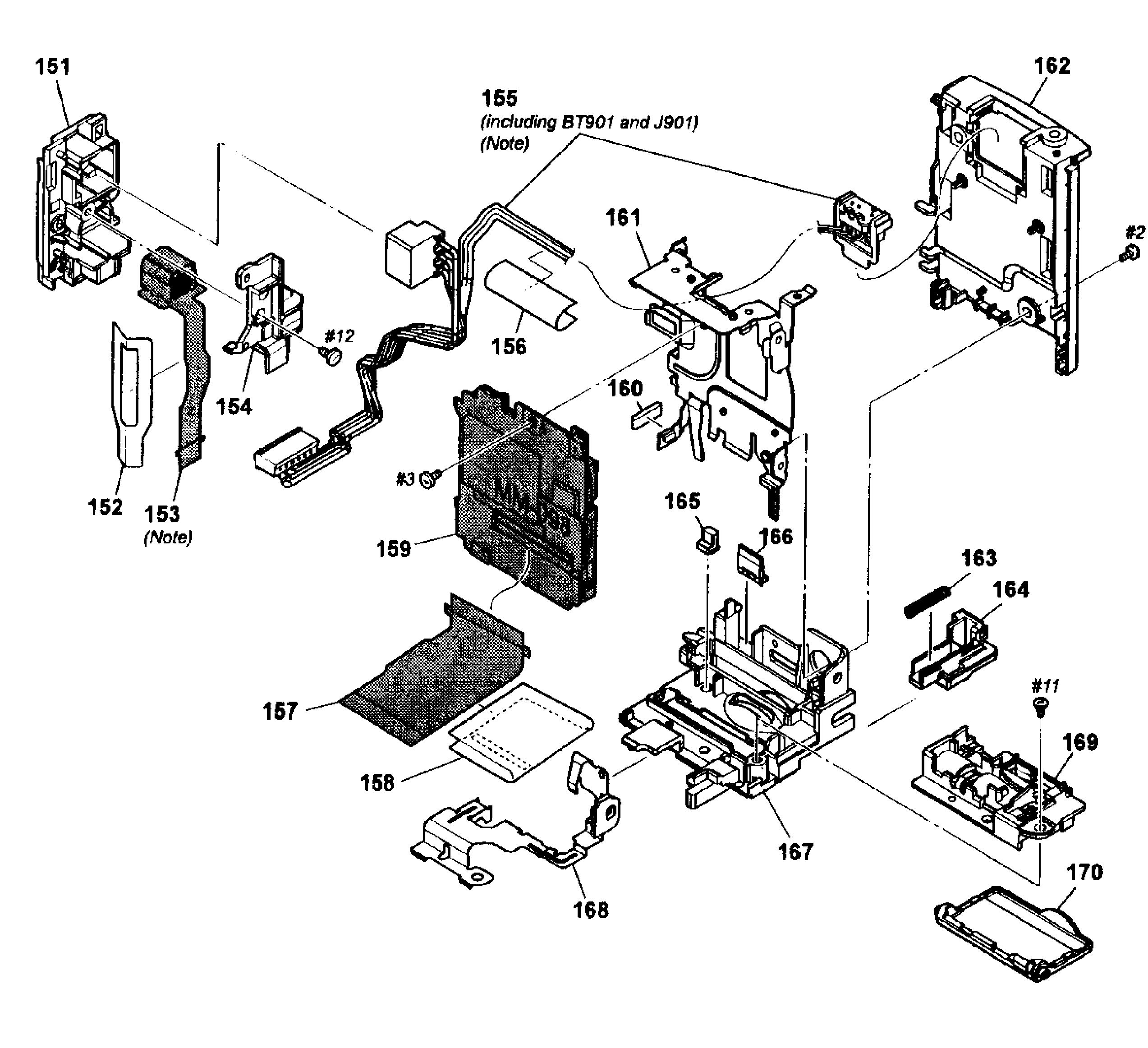
Cabinet#54

Main assy Diagram

Cabinet

Part #A1807686A

The manufacturer no longer makes this part, and there's no substitute part

Pcb Fp1353#218

Right assy Diagram

Pcb fp1353

Part #A1818316A

The manufacturer no longer makes this part, and there's no substitute part

LCD Block#LCD9

Right assy Diagram

Lcd block

Part #A1814240A

The manufacturer no longer makes this part, and there's no substitute part

Jack#155

Battery panel Diagram

Jack

Part #184265811

The manufacturer no longer makes this part, and there's no substitute part

Lid#170

Battery panel Diagram

Lid

Part #426560701

The manufacturer no longer makes this part, and there's no substitute part

Main Frame#104

Lens assy Diagram

Main frame

Part #427212401

The manufacturer no longer makes this part, and there's no substitute part

Screw#2

Left assy Diagram

Screw

Part #328364301

The manufacturer no longer makes this part, and there's no substitute part

Switch Block#52

Main assy Diagram

Switch block

Part #148929911

The manufacturer no longer makes this part, and there's no substitute part

Cabinet Front#268

Front assy Diagram

Cabinet front

Part #426988201

The manufacturer no longer makes this part, and there's no substitute part

Sheet Mtl#53

Main assy Diagram

Sheet mtl

Part #426434901

The manufacturer no longer makes this part, and there's no substitute part