Weatherking
Central Air Conditioner

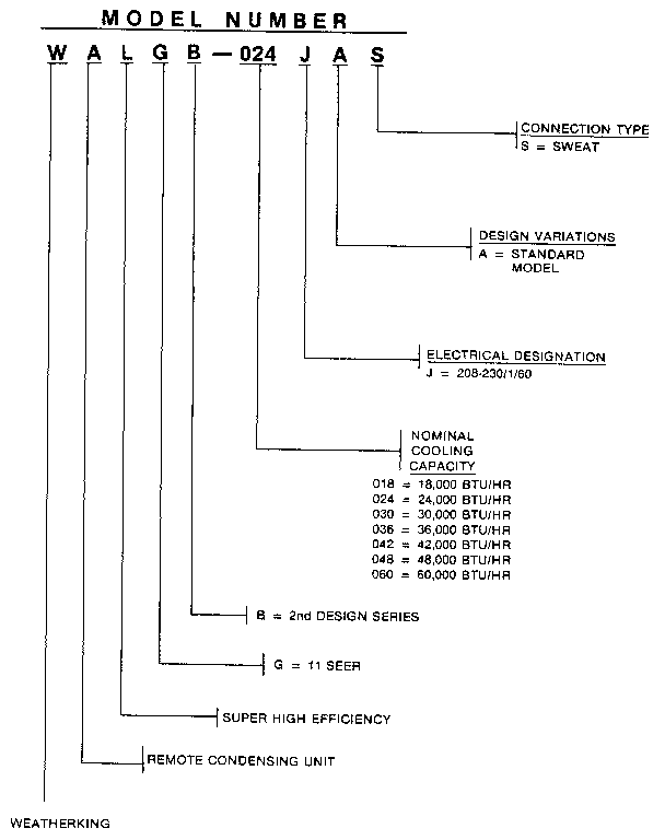
Model #WALGB-060J Official Weatherking condensing unit

Here are the diagrams and repair parts for Weatherking WALGB-060J condensing unit, as well as links to manuals and error code tables, if available.

There are a couple of ways to find the part or diagram you need:

  • Click a diagram to see the parts shown on that diagram.
  • In the search box below, enter all or part of the part number or the part’s name.

Not all parts are shown on the diagrams—those parts are labeled NI, for “not illustrated”.

We encourage you to save the model to your profile, so it’s easy to access parts and manuals for your appliance whenever you log in.

For DIY troubleshooting advice and repair guides, visit our repair help section.

Showing 10 of 31 parts

Pan Base#1A

Replacement parts Diagram

Pan base

Part #AE-58426-03
In Stock
$176.73
Central Air Conditioner Condenser Fan Motor#8A

Replacement parts Diagram

In Stock
$176.91
Cabinet#2

Replacement parts Diagram

Cabinet

Part #AE-58428-06
In Stock
$402.99
Fan Mtr Kit#8B

Replacement parts Diagram

Fan mtr kit

Part #AS-55306-02
In Stock
$23.18
Venturi#4

Replacement parts Diagram

Venturi

Part #AE-58427-09
In Stock
$334.12
Adptr Fittg

#NI

All parts Diagram

Adptr fittg

Part #83-21457-03
In Stock
$21.33
Sound Enclse#16C

Replacement parts Diagram

Sound enclse

Part #68-23427-13
In Stock
$38.99
Control Bracket

#NI

All parts Diagram

Control bracket

Part #AE-57788-01
In Stock
$24.36
Grille Assembly#3

Replacement parts Diagram

Grille assembly

Part #AS-58470-03
In Stock
$519.76
Access Panel#6

Replacement parts Diagram

Access panel

Part #AE-58431-06
In Stock
$224.42

Articles and videos common to all central air conditioners

November 30, 2022

2023 HVAC regulation changes and how they may affect you

By Lyle Weischwill

Find out how new DOE standards going into effect in 2023 can affect you and what you need to do.

October 24, 2022

Easy DIY appliance repairs that anyone can do

By Lyle Weischwill

Get advice on simple DIY fixes for appliances that you can safely do on your own.

August 5, 2022

Introducing new technical repair content that we’re developing for the Sears Technical Institute

By Lyle Weischwill

Learn about Sears Technical Institute and the advanced technical content being developed for aspiring appliance techs.