Makita
Drill/Driver

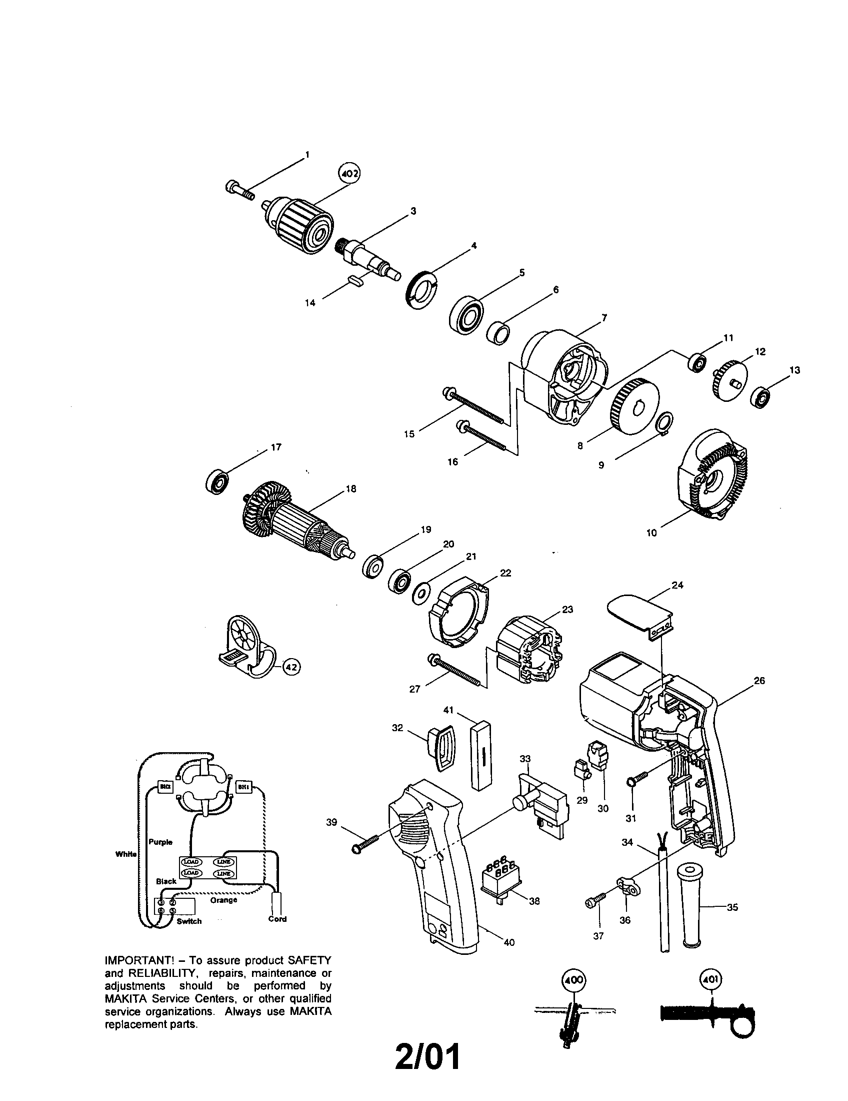
Model #6302H Official Makita 1/2" drill

Here are the diagrams and repair parts for Makita 6302H 1/2" drill, as well as links to manuals and error code tables, if available.

There are a couple of ways to find the part or diagram you need:

  • Click a diagram to see the parts shown on that diagram.
  • In the search box below, enter all or part of the part number or the part’s name.

Not all parts are shown on the diagrams—those parts are labeled NI, for “not illustrated”.

We encourage you to save the model to your profile, so it’s easy to access parts and manuals for your appliance whenever you log in.

For DIY troubleshooting advice and repair guides, visit our repair help section.

Showing 10 of 42 parts

Strain Relef#36

1/2" (13mm) drill Diagram

Strain relef

Part #687002-9

The manufacturer no longer makes this part, and there's no substitute part

Washer#19

1/2" (13mm) drill Diagram

Washer

Part #681614-0

The manufacturer no longer makes this part, and there's no substitute part

Spur Brng 52#8

1/2" (13mm) drill Diagram

Spur brng 52

Part #221979-4

The manufacturer no longer makes this part, and there's no substitute part

Power Tool Power Cord Strain Relief#35

1/2" (13mm) drill Diagram

Power tool power cord strain relief

Part #682502-4

The manufacturer no longer makes this part, and there's no substitute part

Ball Bearing#11

1/2" (13mm) drill Diagram

Ball bearing

Part #211014-6

The manufacturer no longer makes this part, and there's no substitute part

Gear 7-46#12

1/2" (13mm) drill Diagram

Gear 7-46

Part #226078-7

The manufacturer no longer makes this part, and there's no substitute part

Grip#401

1/2" (13mm) drill Diagram

Grip

Part #122593-8

The manufacturer no longer makes this part, and there's no substitute part

Ring 15#6

1/2" (13mm) drill Diagram

Ring 15

Part #257018-4

The manufacturer no longer makes this part, and there's no substitute part

Flt Hd Scrw#1

1/2" (13mm) drill Diagram

Flt hd scrw

Part #251441-5

The manufacturer no longer makes this part, and there's no substitute part

Dust Cover#32

1/2" (13mm) drill Diagram

Dust cover

Part #421144-7

The manufacturer no longer makes this part, and there's no substitute part