McClane
Walk-Behind Mower

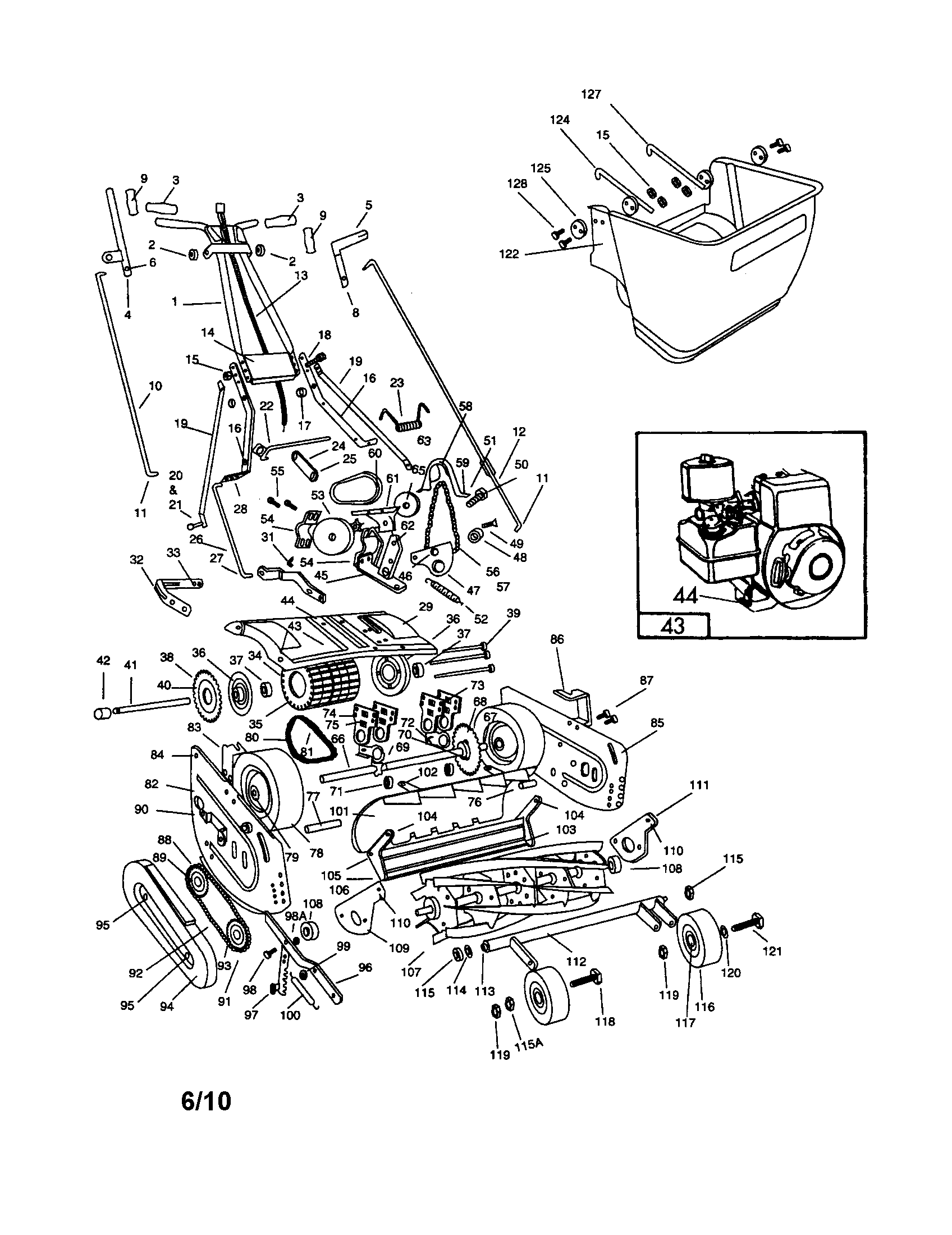
Model #25-3.5RP-10 Official McClane front throw reel mower

Here are the diagrams and repair parts for McClane 25-35RP-10 front throw reel mower, as well as links to manuals and error code tables, if available.

There are a couple of ways to find the part or diagram you need:

  • Click a diagram to see the parts shown on that diagram.
  • In the search box below, enter all or part of the part number or the part’s name.

Not all parts are shown on the diagrams—those parts are labeled NI, for “not illustrated”.

We encourage you to save the model to your profile, so it’s easy to access parts and manuals for your appliance whenever you log in.

For DIY troubleshooting advice and repair guides, visit our repair help section.

Owner’s manual

Showing 10 of 153 parts

Bolt#44

Front throw reel mower Diagram

Bolt

Part #1044

The manufacturer no longer makes this part, and there's no substitute part

Bolt

See All Related Diagrams

Bolt

Part #1033

The manufacturer no longer makes this part, and there's no substitute part

Bolt

See All Related Diagrams

Bolt

Part #1028

The manufacturer no longer makes this part, and there's no substitute part

Washer#51

Front throw reel mower Diagram

Washer

Part #1051

The manufacturer no longer makes this part, and there's no substitute part

Nut

See All Related Diagrams

Nut

Part #1015

The manufacturer no longer makes this part, and there's no substitute part

Lock Nut

See All Related Diagrams

Lock nut

Part #1008

The manufacturer no longer makes this part, and there's no substitute part

Cotter Pin

See All Related Diagrams

Cotter pin

Part #1011

The manufacturer no longer makes this part, and there's no substitute part

Screw#25

Front throw reel mower Diagram

Screw

Part #1025

The manufacturer no longer makes this part, and there's no substitute part

Nut

See All Related Diagrams

Nut

Part #1075

The manufacturer no longer makes this part, and there's no substitute part

Chain#80

Front throw reel mower Diagram

Chain

Part #1080

The manufacturer no longer makes this part, and there's no substitute part

Articles and videos common to all walk-behind mowers

February 11, 2023

Top 10 electric lawn and garden tools for 2023

Lyle Weischwill

Learn about the top 10 must-have electric lawn & garden tools for 2023

August 30, 2022

How to enjoy all the online benefits we offer on our Sears PartsDirect website

Lyle Weischwill

Learn about all the convenient features on our Sears PartsDirect website that make your parts purchases easier.

August 11, 2022

Tapping into a new feature in the Search Bar on Sears PartsDirect

Lyle Weischwill

Learn about a new feature added to the Search Bar on Sears PartsDirect