MTD
Chipper/Shredder

Model #24A-021H700 Official MTD chipper/shredder vacuum

Here are the diagrams and repair parts for MTD 24A-021H700 chipper/shredder vacuum, as well as links to manuals and error code tables, if available.

There are a couple of ways to find the part or diagram you need:

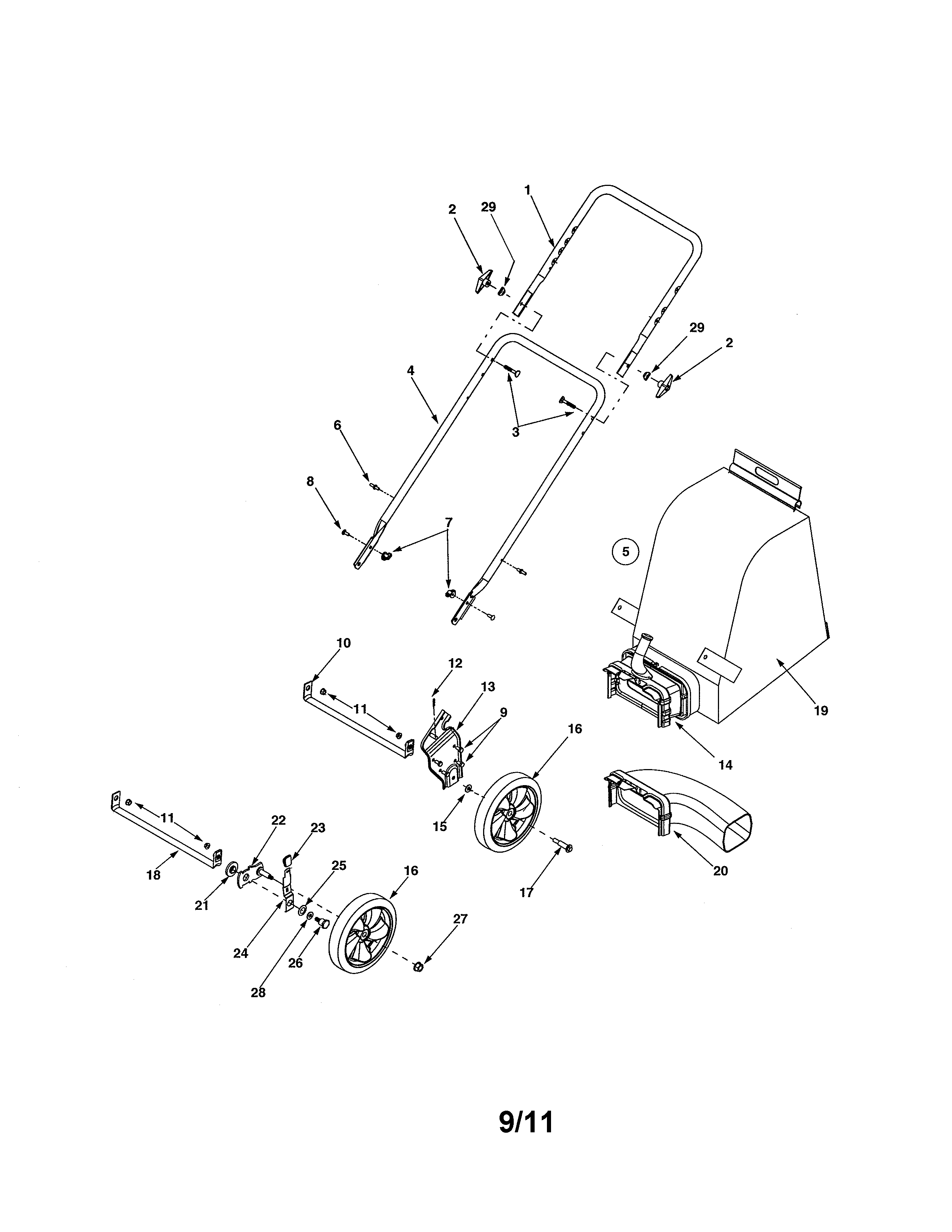
  • Click a diagram to see the parts shown on that diagram.
  • In the search box below, enter all or part of the part number or the part’s name.

Not all parts are shown on the diagrams—those parts are labeled NI, for “not illustrated”.

We encourage you to save the model to your profile, so it’s easy to access parts and manuals for your appliance whenever you log in.

For DIY troubleshooting advice and repair guides, visit our repair help section.

Owner’s manual

Showing 10 of 64 parts

Lawn & Garden Equipment Lock Nut, 5/16-18#13

Deck/impeller/nozzle Diagram

Lawn & garden equipment lock nut, 5/16-18

Part #712-04063
BEST SELLER
This item is not returnable
In Stock
$3.62 | 
26% OFF 
MSRP: $4.90
Lawn Tractor Flange Nut#11

Handle/grassbag/chute Diagram

Lawn tractor flange nut

Part #712-04065
BEST SELLER
This item is not returnable
In Stock
$2.74 | 
45% OFF 
MSRP: $5.00
Lawn Mower Handle Knob#2

Handle/grassbag/chute Diagram

Knob assembly

Part #720-0241
Replaced by #720-04072A
?
Manufacturer substitution
This part replaces 720-0241. Substitute parts can look different from the original.
BEST SELLER
This item is not returnable
In Stock
$5.79 | 
32% OFF 
MSRP: $8.50
Lawn & Garden Equipment Lock Washer#23

Deck/impeller/nozzle Diagram

Lock washer

Part #736-0119
Replaced by #936-0119
?
Manufacturer substitution
This part replaces 736-0119. Substitute parts can look different from the original.
BEST SELLER
This item is not returnable
In Stock
$5.89 | 
15% OFF 
Phone Price: $6.89
Lawn & Garden Equipment Carriage Bolt#8

Handle/grassbag/chute Diagram

Lawn & garden equipment carriage bolt

Part #710-0703
BEST SELLER
This item is not returnable
In Stock
$6.29 | 
14% OFF 
Phone Price: $7.29
Lawn Mower Wheel#16

Handle/grassbag/chute Diagram

Lawn mower wheel

Part #734-1987
BEST SELLER
In Stock
$14.91 | 
22% OFF 
MSRP: $19.00
Lawn & Garden Equipment Screw#21

Deck/impeller/nozzle Diagram

Lawn & garden equipment screw

Part #710-1054
Replaced by #710-1054
?
Manufacturer substitution
This part replaces 710-1054. Substitute parts can look different from the original.
BEST SELLER
This item is not returnable
In Stock
$1.69 | 
37% OFF 
Phone Price: $2.69
Lawn Tractor Lawn Vacuum Attachment Snap Switch#2

Deck/impeller/nozzle Diagram

Mount switch

Part #725-3166
Replaced by #725-3166
?
Manufacturer substitution
This part replaces 725-3166. Substitute parts can look different from the original.
BEST SELLER
This item is not returnable
In Stock
$9.83 | 
9% OFF 
Phone Price: $10.83
Lawn Vacuum Chipper/Shredder Blower Chute#20

Handle/grassbag/chute Diagram

Chute assembly

Part #631-0090
Replaced by #OEM-290-012
?
Manufacturer substitution
This part replaces 631-0090. Substitute parts can look different from the original.
BEST SELLER
In Stock
$87.05 | 
13% OFF 
MSRP: $100.00
Lawn Tractor Vacuum Attachment Switch Cover#1

Deck/impeller/nozzle Diagram

Switch cover

Part #725-1700
Replaced by #725-1700
?
Manufacturer substitution
This part replaces 725-1700. Substitute parts can look different from the original.
This item is not returnable
In Stock
$2.16