Makita
Circular Saw

Model #5007NH Official Makita 7-1/4" circular saw

Here are the diagrams and repair parts for Makita 5007NH 7-1/4" circular saw, as well as links to manuals and error code tables, if available.

There are a couple of ways to find the part or diagram you need:

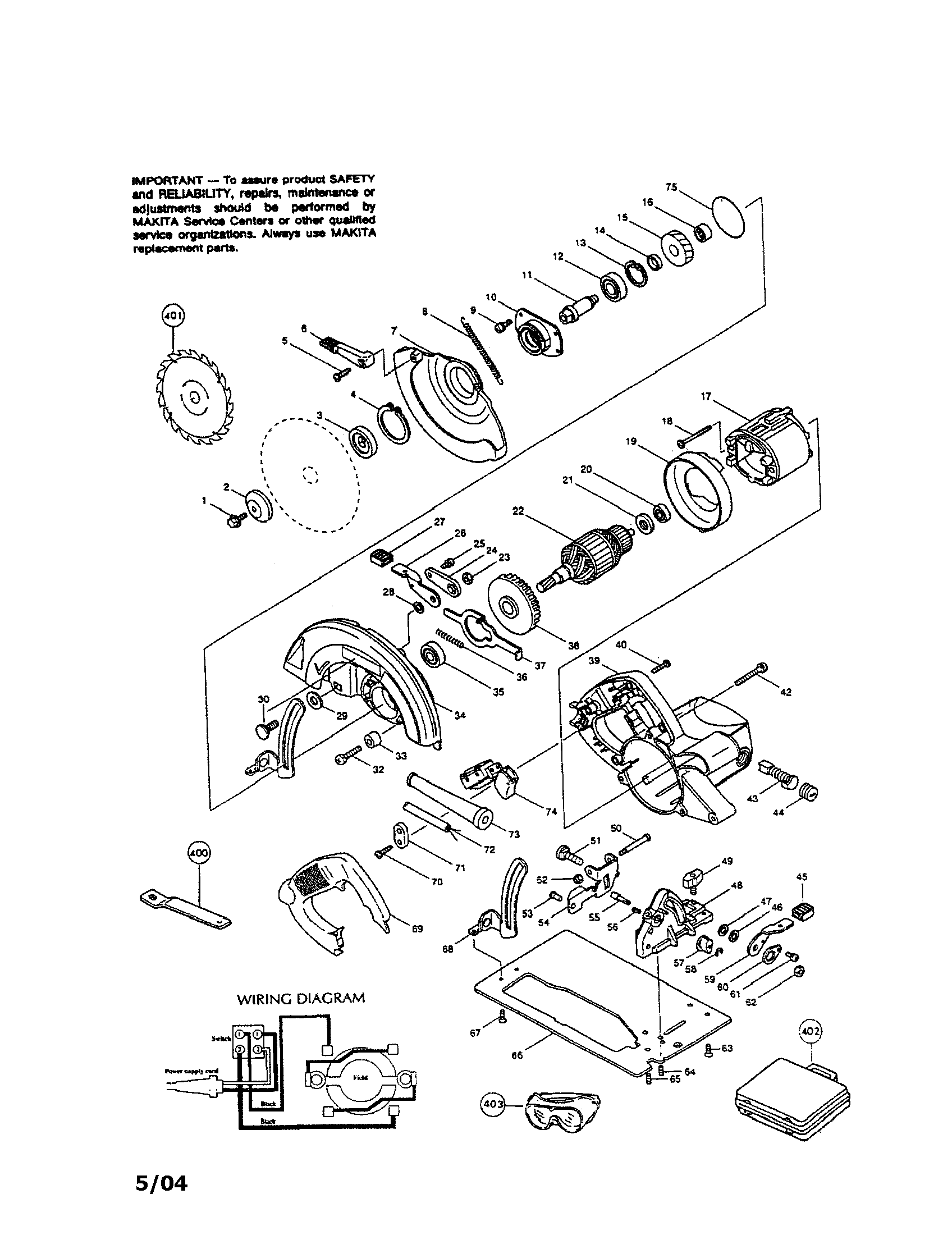
  • Click a diagram to see the parts shown on that diagram.
  • In the search box below, enter all or part of the part number or the part’s name.

Not all parts are shown on the diagrams—those parts are labeled NI, for “not illustrated”.

We encourage you to save the model to your profile, so it’s easy to access parts and manuals for your appliance whenever you log in.

For DIY troubleshooting advice and repair guides, visit our repair help section.

Showing 10 of 68 parts

Flat Washer

See All Related Diagrams

Flat washer

Part #941201-0

The manufacturer no longer makes this part, and there's no substitute part

Lock Plate#24

Circular saw Diagram

Lock plate

Part #343458-3

The manufacturer no longer makes this part, and there's no substitute part

Screw#5

Circular saw Diagram

Screw

Part #266034-5

The manufacturer no longer makes this part, and there's no substitute part

Base#66

Circular saw Diagram

Base

Part #344886-5

The manufacturer no longer makes this part, and there's no substitute part

Screw#42

Circular saw Diagram

Screw

Part #911273-9

The manufacturer no longer makes this part, and there's no substitute part

Brush Cap#44

Circular saw Diagram

Brush cap

Part #643650-4

The manufacturer no longer makes this part, and there's no substitute part

Hex Nut

See All Related Diagrams

Hex nut

Part #931402-8

The manufacturer no longer makes this part, and there's no substitute part

Screw#32

Circular saw Diagram

Screw

Part #251247-1

The manufacturer no longer makes this part, and there's no substitute part

Armatre Ay#22

Circular saw Diagram

Armatre ay

Part #516826-5

The manufacturer no longer makes this part, and there's no substitute part

Spring#8

Circular saw Diagram

Spring

Part #231806-7

The manufacturer no longer makes this part, and there's no substitute part

Articles and videos for circular saws

June 29, 2022

Top questions about Sears and Sears PartsDirect

By Lyle Weischwill

Get answers to frequently asked questions about Sears and Sears PartsDirect.