Whirlpool
Central Air Conditioner

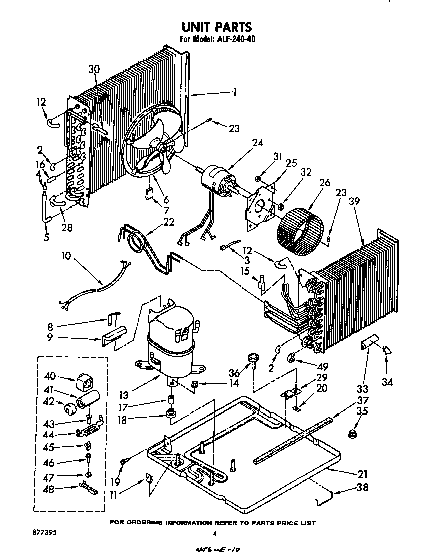
Model #ALF24040 Official Whirlpool air conditioner heat pump

Here are the diagrams and repair parts for Whirlpool ALF24040 air conditioner heat pump, as well as links to manuals and error code tables, if available.

There are a couple of ways to find the part or diagram you need:

  • Click a diagram to see the parts shown on that diagram.
  • In the search box below, enter all or part of the part number or the part’s name.

Not all parts are shown on the diagrams—those parts are labeled NI, for “not illustrated”.

We encourage you to save the model to your profile, so it’s easy to access parts and manuals for your appliance whenever you log in.

For DIY troubleshooting advice and repair guides, visit our repair help section.

Showing 10 of 178 parts

Appliance Screw

See All Related Diagrams

Screw

Part #487910
Replaced by #WP488729
?
Manufacturer substitution
This part replaces 487910. Substitute parts can look different from the original.
BEST SELLER
This item is not returnable
In Stock
$4.39 | 
19% OFF 
Phone Price: $5.39
Appliance Silicone Sealant (replaces 279368)#53F

Airflow an control Diagram

Cement

Part #797403
Replaced by #WP279368
?
Manufacturer substitution
This part replaces 797403. Substitute parts can look different from the original.
In Stock
$41.59 | 
11% OFF 
Phone Price: $46.59
Refrigerator Service Valve, 3/4-in#49I

Unit Diagram

Valve kit

Part #978030
Replaced by #978030
?
Manufacturer substitution
This part replaces 978030. Substitute parts can look different from the original.
In Stock
$40.49 | 
11% OFF 
Phone Price: $45.49
Refrigerator Service Valve#49D

Unit Diagram

Valve kit

Part #978025
Replaced by #WP978025
?
Manufacturer substitution
This part replaces 978025. Substitute parts can look different from the original.
In Stock
$18.97 | 
37% OFF 
MSRP: $30.00
Nut#47

Unit Diagram

Nut

Part #486197
Replaced by #488660
?
Manufacturer substitution
This part replaces 486197. Substitute parts can look different from the original.
In Stock
$16.79 | 
11% OFF 
Phone Price: $18.79
Screw#4A

Airflow an control Diagram

Screw

Part #488861

The manufacturer no longer makes this part, and there's no substitute part

Room Air Conditioner Foam Seal#45B

Airflow an control Diagram

Seal

Part #997267
Replaced by #WP854334
?
Manufacturer substitution
This part replaces 997267. Substitute parts can look different from the original.
In Stock
$9.99 | 
9% OFF 
Phone Price: $10.99
Terminal#45

Unit Diagram

Terminal

Part #90654

The manufacturer no longer makes this part, and there's no substitute part

Refrigerator Permagum Sealer#53A

Airflow an control Diagram

Capacitor

Part #470168
Replaced by #212643
?
Manufacturer substitution
This part replaces 470168. Substitute parts can look different from the original.
This item is not returnable
In Stock
$50.09 | 
9% OFF 
Phone Price: $55.09
Dishwasher Screw

See All Related Diagrams

Screw

Part #488017
Replaced by #WP965173
?
Manufacturer substitution
This part replaces 488017. Substitute parts can look different from the original.
This item is not returnable
In Stock
$5.85

Articles and videos common to all central air conditioners

October 24, 2022

Easy DIY appliance repairs that anyone can do

Lyle Weischwill

Get advice on simple DIY fixes for appliances that you can safely do on your own.

August 5, 2022

Introducing new technical repair content that we’re developing for the Sears Technical Institute

Lyle Weischwill

Learn about Sears Technical Institute and the advanced technical content being developed for aspiring appliance techs.

June 29, 2022

Top questions about Sears and Sears PartsDirect

Lyle Weischwill

Get answers to frequently asked questions about Sears and Sears PartsDirect.