MTD
Gas Walk-Behind Mower

Model #11A-54M7001 Official MTD lawn mower

Here are the diagrams and repair parts for MTD 11A-54M7001 lawn mower, as well as links to manuals and error code tables, if available.

There are a couple of ways to find the part or diagram you need:

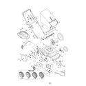
  • Click a diagram to see the parts shown on that diagram.
  • In the search box below, enter all or part of the part number or the part’s name.

Not all parts are shown on the diagrams—those parts are labeled NI, for “not illustrated”.

We encourage you to save the model to your profile, so it’s easy to access parts and manuals for your appliance whenever you log in.

For DIY troubleshooting advice and repair guides, visit our repair help section.

Owner’s manual

    Showing 10 of 71 parts

    Lawn Mower 21-in Deck Mulching Blade#16

    Lawn mower Diagram

    Lawn mower 21-in deck mulching blade

    Part #942-0741A
    BEST SELLER

    Get free shipping with Automatic Reorder

    In Stock
    $23.00 | 
    26% OFF 
    MSRP: $31.00
    Lawn Mower Blade Support#17

    Lawn mower Diagram

    Lawn mower blade support

    Part #736-0524B
    BEST SELLER
    This item is not returnable
    In Stock
    $5.39 | 
    16% OFF 
    Phone Price: $6.39
    Lawn & Garden Equipment Nut#52

    Lawn mower Diagram

    Lawn & garden equipment nut

    Part #712-04064
    BEST SELLER
    This item is not returnable
    In Stock
    $3.09 | 
    38% OFF 
    MSRP: $5.00
    Lawn Tractor Flange Nut#24

    Lawn mower Diagram

    Lawn tractor flange nut

    Part #712-04065
    BEST SELLER
    This item is not returnable
    In Stock
    $2.49 | 
    50% OFF 
    MSRP: $5.00
    Lawn Tractor Screw#31

    Lawn mower Diagram

    Lawn tractor screw

    Part #710-0599
    BEST SELLER
    This item is not returnable
    In Stock
    $2.69 | 
    49% OFF 
    MSRP: $5.30
    Lawn Mower Handle Knob#42

    Lawn mower Diagram

    Lawn mower handle knob

    Part #720-04072A
    BEST SELLER
    This item is not returnable
    In Stock
    $5.79 | 
    32% OFF 
    MSRP: $8.50
    Lawn Tractor Screw, 1/4-20 x 5/8-in#35

    Lawn mower Diagram

    Lawn tractor screw, 1/4-20 x 5/8-in

    Part #710-1652
    BEST SELLER
    This item is not returnable
    In Stock
    $5.29 | 
    16% OFF 
    Phone Price: $6.29
    Lawn Mower Discharge Chute Hinge Rod#22

    Lawn mower Diagram

    Hinge pin

    Part #747-0710
    Replaced by #747-0710A
    ?
    Manufacturer substitution
    This part replaces 747-0710. Substitute parts can look different from the original.
    BEST SELLER
    This item is not returnable
    In Stock
    $2.95 | 
    20% OFF 
    Was: $3.69
    Lawn Mower Height Adjuster Lever#29

    Lawn mower Diagram

    Lawn mower height adjuster lever

    Part #94832
    BEST SELLER
    This item is not returnable
    In Stock
    $16.19 | 
    11% OFF 
    Phone Price: $18.19
    Lawn Mower Wheel#27

    Lawn mower Diagram

    Lawn mower wheel

    Part #734-1987
    BEST SELLER
    In Stock
    $18.59 | 
    10% OFF 
    Phone Price: $20.59

    Symptoms for gas walk-behind mowers

    Choose a symptom to see related walk-behind mower repairs.

    Main causes: uneven wheel height settings, damaged wheel, dull or damaged cutting blade
    Main causes: damaged cutting blade, loose cutting blade, damaged flywheel key, engine needs tune up
    Main causes: dirty carburetor, bad spark plug, clogged air filter, engine choke problems, clogged gas cap vent
    Main causes: engine needs tune up, dirty or clogged carburetor, damaged flywheel key
    Main causes: drive control cable failure, worn or broken drive belt, bad transmission, broken drive wheel
    Main causes: stale gas, engine needs tune up, bad spark plug, dead battery, bad recoil starter, faulty safety switch, bad ignition coil

    Repair guides for gas walk-behind mowers

    These step-by-step repair guides will help you safely fix what’s broken on your walk-behind lawn mower.

    March 1, 2016
    By Lyle Weischwill
    How to replace a lawn mower blade

    Check your lawn mower blade regularly and replaced it if it's bent or damaged.

    Repair difficulty
    Time required
     15 minutes or less
    How to replace a lawn mower ignition coil on an OHV engine

    Replace the ignition coil if it isn't sending electric current to the spark plug when you pull the recoil starter rope.

    Repair difficulty
    Time required
     30 minutes or less
    How to replace a lawn mower flywheel key on a flathead engine

    When you hit a hard object with your mower, the flywheel can shear to protect more expensive components. Learn how to replace this tiny but essential part.

    Repair difficulty
    Time required
     45 minutes or less

    Articles and videos common to all walk-behind mowers

    Use the advice and tips in these articles and videos to get the most out of your walk-behind lawn mower.

    August 30, 2022

    How to enjoy all the online benefits we offer on our Sears PartsDirect website

    By Lyle Weischwill

    Learn about all the convenient features on our Sears PartsDirect website that make your parts purchases easier.

    August 5, 2022

    Introducing new technical repair content that we’re developing for the Sears Technical Institute

    By Lyle Weischwill

    Learn about Sears Technical Institute and the advanced technical content being developed for aspiring appliance techs.

    June 29, 2022

    Top questions about Sears and Sears PartsDirect

    By Lyle Weischwill

    Get answers to frequently asked questions about Sears and Sears PartsDirect.