Nikko
Toys & Games

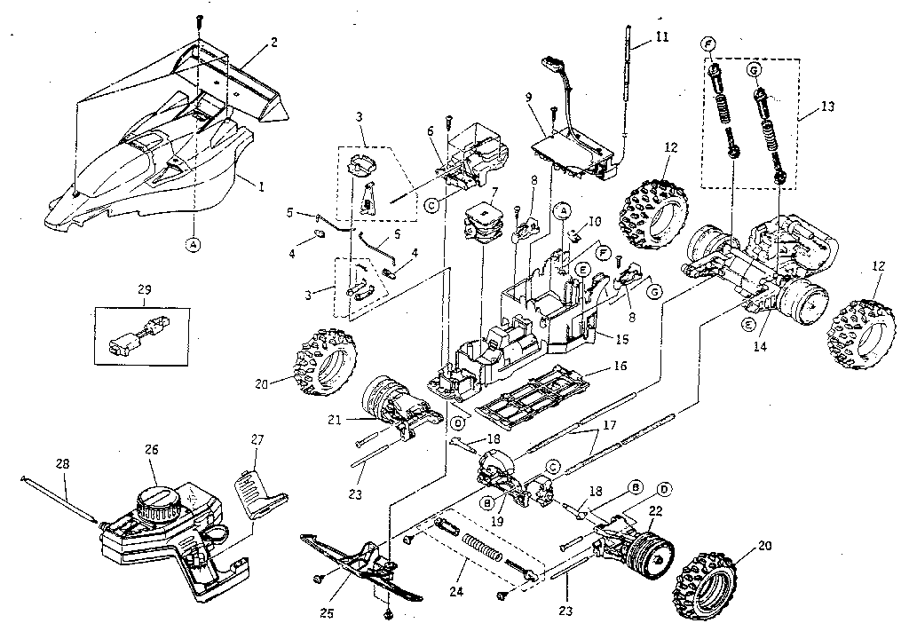
Model #12022 Official Nikko lobo magnum

Here are the diagrams and repair parts for Nikko 12022 lobo magnum, as well as links to manuals and error code tables, if available.

There are a couple of ways to find the part or diagram you need:

  • Click a diagram to see the parts shown on that diagram.
  • In the search box below, enter all or part of the part number or the part’s name.

Not all parts are shown on the diagrams—those parts are labeled NI, for “not illustrated”.

We encourage you to save the model to your profile, so it’s easy to access parts and manuals for your appliance whenever you log in.

For DIY troubleshooting advice and repair guides, visit our repair help section.

Showing 10 of 40 parts

Pcb Tx 27mhz#26B

Replacement parts Diagram

Pcb tx 27mhz

Part #600625

The manufacturer no longer makes this part, and there's no substitute part

Wing Purple#2

Replacement parts Diagram

Wing purple

Part #600631

The manufacturer no longer makes this part, and there's no substitute part

Xmittr 49mhz#26A

Replacement parts Diagram

Xmittr 49mhz

Part #600624

The manufacturer no longer makes this part, and there's no substitute part

7.2v Battery

#NI

All parts Diagram

7.2v battery

Part #54021

The manufacturer no longer makes this part, and there's no substitute part

Suspn Frnt R#21

Replacement parts Diagram

Suspn frnt r

Part #600647

The manufacturer no longer makes this part, and there's no substitute part

Shaft Swing#18

Replacement parts Diagram

Shaft swing

Part #600650

The manufacturer no longer makes this part, and there's no substitute part

Jack Adaptor#29

Replacement parts Diagram

Jack adaptor

Part #600657

The manufacturer no longer makes this part, and there's no substitute part

Body Purple#1

Replacement parts Diagram

Body purple

Part #600629

The manufacturer no longer makes this part, and there's no substitute part

Lid Bat Rcvr#16

Replacement parts Diagram

Lid bat rcvr

Part #600643

The manufacturer no longer makes this part, and there's no substitute part

Antenna#28

Replacement parts Diagram

Antenna

Part #600627

The manufacturer no longer makes this part, and there's no substitute part