Kenmore
Countertop Microwave

Model #99715 (1988) Official Kenmore countertop microwave

Here are the diagrams and repair parts for Kenmore 99715-1988 countertop microwave, as well as links to manuals and error code tables, if available.

There are a couple of ways to find the part or diagram you need:

  • Click a diagram to see the parts shown on that diagram.
  • In the search box below, enter all or part of the part number or the part’s name.

Not all parts are shown on the diagrams—those parts are labeled NI, for “not illustrated”.

We encourage you to save the model to your profile, so it’s easy to access parts and manuals for your appliance whenever you log in.

For DIY troubleshooting advice and repair guides, visit our repair help section.

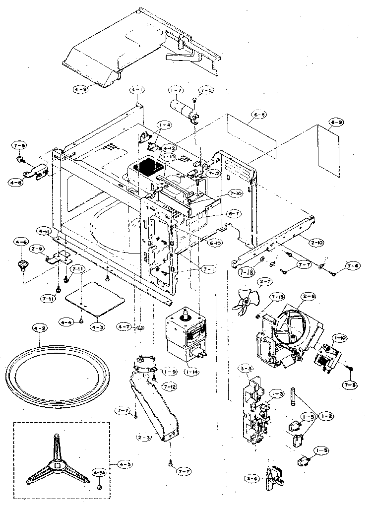
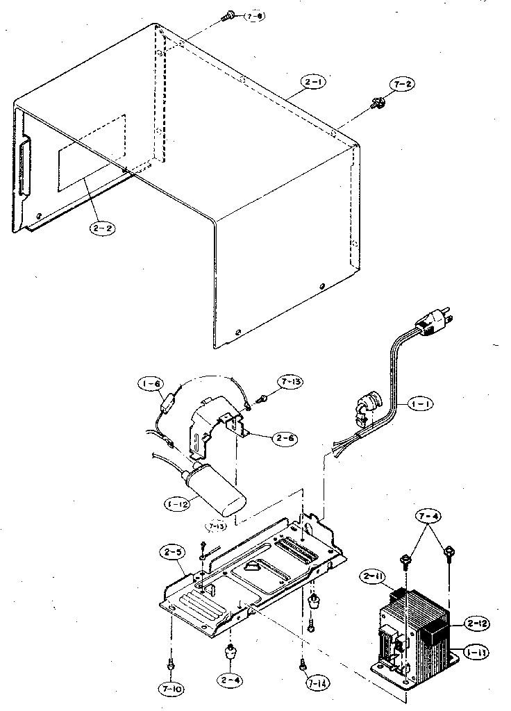
Showing 10 of 118 parts

Microwave Thermal Cut-Off

#113

All parts Diagram

Microwave thermal cut-off

Part #502110

The manufacturer no longer makes this part, and there's no substitute part

Screw

See All Related Diagrams

Screw

Part #501523

The manufacturer no longer makes this part, and there's no substitute part

Magnetron Cover

#16

All parts Diagram

Magnetron cover

Part #502149

The manufacturer no longer makes this part, and there's no substitute part

Connector 3p

#30

All parts Diagram

Connector 3p

Part #502132

The manufacturer no longer makes this part, and there's no substitute part

Choke Cover

#80

All parts Diagram

Choke cover

Part #501511

The manufacturer no longer makes this part, and there's no substitute part

Foot

#4

All parts Diagram

Foot

Part #501481

The manufacturer no longer makes this part, and there's no substitute part

Door Switch

#114

All parts Diagram

Door switch

Part #502111

The manufacturer no longer makes this part, and there's no substitute part

Nut

#108

All parts Diagram

Nut

Part #501603

The manufacturer no longer makes this part, and there's no substitute part

3.3k 1/4w

#58

All parts Diagram

3.3k 1/4w

Part #501728

The manufacturer no longer makes this part, and there's no substitute part

Tr Dtc114ea

#52

All parts Diagram

Tr dtc114ea

Part #502140

The manufacturer no longer makes this part, and there's no substitute part

Articles and videos common to all microwaves

November 12, 2022

5 Holiday Cleaning Tasks Essential to Boosting Your Home’s Image

Lyle Weischwill

Get tips on completing essential holiday cleaning tasks to brighten your home.

August 19, 2022

Are DIY appliance repairs safe?

Lyle Weischwill

Find out how to stay safe when repairing your appliances.

August 5, 2022

Introducing new technical repair content that we’re developing for the Sears Technical Institute

Lyle Weischwill

Learn about Sears Technical Institute and the advanced technical content being developed for aspiring appliance techs.