Samsung
Digital Camcorder

Model #SCD103 Official Samsung video camcorder

Here are the diagrams and repair parts for Samsung SCD103 video camcorder, as well as links to manuals and error code tables, if available.

There are a couple of ways to find the part or diagram you need:

  • Click a diagram to see the parts shown on that diagram.
  • In the search box below, enter all or part of the part number or the part’s name.

Not all parts are shown on the diagrams—those parts are labeled NI, for “not illustrated”.

We encourage you to save the model to your profile, so it’s easy to access parts and manuals for your appliance whenever you log in.

For DIY troubleshooting advice and repair guides, visit our repair help section.

Owner’s manual

Showing 10 of 123 parts

Lens Cover#NI

Chassis/evf assy Diagram

Lens cover

Part #AD97-08447A

The manufacturer no longer makes this part, and there's no substitute part

Cover#612

Cover housing/lcd Diagram

Cover

Part #AD63-00562A

The manufacturer no longer makes this part, and there's no substitute part

Case#631

Cover housing/lcd Diagram

Case

Part #AD61-01602A

The manufacturer no longer makes this part, and there's no substitute part

PCB Assembly#570

Cabinet left/right assy Diagram

Pcb assembly

Part #AD97-08407A

The manufacturer no longer makes this part, and there's no substitute part

Bracket#514

Cabinet left/right assy Diagram

Bracket

Part #AD61-01595A

The manufacturer no longer makes this part, and there's no substitute part

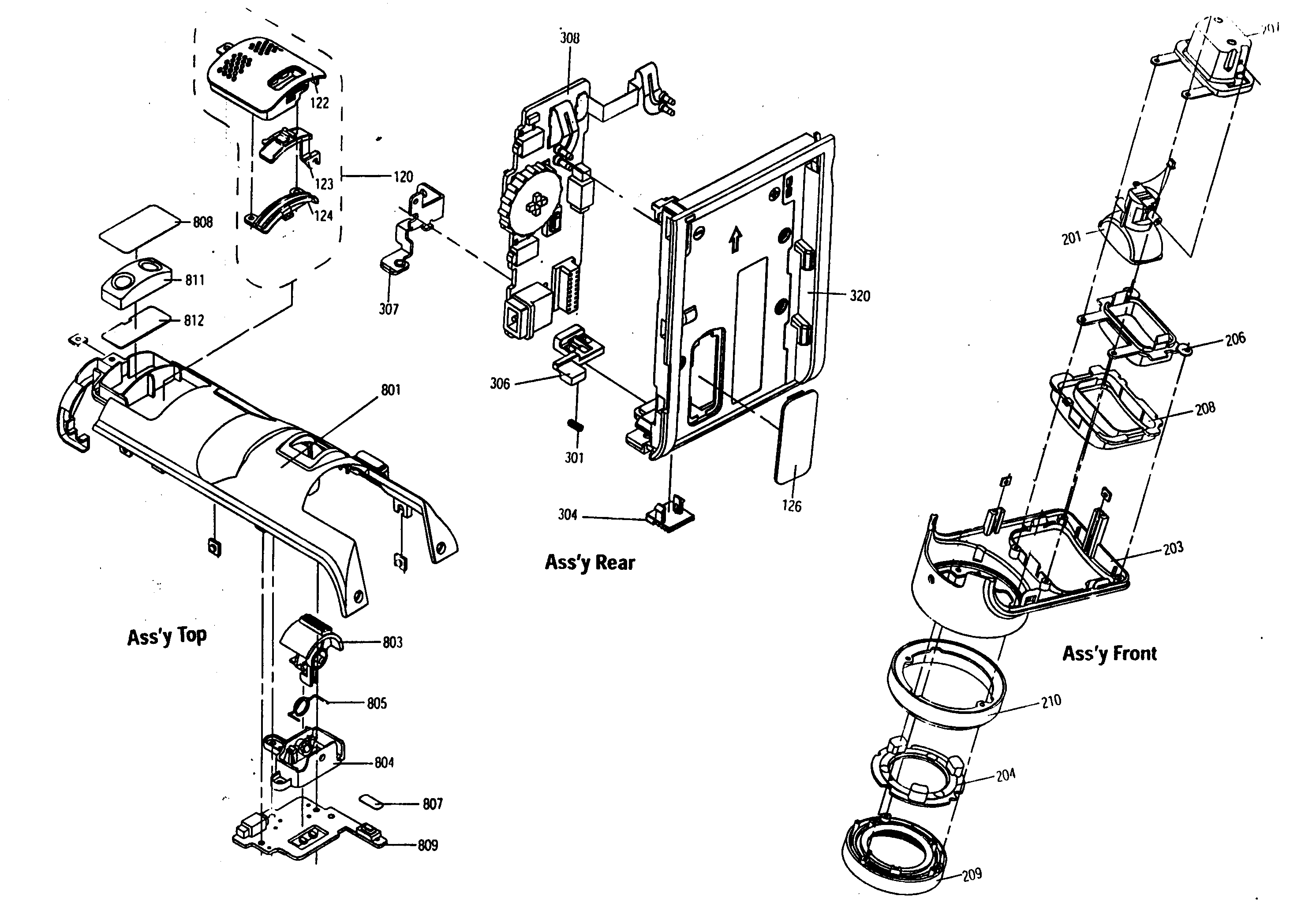
Grille Microphone#122

Top/rear/front assy Diagram

Grille microphone

Part #AD64-01153A

The manufacturer no longer makes this part, and there's no substitute part

Top Board#809

Top/rear/front assy Diagram

Top board

Part #AD97-08379A

The manufacturer no longer makes this part, and there's no substitute part

Knob#803

Top/rear/front assy Diagram

Knob

Part #AD64-01160A

The manufacturer no longer makes this part, and there's no substitute part

Case#618

Cover housing/lcd Diagram

Case

Part #AD61-01603A

The manufacturer no longer makes this part, and there's no substitute part

Bottomcase#702

Chassis/evf assy Diagram

Bottomcase

Part #AD61-01596A

The manufacturer no longer makes this part, and there's no substitute part