Canon
Digital Camcorder

Model #ZR300A Official Canon digital video camera

Here are the diagrams and repair parts for Canon ZR300A digital video camera, as well as links to manuals and error code tables, if available.

There are a couple of ways to find the part or diagram you need:

  • Click a diagram to see the parts shown on that diagram.
  • In the search box below, enter all or part of the part number or the part’s name.

Not all parts are shown on the diagrams—those parts are labeled NI, for “not illustrated”.

We encourage you to save the model to your profile, so it’s easy to access parts and manuals for your appliance whenever you log in.

For DIY troubleshooting advice and repair guides, visit our repair help section.

Showing 10 of 65 parts

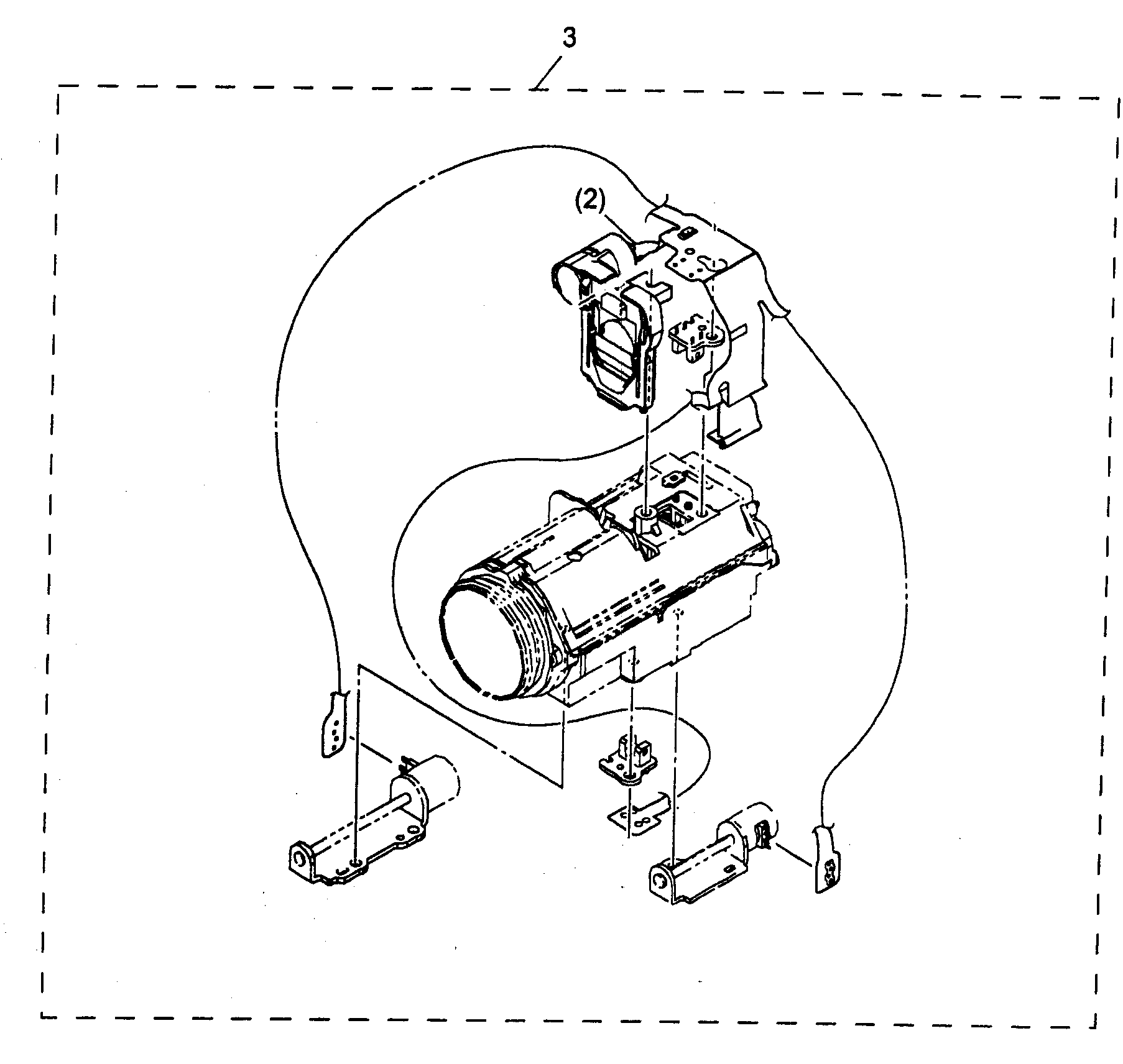
Lens Assembly#3

Lens unit Diagram

Lens assembly

Part #DG3-1172-000

The manufacturer no longer makes this part, and there's no substitute part

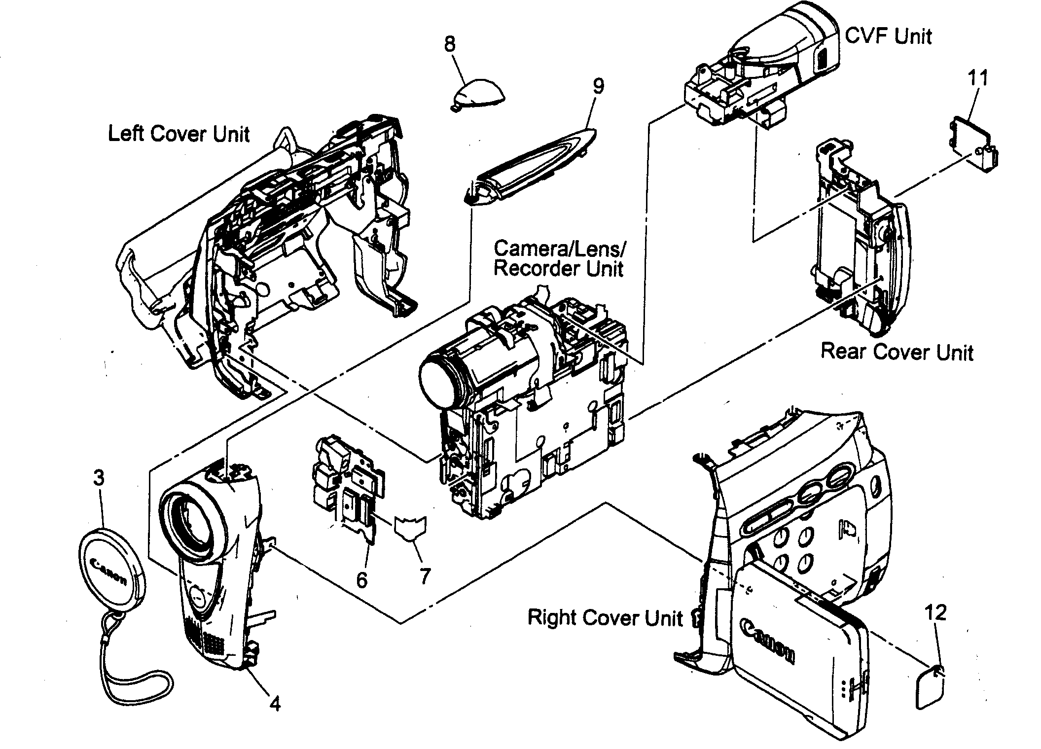
Cvf Pcb#5

Cvf unit Diagram

Cvf pcb

Part #DG3-0829-000

The manufacturer no longer makes this part, and there's no substitute part

Fpc, Cvf#4

Cvf unit Diagram

Fpc, cvf

Part #DH2-5321-000

The manufacturer no longer makes this part, and there's no substitute part

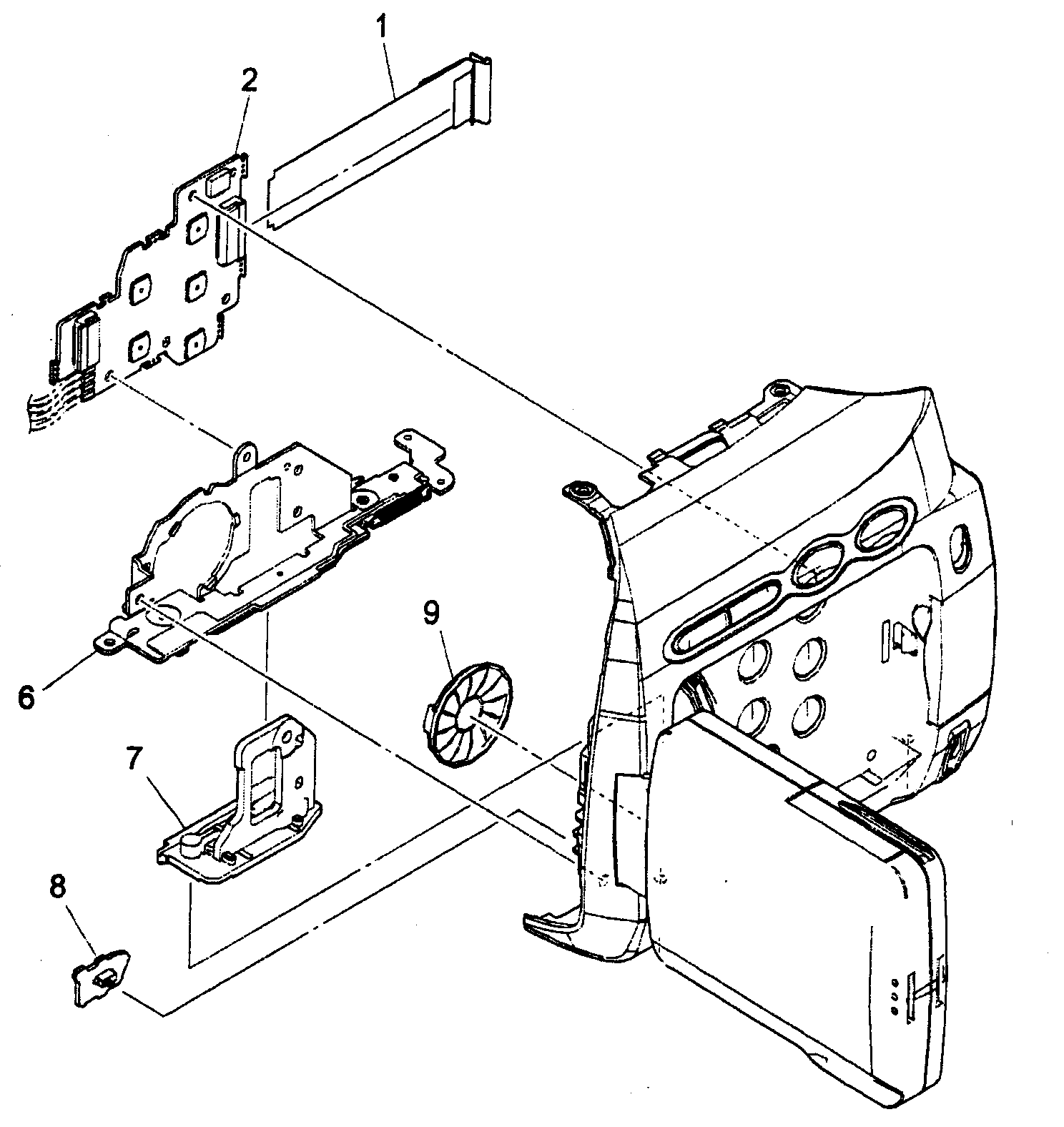
Cover Assembly#11

Casing parts Diagram

Cover assembly

Part #DA3-2459-000

The manufacturer no longer makes this part, and there's no substitute part

Jack PCB#6

Casing parts Diagram

Jack pcb

Part #DG3-0825-000

The manufacturer no longer makes this part, and there's no substitute part

Cover Camera View Finder#11

Cvf unit Diagram

Cover camera view finder

Part #DA3-2491-000

The manufacturer no longer makes this part, and there's no substitute part

Lcd Pcb#3

Lcd unit Diagram

Lcd pcb

Part #DG3-0827-000

The manufacturer no longer makes this part, and there's no substitute part

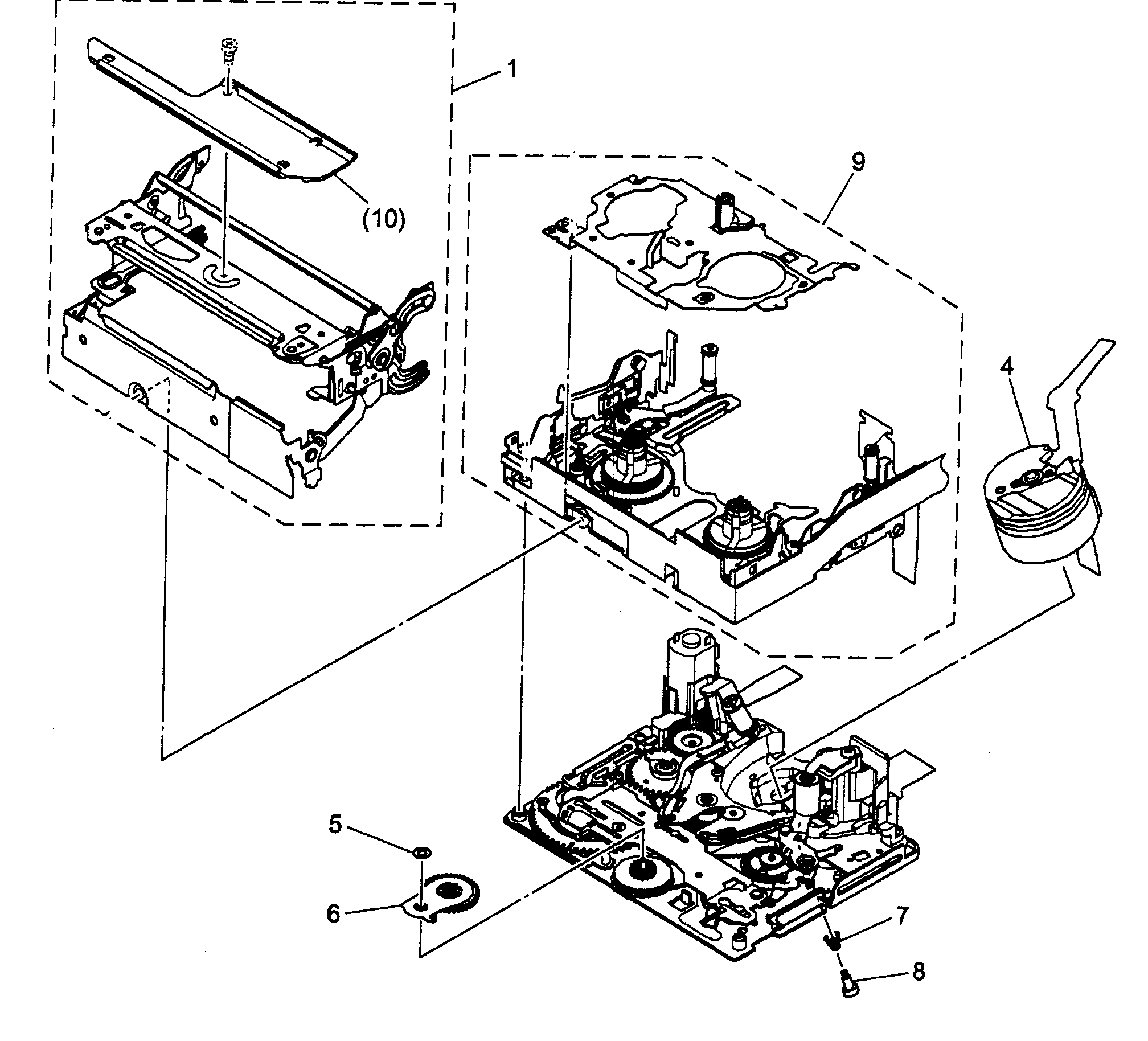
Drum Assembly#4

Mechanial chassis Diagram

Drum assembly

Part #DY1-8500-000

The manufacturer no longer makes this part, and there's no substitute part

Fpc, Lcd#13

Lcd unit Diagram

Fpc, lcd

Part #DG3-0838-000

The manufacturer no longer makes this part, and there's no substitute part

Plate#8

Casing parts Diagram

Plate

Part #DA3-2426-000

The manufacturer no longer makes this part, and there's no substitute part