Fridgette
Automotive

Model #BAR 5 Official Fridgette refrigerator

Here are the diagrams and repair parts for Fridgette BAR-5 refrigerator, as well as links to manuals and error code tables, if available.

There are a couple of ways to find the part or diagram you need:

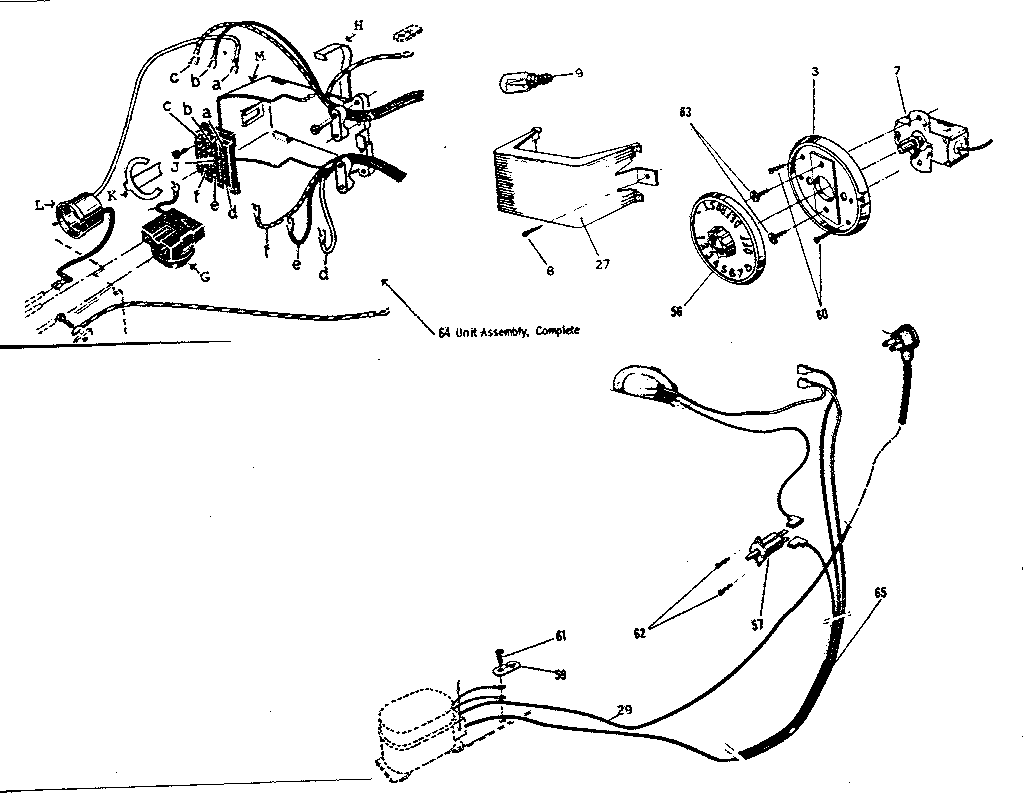
  • Click a diagram to see the parts shown on that diagram.
  • In the search box below, enter all or part of the part number or the part’s name.

Not all parts are shown on the diagrams—those parts are labeled NI, for “not illustrated”.

We encourage you to save the model to your profile, so it’s easy to access parts and manuals for your appliance whenever you log in.

For DIY troubleshooting advice and repair guides, visit our repair help section.

Showing 10 of 88 parts

Overload#64L

Controls Diagram

Overload

Part #102024-3

The manufacturer no longer makes this part, and there's no substitute part

Ice Tray

#NI

All parts Diagram

Ice tray

Part #106120-3

The manufacturer no longer makes this part, and there's no substitute part

Thermostat#7A

Controls Diagram

Thermostat

Part #143020-3

The manufacturer no longer makes this part, and there's no substitute part

Spacer#10

Cabinet and unit parts Diagram

Spacer

Part #107053-0

The manufacturer no longer makes this part, and there's no substitute part

Lamp#9

Controls Diagram

Lamp

Part #123036-3

The manufacturer no longer makes this part, and there's no substitute part

Hinge#46

Cabinet and unit parts Diagram

Hinge

Part #100032-0

The manufacturer no longer makes this part, and there's no substitute part

Screw#35

Cabinet and unit parts Diagram

Screw

Part #107085-0

The manufacturer no longer makes this part, and there's no substitute part

Frame#21

Cabinet and unit parts Diagram

Frame

Part #100415-0

The manufacturer no longer makes this part, and there's no substitute part

Lower Shelf#39

Cabinet and unit parts Diagram

Lower shelf

Part #107140-2

The manufacturer no longer makes this part, and there's no substitute part

Door Frame#69

Shelves and accessories Diagram

Door frame

Part #101411-0

The manufacturer no longer makes this part, and there's no substitute part