Craftsman
Walk-Behind Mower

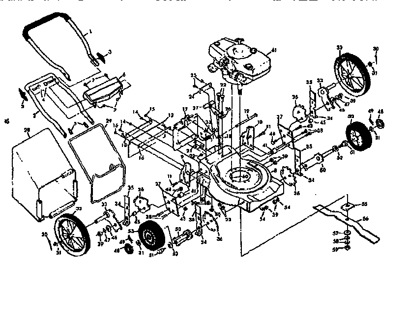
Model #131907902 Official Craftsman 20" rotary high wheel lawn mower

Here are the diagrams and repair parts for Craftsman 131907902 20" rotary high wheel lawn mower, as well as links to manuals and error code tables, if available.

There are a couple of ways to find the part or diagram you need:

  • Click a diagram to see the parts shown on that diagram.
  • In the search box below, enter all or part of the part number or the part’s name.

Not all parts are shown on the diagrams—those parts are labeled NI, for “not illustrated”.

We encourage you to save the model to your profile, so it’s easy to access parts and manuals for your appliance whenever you log in.

For DIY troubleshooting advice and repair guides, visit our repair help section.

Showing 10 of 63 parts

Lawn Mower 20-in Deck Blade#56

Replacement parts Diagram

Blade

Part #69229
Replaced by #145106
?
Manufacturer substitution
This part replaces 69229. Substitute parts can look different from the original.
BEST SELLER
This item is not returnable

Get free shipping with Automatic Reorder

In Stock
$13.39 | 
13% OFF 
Phone Price: $15.39
Lawn Mower Washer#31

Replacement parts Diagram

Washer

Part #52160
Replaced by #596040101
?
Manufacturer substitution
This part replaces 52160. Substitute parts can look different from the original.
BEST SELLER
This item is not returnable
In Stock
$2.16
Lock Nut, 1/4-20#23

Replacement parts Diagram

Lock nut, 1/4-20

Part #STD541425

The manufacturer no longer makes this part, and there's no substitute part

Bolt#40

Replacement parts Diagram

Bolt

Part #STD533112

The manufacturer no longer makes this part, and there's no substitute part

Wheel and Tire Assembly#53

Replacement parts Diagram

Wheel and tire assembly

Part #STD380234

The manufacturer no longer makes this part, and there's no substitute part

Cotter Pin#30

Replacement parts Diagram

Cotter pin

Part #69614

The manufacturer no longer makes this part, and there's no substitute part

Screw#15

Replacement parts Diagram

Screw

Part #73845

The manufacturer no longer makes this part, and there's no substitute part

Screw#25

Replacement parts Diagram

Screw

Part #STD601003

The manufacturer no longer makes this part, and there's no substitute part

Carriage Bolt#22

Replacement parts Diagram

Carriage bolt

Part #73383

The manufacturer no longer makes this part, and there's no substitute part

Carriage Bolt, 3/8-16 x 1-in#44

Replacement parts Diagram

Carriage bolt, 3/8-16 x 1-in

Part #STD533710

The manufacturer no longer makes this part, and there's no substitute part

Articles and videos common to all walk-behind mowers

February 11, 2023

Top 10 electric lawn and garden tools for 2023

By Lyle Weischwill

Learn about the top 10 must-have electric lawn & garden tools for 2023

August 30, 2022

How to enjoy all the online benefits we offer on our Sears PartsDirect website

By Lyle Weischwill

Learn about all the convenient features on our Sears PartsDirect website that make your parts purchases easier.

August 5, 2022

Introducing new technical repair content that we’re developing for the Sears Technical Institute

By Lyle Weischwill

Learn about Sears Technical Institute and the advanced technical content being developed for aspiring appliance techs.