Craftsman
Gas Walk-Behind Mower

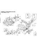
Model #917974320 Official Craftsman 22" power-propelled lawn mower

Here are the diagrams and repair parts for Craftsman 917974320 22" power-propelled lawn mower, as well as links to manuals and error code tables, if available.

There are a couple of ways to find the part or diagram you need:

  • Click a diagram to see the parts shown on that diagram.
  • In the search box below, enter all or part of the part number or the part’s name.

Not all parts are shown on the diagrams—those parts are labeled NI, for “not illustrated”.

We encourage you to save the model to your profile, so it’s easy to access parts and manuals for your appliance whenever you log in.

For DIY troubleshooting advice and repair guides, visit our repair help section.

    Showing 10 of 140 parts

    Lawn Mower 22-in Deck Mulching Blade

    See All Related Diagrams

    Blade

    Part #69334
    Replaced by #532406713
    ?
    Manufacturer substitution
    This part replaces 69334. Substitute parts can look different from the original.
    BEST SELLER

    Get free shipping with Automatic Reorder

    In Stock
    $13.19 | 
    34% OFF 
    MSRP: $20.00
    Lawn Tractor Hex Lock Nut#37

    Main frame Diagram

    Keps nut

    Part #STD541431
    Replaced by #596040501
    ?
    Manufacturer substitution
    This part replaces STD541431. Substitute parts can look different from the original.
    BEST SELLER
    This item is not returnable
    In Stock
    $2.16
    Lawn & Garden Equipment Self-Tapping Screw#39

    Drive assembly Diagram

    Screw

    Part #81276
    Replaced by #750634
    ?
    Manufacturer substitution
    This part replaces 81276. Substitute parts can look different from the original.
    This item is not returnable
    In Stock
    $3.79 | 
    21% OFF 
    Phone Price: $4.79
    Carriage Bolt, 5/16-18 x 3/4-in#36

    Main frame Diagram

    Carriage bolt, 5/16-18 x 3/4-in

    Part #STD533107

    The manufacturer no longer makes this part, and there's no substitute part

    Lawn Mower Height Adjuster Lever Spacer#49

    Main frame Diagram

    Spacer

    Part #84920
    Replaced by #532401629
    ?
    Manufacturer substitution
    This part replaces 84920. Substitute parts can look different from the original.
    This item is not returnable
    In Stock
    $3.09 | 
    24% OFF 
    Phone Price: $4.09
    Lawn & Garden Equipment Shoulder Bolt#51

    Main frame Diagram

    Shoulder bolt

    Part #84921
    Replaced by #532174719
    ?
    Manufacturer substitution
    This part replaces 84921. Substitute parts can look different from the original.
    This item is not returnable
    In Stock
    $4.19
    Lawn & Garden Equipment Washer#14

    Gear case assembly Diagram

    Lawn & garden equipment washer

    Part #57079
    This item is not returnable
    In Stock
    $3.09 | 
    24% OFF 
    Phone Price: $4.09
    Screw#2

    Battery Diagram

    Screw

    Part #650803
    Replaced by #650803
    ?
    Manufacturer substitution
    This part replaces 650803. Substitute parts can look different from the original.
    This item is not returnable
    In Stock
    $2.16
    Lawn Mower Height Adjuster Knob

    See All Related Diagrams

    Selector knob

    Part #77865
    Replaced by #532132800
    ?
    Manufacturer substitution
    This part replaces 77865. Substitute parts can look different from the original.
    This item is not returnable
    In Stock
    $2.91
    Lockwashr 10#41

    Drive assembly Diagram

    Lockwashr 10

    Part #81612

    The manufacturer no longer makes this part, and there's no substitute part

    Symptoms for gas walk-behind mowers

    Choose a symptom to see related walk-behind mower repairs.

    Main causes: uneven wheel height settings, damaged wheel, dull or damaged cutting blade
    Main causes: damaged cutting blade, loose cutting blade, damaged flywheel key, engine needs tune up
    Main causes: dirty carburetor, bad spark plug, clogged air filter, engine choke problems, clogged gas cap vent
    Main causes: engine needs tune up, dirty or clogged carburetor, damaged flywheel key
    Main causes: drive control cable failure, worn or broken drive belt, bad transmission, broken drive wheel
    Main causes: stale gas, engine needs tune up, bad spark plug, dead battery, bad recoil starter, faulty safety switch, bad ignition coil

    Repair guides for gas walk-behind mowers

    These step-by-step repair guides will help you safely fix what’s broken on your walk-behind lawn mower.

    March 1, 2016
    By Lyle Weischwill
    How to replace a lawn mower blade

    Check your lawn mower blade regularly and replaced it if it's bent or damaged.

    Repair difficulty
    Time required
     15 minutes or less
    How to replace a lawn mower ignition coil on an OHV engine

    Replace the ignition coil if it isn't sending electric current to the spark plug when you pull the recoil starter rope.

    Repair difficulty
    Time required
     30 minutes or less
    How to replace a lawn mower flywheel key on a flathead engine

    When you hit a hard object with your mower, the flywheel can shear to protect more expensive components. Learn how to replace this tiny but essential part.

    Repair difficulty
    Time required
     45 minutes or less

    Articles and videos common to all walk-behind mowers

    Use the advice and tips in these articles and videos to get the most out of your walk-behind lawn mower.

    August 30, 2022

    How to enjoy all the online benefits we offer on our Sears PartsDirect website

    By Lyle Weischwill

    Learn about all the convenient features on our Sears PartsDirect website that make your parts purchases easier.

    August 5, 2022

    Introducing new technical repair content that we’re developing for the Sears Technical Institute

    By Lyle Weischwill

    Learn about Sears Technical Institute and the advanced technical content being developed for aspiring appliance techs.

    June 29, 2022

    Top questions about Sears and Sears PartsDirect

    By Lyle Weischwill

    Get answers to frequently asked questions about Sears and Sears PartsDirect.