Weatherking
Central Air Conditioner

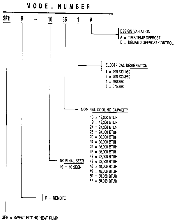
Model #SFHR-10-191B Official Weatherking remote heat pump

Here are the diagrams and repair parts for Weatherking SFHR-10-191B remote heat pump, as well as links to manuals and error code tables, if available.

There are a couple of ways to find the part or diagram you need:

  • Click a diagram to see the parts shown on that diagram.
  • In the search box below, enter all or part of the part number or the part’s name.

Not all parts are shown on the diagrams—those parts are labeled NI, for “not illustrated”.

We encourage you to save the model to your profile, so it’s easy to access parts and manuals for your appliance whenever you log in.

For DIY troubleshooting advice and repair guides, visit our repair help section.

Showing 10 of 49 parts

Pan Base#6

Replacement parts Diagram

Pan base

Part #AE-57742-10
In Stock
$35.49
Capacitor#17

Replacement parts Diagram

Capacitor

Part #43-17075-01
In Stock
$15.97
Fan Mtr Kit#11A

Replacement parts Diagram

Fan mtr kit

Part #AS-55306-02
In Stock
$23.18
Wire Grille#1D

Replacement parts Diagram

Wire grille

Part #95-22758-01
In Stock
$22.99
Timr Cntl

#NI

All parts Diagram

Timr cntl

Part #47-22288-04
In Stock
$95.82
Coil Cndnsr#7A

Replacement parts Diagram

Coil cndnsr

Part #AS-57801-53
In Stock
$262.49
Switch

#NI

All parts Diagram

Switch

Part #47-21144-01
In Stock
$48.58
Base Rail Sm#6A

Replacement parts Diagram

Base rail sm

Part #AE-57819-01
In Stock
$42.03
Mtg Brckt#22A

Replacement parts Diagram

Mtg brckt

Part #AE-57781-01
This item is not returnable
In Stock
$3.64
Dfrst Cnt Bd#13

Replacement parts Diagram

Dfrst cnt bd

Part #47-21517-04
In Stock
$131.99

Articles and videos common to all central air conditioners

November 30, 2022

2023 HVAC regulation changes and how they may affect you

By Lyle Weischwill

Find out how new DOE standards going into effect in 2023 can affect you and what you need to do.

October 24, 2022

Easy DIY appliance repairs that anyone can do

By Lyle Weischwill

Get advice on simple DIY fixes for appliances that you can safely do on your own.

August 5, 2022

Introducing new technical repair content that we’re developing for the Sears Technical Institute

By Lyle Weischwill

Learn about Sears Technical Institute and the advanced technical content being developed for aspiring appliance techs.