Proform
Weight Machine

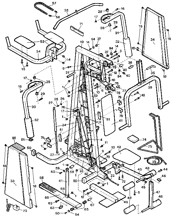
Model #PF200110 Official Proform edge 2001 cross training system

Here are the diagrams and repair parts for Proform PF200110 edge 2001 cross training system, as well as links to manuals and error code tables, if available.

There are a couple of ways to find the part or diagram you need:

  • Click a diagram to see the parts shown on that diagram.
  • In the search box below, enter all or part of the part number or the part’s name.

Not all parts are shown on the diagrams—those parts are labeled NI, for “not illustrated”.

We encourage you to save the model to your profile, so it’s easy to access parts and manuals for your appliance whenever you log in.

For DIY troubleshooting advice and repair guides, visit our repair help section.

Showing 10 of 91 parts

Exercise Equipment Snap Hook#56

Unit parts Diagram

Exercise equipment snap hook

Part #103087
This item is not returnable
In Stock
$4.19 | 
19% OFF 
Phone Price: $5.19
Nut,hex Nyl#17

Unit parts Diagram

Nut,hex nyl

Part #012082

The manufacturer no longer makes this part, and there's no substitute part

Base End Cap#81

Unit parts Diagram

Endcap,aux s

Part #103050
Replaced by #103833
?
Manufacturer substitution
This part replaces 103050. Substitute parts can look different from the original.
This item is not returnable
In Stock
$2.16
Exercise Equipment Screw#60

Unit parts Diagram

Exercise equipment screw

Part #013244
This item is not returnable
In Stock
$2.16
Exercise Equipment Bolt#11

Unit parts Diagram

Exercise equipment bolt

Part #104581
This item is not returnable
In Stock
$2.16
Wshr,flat,fe#64

Unit parts Diagram

Wshr,flat,fe

Part #014164
This item is not returnable
In Stock
$2.16
Exercise Equipment Flat Washer#26

Unit parts Diagram

Exercise equipment flat washer

Part #014041
This item is not returnable
In Stock
$2.16
End Cap#46

Unit parts Diagram

End cap

Part #104794
This item is not returnable
In Stock
$2.16
Exercise Equipment Bolt#16

Unit parts Diagram

Exercise equipment bolt

Part #013303
This item is not returnable
In Stock
$2.16
Cross Trainer Bolt#6

Unit parts Diagram

Cross trainer bolt

Part #013564
This item is not returnable
In Stock
$2.16

Articles and videos common to all fitness & exercise

June 29, 2022

Top questions about Sears and Sears PartsDirect

By Lyle Weischwill

Get answers to frequently asked questions about Sears and Sears PartsDirect.