Electrolux
Electric Cooktop

Model #EW36CC55GS3 Official Electrolux cooktop

Here are the diagrams and repair parts for Electrolux EW36CC55GS3 cooktop, as well as links to manuals and error code tables, if available.

There are a couple of ways to find the part or diagram you need:

  • Click a diagram to see the parts shown on that diagram.
  • In the search box below, enter all or part of the part number or the part’s name.

Not all parts are shown on the diagrams—those parts are labeled NI, for “not illustrated”.

We encourage you to save the model to your profile, so it’s easy to access parts and manuals for your appliance whenever you log in.

For DIY troubleshooting advice and repair guides, visit our repair help section.

Showing 10 of 79 parts

Range Dual Radiant Surface Element (replaces 316465002)#15A

Main top Diagram

Range dual radiant surface element

Part #316465001
Replaced by #316282000
?
Manufacturer substitution
This part replaces 316465001. Substitute parts can look different from the original.
BEST SELLER
In Stock
$152.09 | 
6% OFF 
Phone Price: $162.09
Range Terminal Block#62

Controls Diagram

Terminal block

Part #316056000
Replaced by #5304409888
?
Manufacturer substitution
This part replaces 316056000. Substitute parts can look different from the original.
BEST SELLER
In Stock
$9.09 | 
10% OFF 
Phone Price: $10.09
Range Induction Power Control Board (replaces 318347110, 7318347100)#2

Controls Diagram

In Stock
$853.40 | 
$10.00 OFF 
Phone Price: $863.40
Range Surface Element Spring#52

Main top Diagram

In Stock
$11.20
Range Screw#NI

Main top Diagram

Screw

Part #08016432
Replaced by #316519700
?
Manufacturer substitution
This part replaces 08016432. Substitute parts can look different from the original.
This item is not returnable
In Stock
$5.51
Range Noise Filter#52

Controls Diagram

Range noise filter

Part #318347010
In Stock
$636.30
Cooking Appliance Element Spacer#55

Main top Diagram

In Stock
$11.33
Range Nut#NI

Controls Diagram

Range nut

Part #5303323144
In Stock
$8.83
Cooktop Main Top (Black and Stainless)

See All Related Diagrams

In Stock
$497.97
Range Screw, 8 x 5/8-in#188

Main top Diagram

In Stock
$21.71

Symptoms common to all cooktops

Choose a symptom to see related cooktop repairs.

Main causes: lack of electrical power, gas supply failure, bad pressure regulator, control system failure

Repair guides for electric cooktops

How to replace a coil surface element on an electric cooktop

Easily replace a coil surface element in 15 minutes or less by following these step-by-step instructions.

Repair difficulty
Time required
 15 minutes or less
How to replace the glass top on an electric cooktop

Don't use a cracked or damage glass cooktop—replace it, using these instructions to guide you.

Repair difficulty
Time required
 30 minutes or less
How to replace a radiant element on an electric cooktop

Follow these step-by-step instructions to replace a damaged radiant element on your electric cooktop when the element won’t heat when it receives voltage from the control.

Repair difficulty
Time required
 45 minutes or less

Articles and videos common to all cooktops

Use the advice and tips in these articles and videos to get the most out of your cooktop.

November 12, 2022

5 Holiday Cleaning Tasks Essential to Boosting Your Home’s Image

Lyle Weischwill

Get tips on completing essential holiday cleaning tasks to brighten your home.

August 19, 2022

Are DIY appliance repairs safe?

Lyle Weischwill

Find out how to stay safe when repairing your appliances.

August 17, 2021

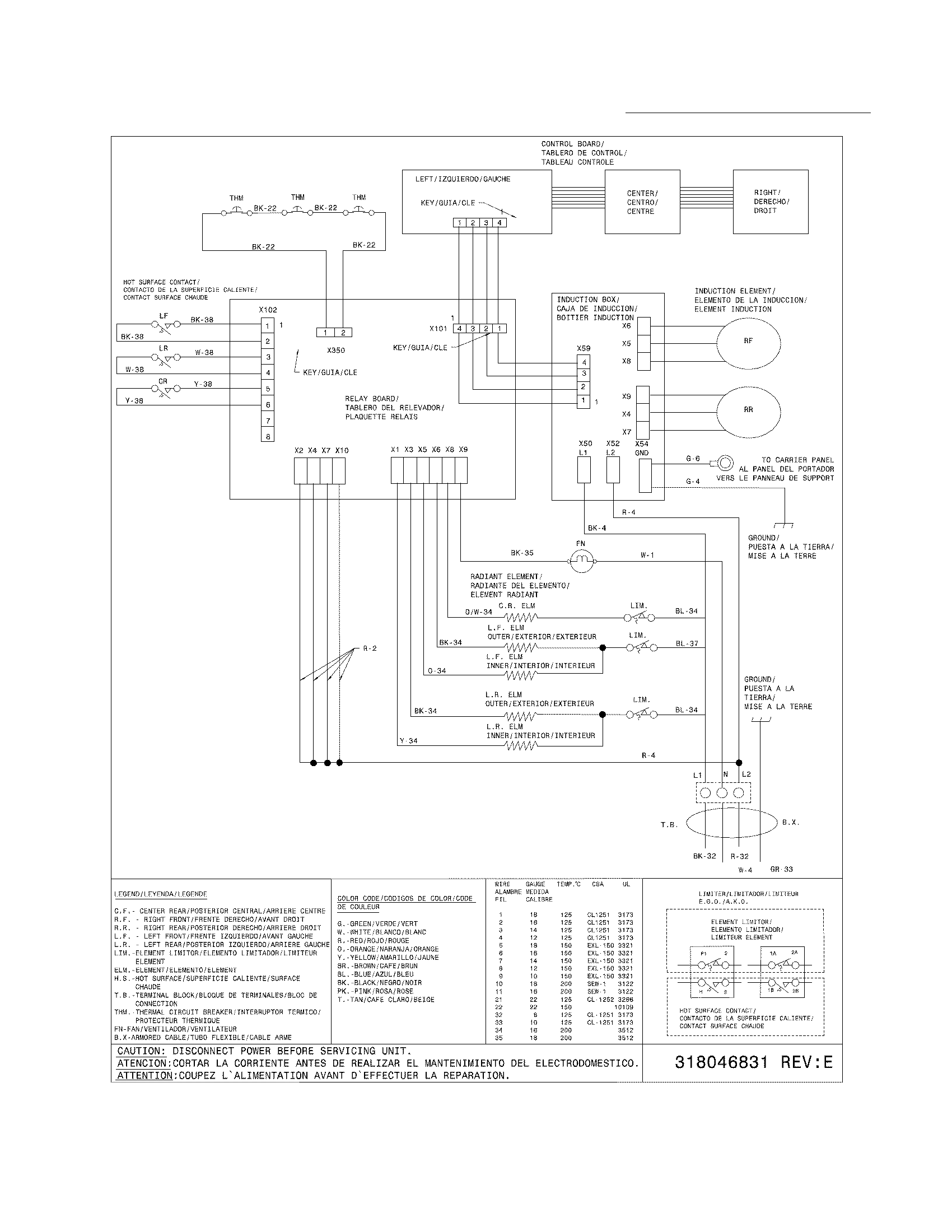
How to read a wiring schematic video

Lyle Weischwill

Learn how to decipher symbols so you can buy the right part for your problem.