Kenmore
Central Air Conditioner

Model #1068790518 Official Kenmore air conditioner

Here are the diagrams and repair parts for Kenmore 1068790518 air conditioner, as well as links to manuals and error code tables, if available.

There are a couple of ways to find the part or diagram you need:

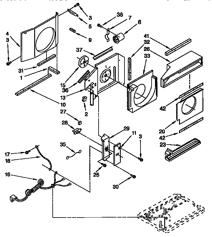
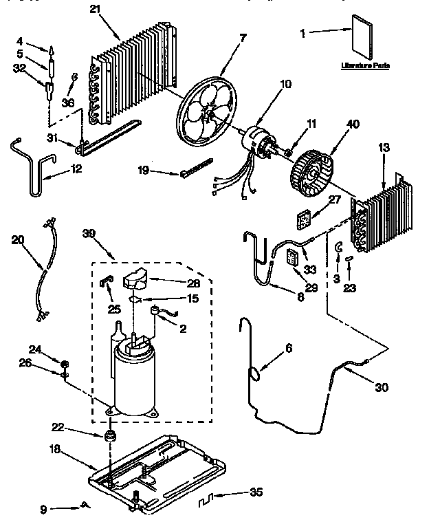
  • Click a diagram to see the parts shown on that diagram.
  • In the search box below, enter all or part of the part number or the part’s name.

Not all parts are shown on the diagrams—those parts are labeled NI, for “not illustrated”.

We encourage you to save the model to your profile, so it’s easy to access parts and manuals for your appliance whenever you log in.

For DIY troubleshooting advice and repair guides, visit our repair help section.

Showing 10 of 135 parts

Appliance Silicone Sealant (replaces 279368)#10

Optional parts (not included) Diagram

Cement

Part #279368
Replaced by #WP279368
?
Manufacturer substitution
This part replaces 279368. Substitute parts can look different from the original.
In Stock
$41.59 | 
11% OFF 
Phone Price: $46.59
Refrigerator Service Valve, 3/4-in#6G

Optional parts (not included) Diagram

Valve kit

Part #978030
Replaced by #978030
?
Manufacturer substitution
This part replaces 978030. Substitute parts can look different from the original.
In Stock
$40.49 | 
11% OFF 
Phone Price: $45.49
Refrigerator Service Valve#6B

Optional parts (not included) Diagram

Valve kit

Part #978025
Replaced by #WP978025
?
Manufacturer substitution
This part replaces 978025. Substitute parts can look different from the original.
In Stock
$18.97 | 
37% OFF 
MSRP: $30.00
Room Air Conditioner Outdoor Cover#14D

Optional parts (not included) Diagram

In Stock
$54.49 | 
8% OFF 
Phone Price: $59.49
Cover#14A

Optional parts (not included) Diagram

Cover

Part #484066
In Stock
$80.00
Room Air Conditioner Compressor Overload Protector#2B

Unit parts Diagram

Overload

Part #1161170
Replaced by #WP1161170
?
Manufacturer substitution
This part replaces 1161170. Substitute parts can look different from the original.
In Stock
$43.09
Room Air Conditioner Foam Seal#14

Cabinet parts Diagram

Seal

Part #949090
Replaced by #WP854334
?
Manufacturer substitution
This part replaces 949090. Substitute parts can look different from the original.
In Stock
$9.99 | 
9% OFF 
Phone Price: $10.99
Refrigerator Vinyl Tape#3

Optional parts (not included) Diagram

Tape

Part #479502
Replaced by #W11238399
?
Manufacturer substitution
This part replaces 479502. Substitute parts can look different from the original.
In Stock
$55.36
Refrigerator Permagum Sealer#20

Installation parts Diagram

Capacitor

Part #470168
Replaced by #212643
?
Manufacturer substitution
This part replaces 470168. Substitute parts can look different from the original.
This item is not returnable
In Stock
$50.09 | 
9% OFF 
Phone Price: $55.09
Dishwasher Screw#13

Installation parts Diagram

Screw

Part #488017
Replaced by #WP965173
?
Manufacturer substitution
This part replaces 488017. Substitute parts can look different from the original.
This item is not returnable
In Stock
$5.85

Articles and videos common to all central air conditioners

October 24, 2022

Easy DIY appliance repairs that anyone can do

Lyle Weischwill

Get advice on simple DIY fixes for appliances that you can safely do on your own.

August 5, 2022

Introducing new technical repair content that we’re developing for the Sears Technical Institute

Lyle Weischwill

Learn about Sears Technical Institute and the advanced technical content being developed for aspiring appliance techs.

June 29, 2022

Top questions about Sears and Sears PartsDirect

Lyle Weischwill

Get answers to frequently asked questions about Sears and Sears PartsDirect.