Coleman
Generator

Model #PM0545303 Official Coleman generator

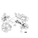
Here are the diagrams and repair parts for Coleman PM0545303 generator, as well as links to manuals and error code tables, if available.

There are a couple of ways to find the part or diagram you need:

  • Click a diagram to see the parts shown on that diagram.
  • In the search box below, enter all or part of the part number or the part’s name.

Not all parts are shown on the diagrams—those parts are labeled NI, for “not illustrated”.

We encourage you to save the model to your profile, so it’s easy to access parts and manuals for your appliance whenever you log in.

For DIY troubleshooting advice and repair guides, visit our repair help section.

    Showing 10 of 55 parts

    Engi Adapter#2

    Generator Diagram

    Engi adapter

    Part #0050236.01

    The manufacturer no longer makes this part, and there's no substitute part

    Switch#40C

    Generator Diagram

    Switch

    Part #0047776

    The manufacturer no longer makes this part, and there's no substitute part

    Brkt,stato#21

    Generator Diagram

    Brkt,stato

    Part #0049693

    The manufacturer no longer makes this part, and there's no substitute part

    End Shield#10G

    Generator Diagram

    End shield

    Part #0051080

    The manufacturer no longer makes this part, and there's no substitute part

    CORD, ASSEMBLY (PM0545303, PM0545323)#40G

    Generator Diagram

    Cord, assembly (pm0545303, pm0545323)

    Part #0050515

    The manufacturer no longer makes this part, and there's no substitute part

    PANEL, WIRED COMPLETE ER+ (PM0544502)#40E

    Generator Diagram

    Panel, wired complete er+ (pm0544502)

    Part #0050459

    The manufacturer no longer makes this part, and there's no substitute part

    Rotor#4

    Generator Diagram

    Rotor

    Part #0049679

    The manufacturer no longer makes this part, and there's no substitute part

    STRAIN RELIEF, HEYCO 3213 (PM0545303, PM0545323)#40D

    Generator Diagram

    Strain relief, heyco 3213 (pm0545303, pm0545323)

    Part #0048900

    The manufacturer no longer makes this part, and there's no substitute part

    Switch#45A

    Generator Diagram

    Switch

    Part #0030148

    The manufacturer no longer makes this part, and there's no substitute part

    PANEL, WIRED COMPLETE ER+ (PM0544302.01)#40B

    Generator Diagram

    Panel, wired complete er+ (pm0544302.01)

    Part #0050001.01

    The manufacturer no longer makes this part, and there's no substitute part