Ryobi
Bench Grinder

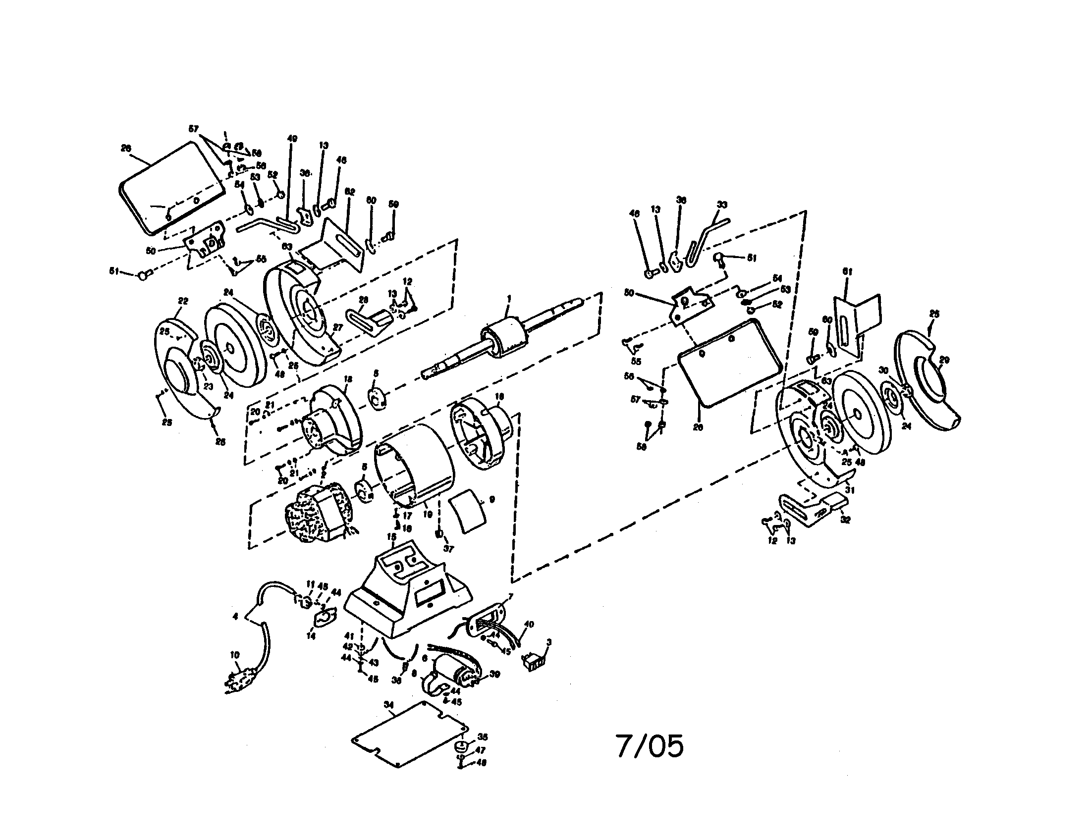
Model #BG800 Official Ryobi bench grinder

Here are the diagrams and repair parts for Ryobi BG800 bench grinder, as well as links to manuals and error code tables, if available.

There are a couple of ways to find the part or diagram you need:

  • Click a diagram to see the parts shown on that diagram.
  • In the search box below, enter all or part of the part number or the part’s name.

Not all parts are shown on the diagrams—those parts are labeled NI, for “not illustrated”.

We encourage you to save the model to your profile, so it’s easy to access parts and manuals for your appliance whenever you log in.

For DIY troubleshooting advice and repair guides, visit our repair help section.

Showing 10 of 73 parts

Lock Washer#53

Bench grinder Diagram

Lock washer

Part #4900067

The manufacturer no longer makes this part, and there's no substitute part

LEFT WHEEL GUARD#27A

Bench grinder Diagram

Left wheel guard

Part #4880034

The manufacturer no longer makes this part, and there's no substitute part

Right Tool Rest#32

Bench grinder Diagram

Right tool rest

Part #4960023

The manufacturer no longer makes this part, and there's no substitute part

FOOT SCREW (4)#48

Bench grinder Diagram

Foot screw (4)

Part #4130216

The manufacturer no longer makes this part, and there's no substitute part

LEFT SPARK GUARD#62

Bench grinder Diagram

Left spark guard

Part #4150019

The manufacturer no longer makes this part, and there's no substitute part

Screw, 4-pack#51

Bench grinder Diagram

Screw, 4-pack

Part #4130217

The manufacturer no longer makes this part, and there's no substitute part

FINE GRINDING WHEEL#65

Bench grinder Diagram

Fine grinding wheel

Part #4700000

The manufacturer no longer makes this part, and there's no substitute part

Washer, 2-pack#54

Bench grinder Diagram

Washer, 2-pack

Part #4900068

The manufacturer no longer makes this part, and there's no substitute part

Screw#20

Bench grinder Diagram

Screw

Part #4130210

The manufacturer no longer makes this part, and there's no substitute part

Eye Shield#26A

Bench grinder Diagram

Eye shield

Part #4360003

The manufacturer no longer makes this part, and there's no substitute part