Amana
Countertop Microwave

Model #M86P/P7814402M Official Amana microwave

Here are the diagrams and repair parts for Amana M86P-P7814402M microwave, as well as links to manuals and error code tables, if available.

There are a couple of ways to find the part or diagram you need:

  • Click a diagram to see the parts shown on that diagram.
  • In the search box below, enter all or part of the part number or the part’s name.

Not all parts are shown on the diagrams—those parts are labeled NI, for “not illustrated”.

We encourage you to save the model to your profile, so it’s easy to access parts and manuals for your appliance whenever you log in.

For DIY troubleshooting advice and repair guides, visit our repair help section.

Showing 10 of 92 parts

Capacitor-.8#11

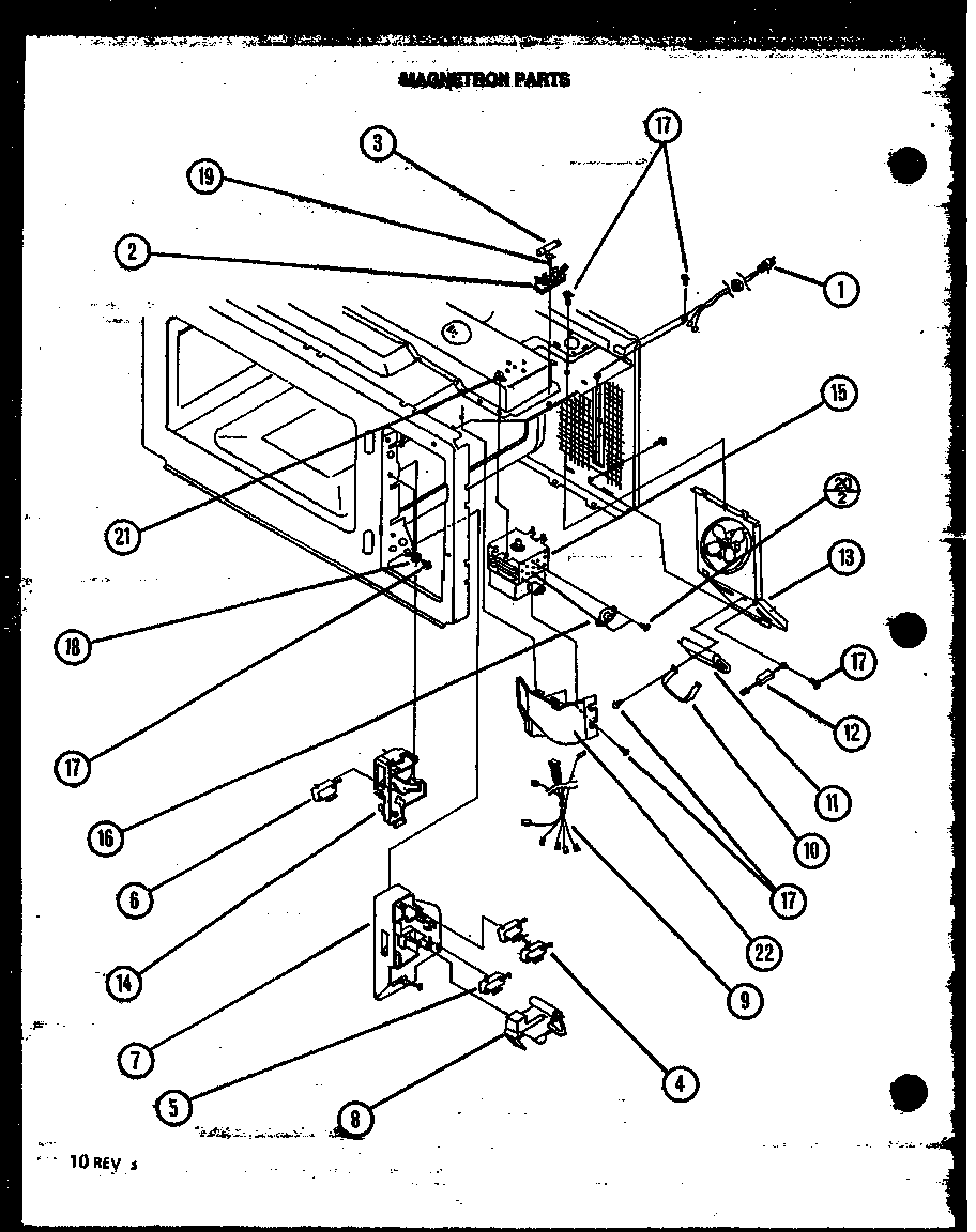
Magnetron parts Diagram

Capacitor

Part #R0811504
Replaced by #59001649
?
Manufacturer substitution
This part replaces R0811504. Substitute parts can look different from the original.
In Stock
$31.49
Fuse#3

Magnetron parts Diagram

Fuse

Part #R0809507

The manufacturer no longer makes this part, and there's no substitute part

Microwave Rectifier#12

Magnetron parts Diagram

Diode

Part #R0809508
Replaced by #WP13091701
?
Manufacturer substitution
This part replaces R0809508. Substitute parts can look different from the original.
In Stock
$25.29 | 
17% OFF 
Phone Price: $30.29
Hex Screw#8A

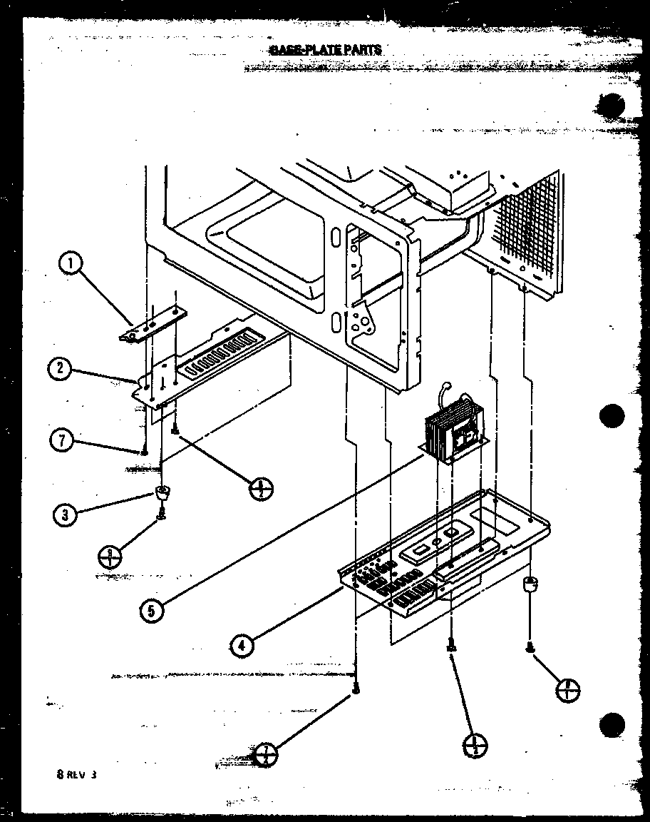
Base-plate parts Diagram

Hex screw

Part #R0800047

The manufacturer no longer makes this part, and there's no substitute part

Screw

See All Related Diagrams

Screw

Part #R0800053

The manufacturer no longer makes this part, and there's no substitute part

Hinge#5

Door parts Diagram

Hinge

Part #R0805589

The manufacturer no longer makes this part, and there's no substitute part

Door#11

Door parts Diagram

Door

Part #R0805594

The manufacturer no longer makes this part, and there's no substitute part

Bracket#4

Control parts Diagram

Bracket

Part #R0805584

The manufacturer no longer makes this part, and there's no substitute part

Door Film#12

Door parts Diagram

Door film

Part #R0803553

The manufacturer no longer makes this part, and there's no substitute part

PC Board#5B

Control parts Diagram

Pc board

Part #R0163189

The manufacturer no longer makes this part, and there's no substitute part

Articles and videos common to all microwaves

November 12, 2022

5 Holiday Cleaning Tasks Essential to Boosting Your Home’s Image

Lyle Weischwill

Get tips on completing essential holiday cleaning tasks to brighten your home.

August 19, 2022

Are DIY appliance repairs safe?

Lyle Weischwill

Find out how to stay safe when repairing your appliances.

August 5, 2022

Introducing new technical repair content that we’re developing for the Sears Technical Institute

Lyle Weischwill

Learn about Sears Technical Institute and the advanced technical content being developed for aspiring appliance techs.