Panasonic
Compact Stereo System

Model #SA-AK410P Official Panasonic stereo cd system

Here are the diagrams and repair parts for Panasonic SA-AK410P stereo cd system, as well as links to manuals and error code tables, if available.

There are a couple of ways to find the part or diagram you need:

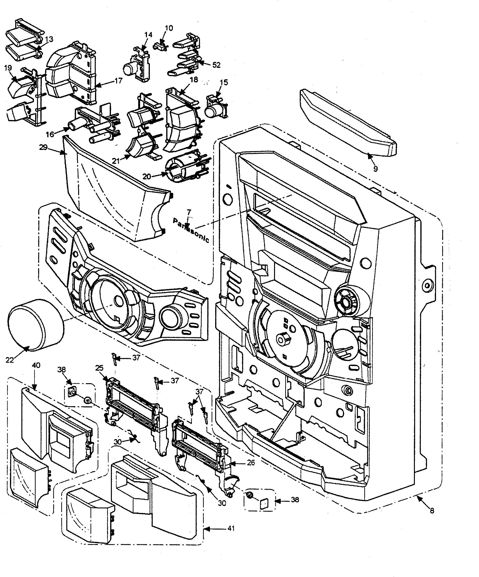
  • Click a diagram to see the parts shown on that diagram.
  • In the search box below, enter all or part of the part number or the part’s name.

Not all parts are shown on the diagrams—those parts are labeled NI, for “not illustrated”.

We encourage you to save the model to your profile, so it’s easy to access parts and manuals for your appliance whenever you log in.

For DIY troubleshooting advice and repair guides, visit our repair help section.

Showing 10 of 94 parts

Belt#NI

Cabinet parts Diagram

Belt

Part #RDV0056

The manufacturer no longer makes this part, and there's no substitute part

Remote Sensor#NI

Cabinet parts Diagram

Remote sensor

Part #B3RAB0000025

The manufacturer no longer makes this part, and there's no substitute part

Deck Mech#NI

Cabinet parts Diagram

Deck mech

Part #REPX0321A

The manufacturer no longer makes this part, and there's no substitute part

Ic 1.8vreg#NI

Cabinet parts Diagram

Ic 1.8vreg

Part #C0CBAAC00112

The manufacturer no longer makes this part, and there's no substitute part

Protector#NI

Cabinet parts Diagram

Protector

Part #K5G402AA0002

The manufacturer no longer makes this part, and there's no substitute part

Cover#NI

Cabinet parts Diagram

Cover

Part #UR64EC2337F

The manufacturer no longer makes this part, and there's no substitute part

Transistor#NI

Cabinet parts Diagram

Transistor

Part #B1AAGC000007

The manufacturer no longer makes this part, and there's no substitute part

Integrated Circuit#NI

Cabinet parts Diagram

Integrated circuit

Part #BR93LC46FE2

The manufacturer no longer makes this part, and there's no substitute part

Spring#37

Cabinet parts Diagram

Spring

Part #RUS757ZAA

The manufacturer no longer makes this part, and there's no substitute part

Vr,volume#NI

Cabinet parts Diagram

Vr,volume

Part #EVEKE2F3524M

The manufacturer no longer makes this part, and there's no substitute part