Panasonic
Digital Camcorder

Model #VDR-D210P Official Panasonic digital camcorder

Here are the diagrams and repair parts for Panasonic VDR-D210P digital camcorder, as well as links to manuals and error code tables, if available.

There are a couple of ways to find the part or diagram you need:

  • Click a diagram to see the parts shown on that diagram.
  • In the search box below, enter all or part of the part number or the part’s name.

Not all parts are shown on the diagrams—those parts are labeled NI, for “not illustrated”.

We encourage you to save the model to your profile, so it’s easy to access parts and manuals for your appliance whenever you log in.

For DIY troubleshooting advice and repair guides, visit our repair help section.

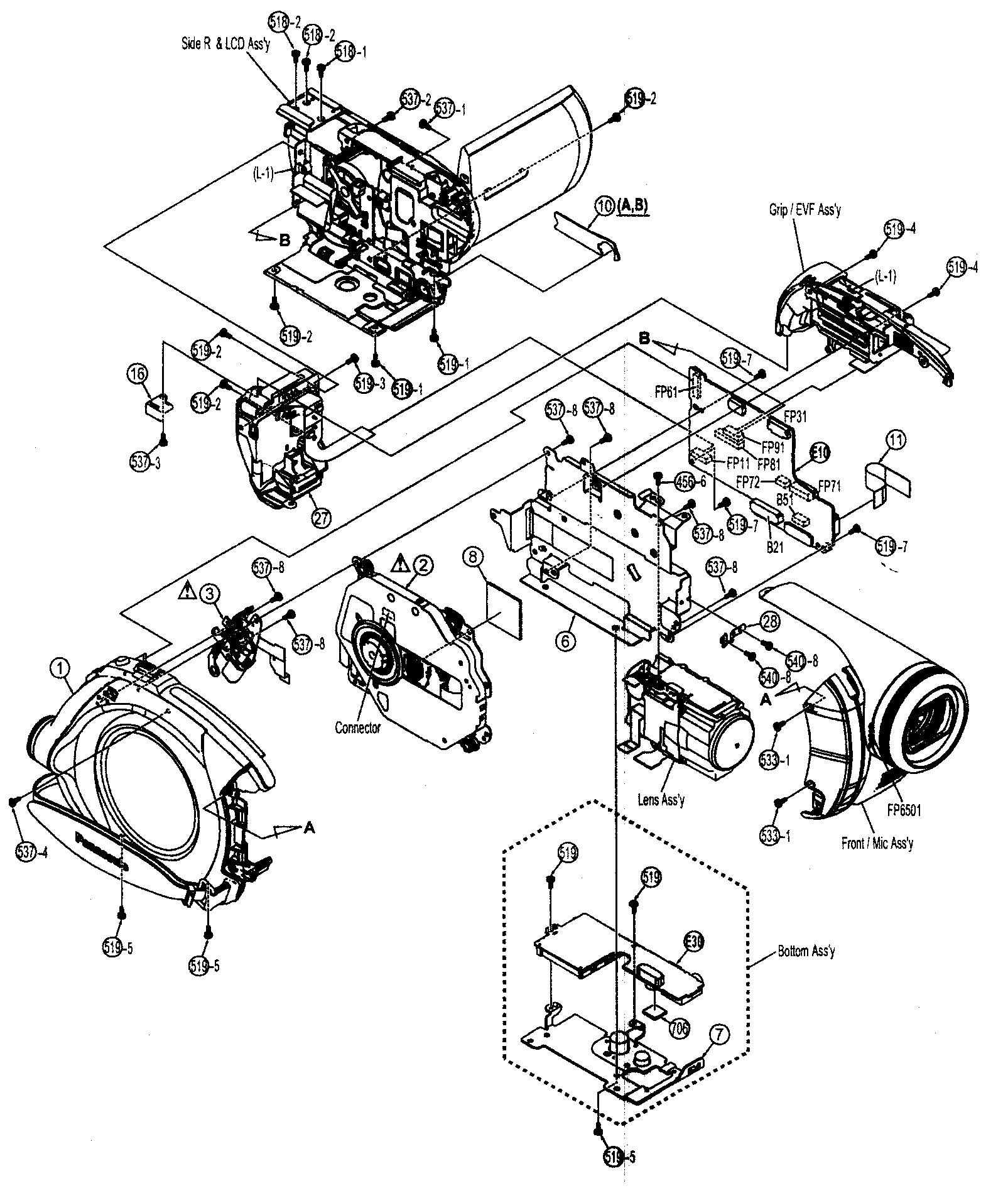
Showing 10 of 55 parts

PCB Assembly#E30

Cabinet parts Diagram

Pcb assembly

Part #LSEP8376C1

The manufacturer no longer makes this part, and there's no substitute part

Connector#NI

Cabinet parts Diagram

Connector

Part #K1MN16A00077

The manufacturer no longer makes this part, and there's no substitute part

A/v Socket#NI

Cabinet parts Diagram

A/v socket

Part #K2HC107B0003

The manufacturer no longer makes this part, and there's no substitute part

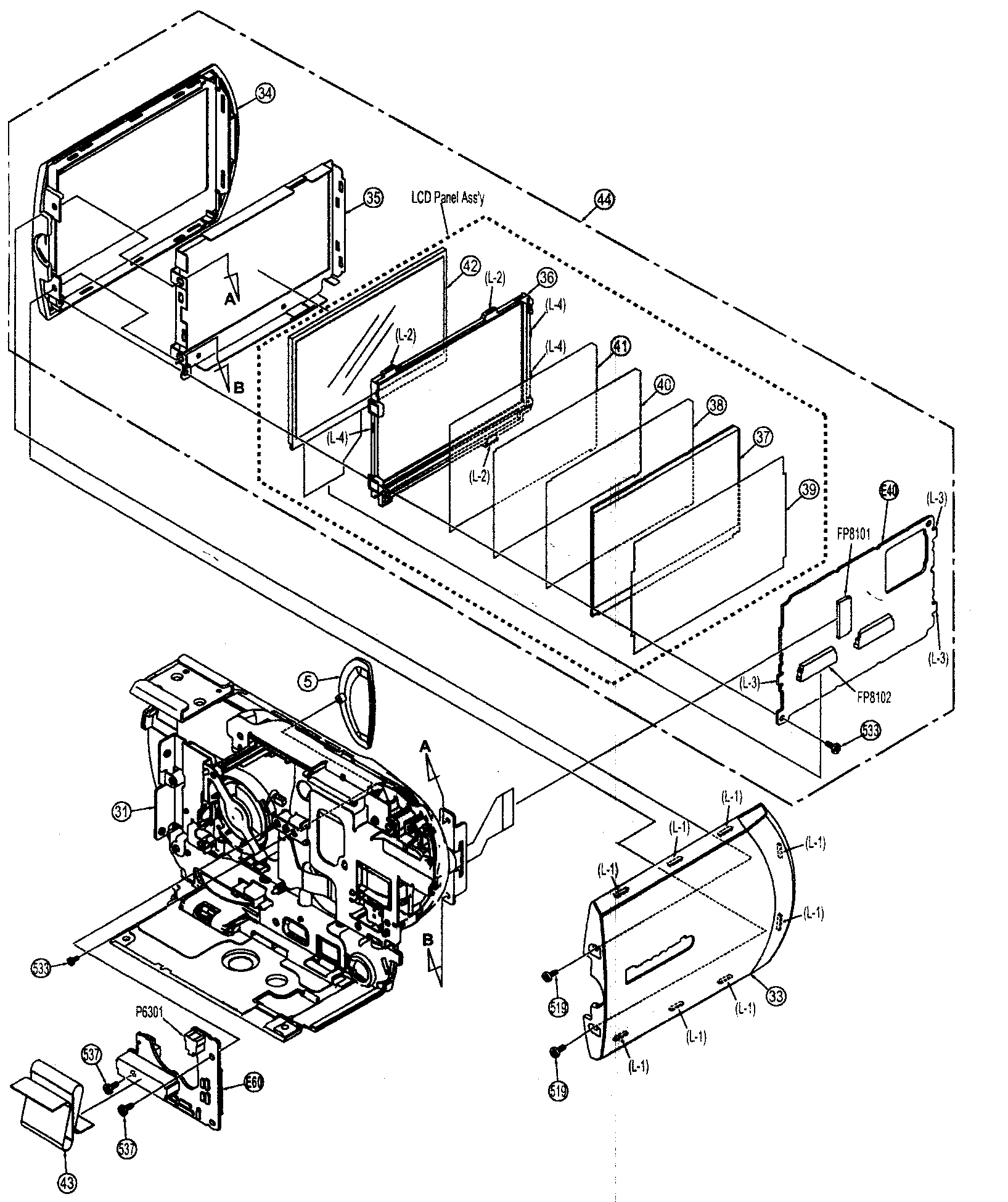
Side R Pcb#E60

Lcd assy Diagram

Side r pcb

Part #LSEP8377A1

The manufacturer no longer makes this part, and there's no substitute part

PCB Assembly#E10

Cabinet parts Diagram

Pcb assembly

Part #LSEP8374B1

The manufacturer no longer makes this part, and there's no substitute part

Flex Cable#11

Cabinet parts Diagram

Flex cable

Part #LSJB8384

The manufacturer no longer makes this part, and there's no substitute part

Lcd Case#44

Lcd assy Diagram

Lcd case

Part #LSYK1964

The manufacturer no longer makes this part, and there's no substitute part

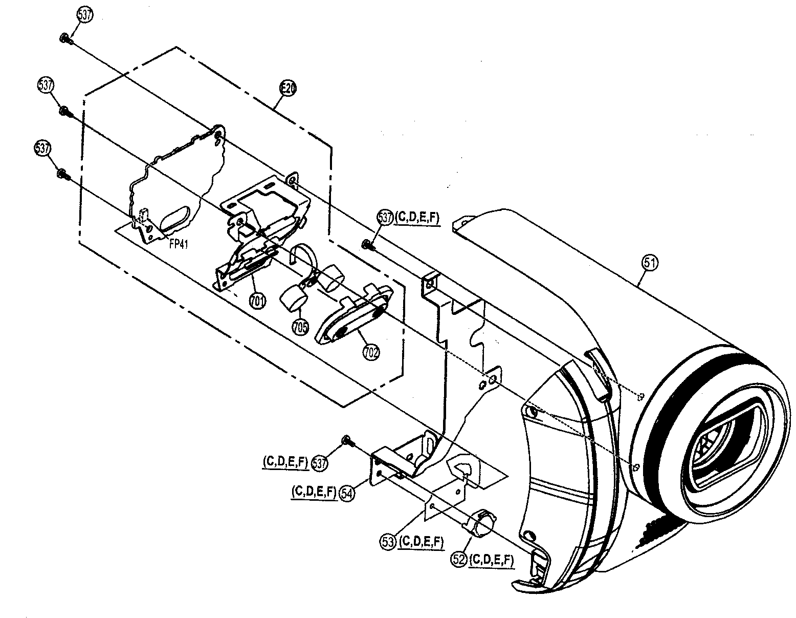
Device Microphone#705

Lens assy Diagram

Device microphone

Part #LSEK0695

The manufacturer no longer makes this part, and there's no substitute part

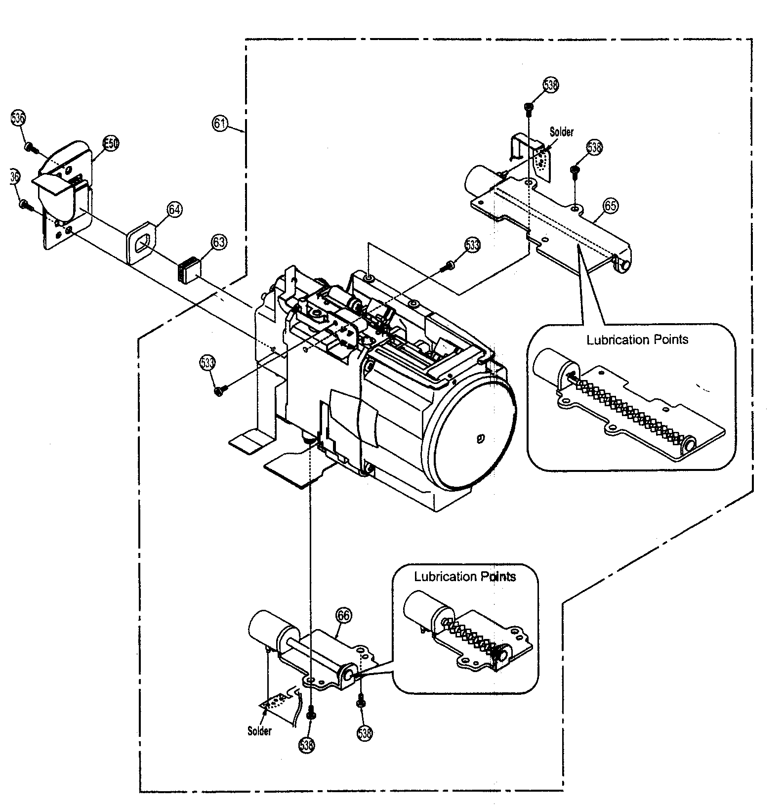
Filter#64

Opt block Diagram

Filter

Part #LSMX0230

The manufacturer no longer makes this part, and there's no substitute part

Ccd Pcb#E50

Opt block Diagram

Ccd pcb

Part #LSEQ0832

The manufacturer no longer makes this part, and there's no substitute part