Samsung
Digital Camcorder

Model #HMX-S16BN/XAA Official Samsung digital camcorder

Here are the diagrams and repair parts for Samsung HMX-S16BN-XAA digital camcorder, as well as links to manuals and error code tables, if available.

There are a couple of ways to find the part or diagram you need:

  • Click a diagram to see the parts shown on that diagram.
  • In the search box below, enter all or part of the part number or the part’s name.

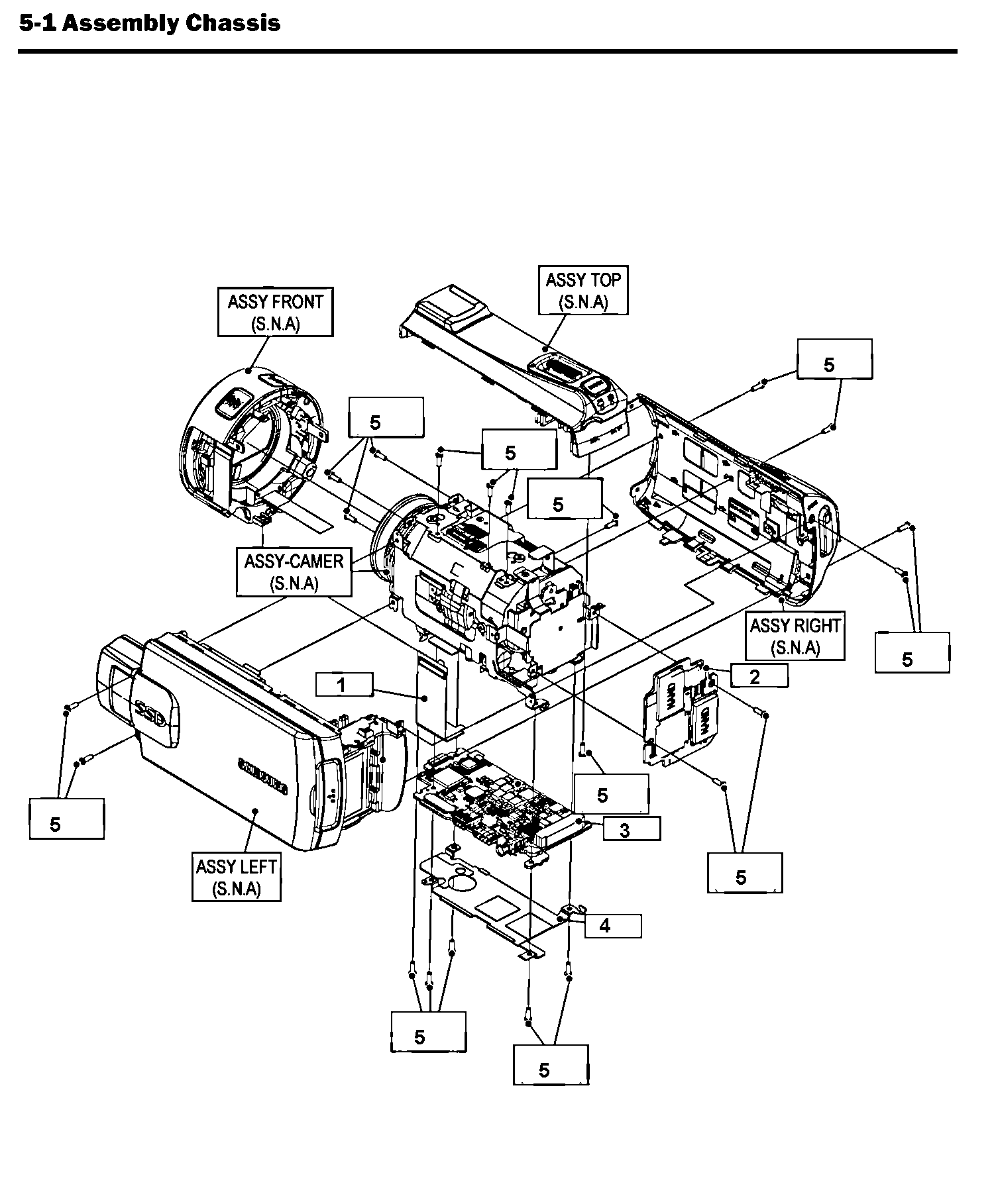
Not all parts are shown on the diagrams—those parts are labeled NI, for “not illustrated”.

We encourage you to save the model to your profile, so it’s easy to access parts and manuals for your appliance whenever you log in.

For DIY troubleshooting advice and repair guides, visit our repair help section.

Showing 10 of 116 parts

Bracket#6

Camera assy Diagram

Bracket

Part #AD61-04599A

The manufacturer no longer makes this part, and there's no substitute part

Front Case#11

Lens assy Diagram

Front case

Part #AD61-04597A

The manufacturer no longer makes this part, and there's no substitute part

Cover-fr#6

Lens assy Diagram

Cover-fr

Part #AD63-04913A

The manufacturer no longer makes this part, and there's no substitute part

Button#13

Lcd assy Diagram

Button

Part #AD64-02882A

The manufacturer no longer makes this part, and there's no substitute part

Grip Belt#2

Right assy Diagram

Grip belt

Part #AD97-18621A

The manufacturer no longer makes this part, and there's no substitute part

Screw#1

Camera assy Diagram

Screw

Part #AD61-04675A

The manufacturer no longer makes this part, and there's no substitute part

Assembly#3

Left assy Diagram

Assembly

Part #AD97-18613A

The manufacturer no longer makes this part, and there's no substitute part

Spring Etc#9

Top assy Diagram

Spring etc

Part #AD61-04758A

The manufacturer no longer makes this part, and there's no substitute part

Front Case#4

Lens assy Diagram

Front case

Part #AD61-04596A

The manufacturer no longer makes this part, and there's no substitute part

Button#4

Right assy Diagram

Button

Part #AD64-02896A

The manufacturer no longer makes this part, and there's no substitute part