LXI
Audio Equipment

Model #13291880453 Official LXI stereo receiver, cassette & turntable

Here are the diagrams and repair parts for LXI 13291880453 stereo receiver, cassette & turntable, as well as links to manuals and error code tables, if available.

There are a couple of ways to find the part or diagram you need:

  • Click a diagram to see the parts shown on that diagram.
  • In the search box below, enter all or part of the part number or the part’s name.

Not all parts are shown on the diagrams—those parts are labeled NI, for “not illustrated”.

We encourage you to save the model to your profile, so it’s easy to access parts and manuals for your appliance whenever you log in.

For DIY troubleshooting advice and repair guides, visit our repair help section.

Showing 10 of 138 parts

45 Adapter

See All Related Diagrams

45 adapter

Part #2021934-1

The manufacturer no longer makes this part, and there's no substitute part

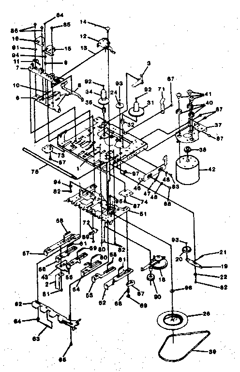
Motor#42

Cassette mechanism Diagram

Motor

Part #2016636-370

The manufacturer no longer makes this part, and there's no substitute part

Screw#82

Cassette mechanism Diagram

Screw

Part #2016636-251

The manufacturer no longer makes this part, and there's no substitute part

Lifter

See All Related Diagrams

Lifter

Part #2021934-79

The manufacturer no longer makes this part, and there's no substitute part

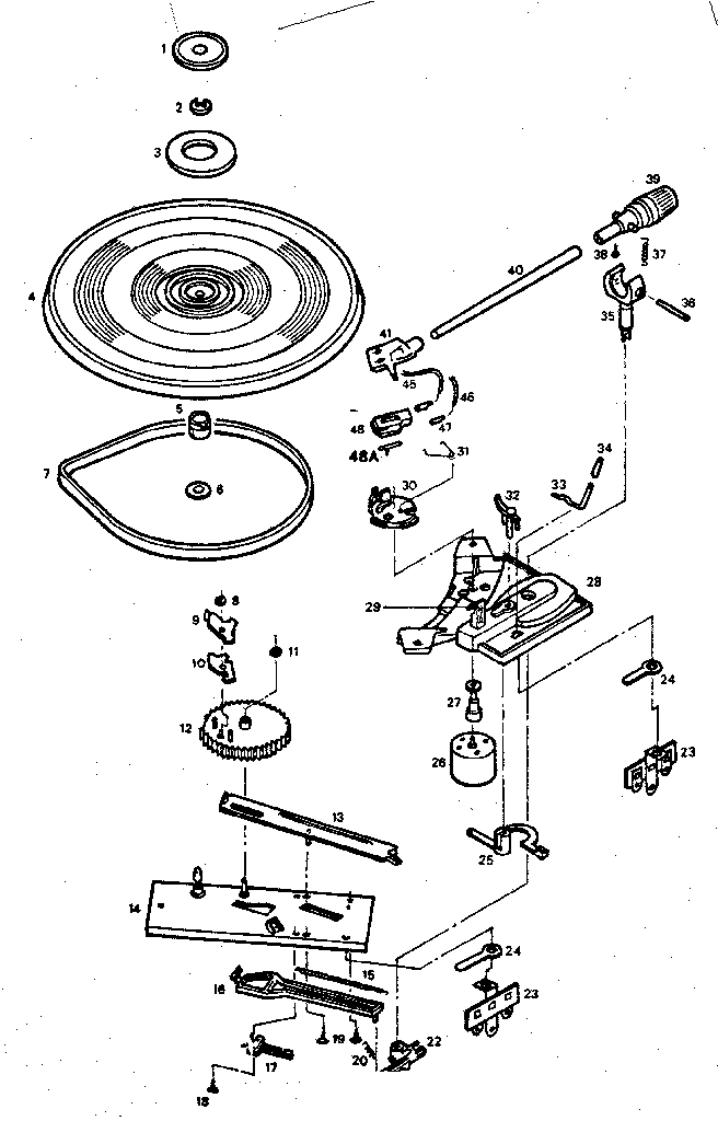
Turntable#4

Player parts Diagram

Turntable

Part #2021934-4

The manufacturer no longer makes this part, and there's no substitute part

Shaft#65

Cassette mechanism Diagram

Shaft

Part #2016636-243

The manufacturer no longer makes this part, and there's no substitute part

Screw

See All Related Diagrams

Screw

Part #2021934-77

The manufacturer no longer makes this part, and there's no substitute part

CART. STOP SPRING#71

Cassette mechanism Diagram

Cart. stop spring

Part #2016636-389

The manufacturer no longer makes this part, and there's no substitute part

E-Ring#32

Player parts Diagram

E-ring

Part #2021934-23

The manufacturer no longer makes this part, and there's no substitute part

Screw#88

Cassette mechanism Diagram

Screw

Part #2016636-255

The manufacturer no longer makes this part, and there's no substitute part