Samsung
Televisions with VCR or DVD

Model #CFTD2085AX Official Samsung tv/dvd combo

Here are the diagrams and repair parts for Samsung CFTD2085AX tv/dvd combo, as well as links to manuals and error code tables, if available.

There are a couple of ways to find the part or diagram you need:

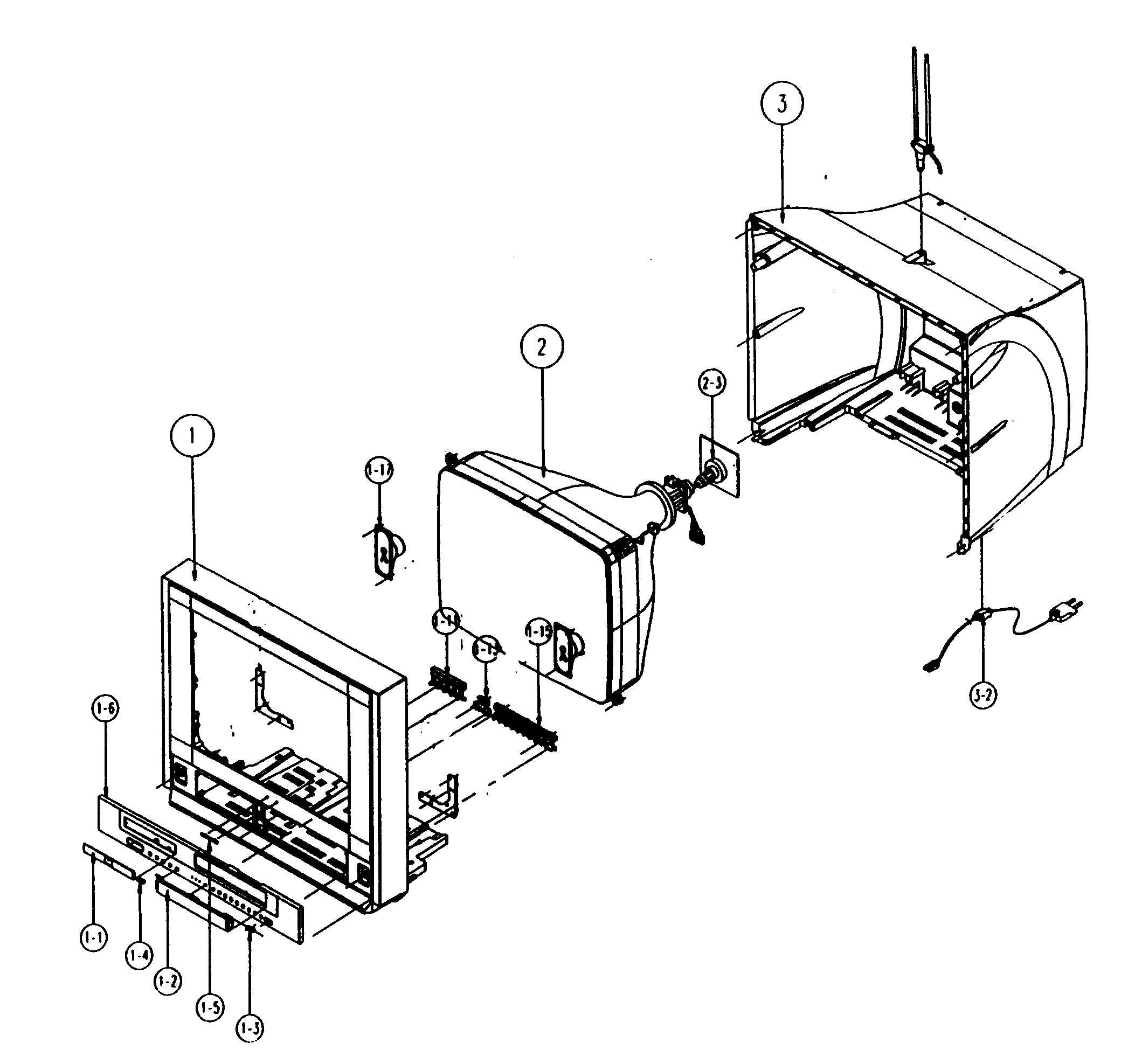
  • Click a diagram to see the parts shown on that diagram.
  • In the search box below, enter all or part of the part number or the part’s name.

Not all parts are shown on the diagrams—those parts are labeled NI, for “not illustrated”.

We encourage you to save the model to your profile, so it’s easy to access parts and manuals for your appliance whenever you log in.

For DIY troubleshooting advice and repair guides, visit our repair help section.

Owner’s manual

Showing 10 of 64 parts

Fuse, 4-amp#NI

Cabinet parts Diagram

Fuse, 4-amp

Part #3601-000281

The manufacturer no longer makes this part, and there's no substitute part

Tuner#NI

Cabinet parts Diagram

Tuner

Part #AA40-00091A

The manufacturer no longer makes this part, and there's no substitute part

Ph.coupler#NI

Cabinet parts Diagram

Ph.coupler

Part #0604-001038

The manufacturer no longer makes this part, and there's no substitute part

Fuse#NI

Cabinet parts Diagram

Fuse

Part #3601-001086

The manufacturer no longer makes this part, and there's no substitute part

Transistor#NI

Cabinet parts Diagram

Transistor

Part #0502-000298

The manufacturer no longer makes this part, and there's no substitute part

Ic 7266#NI

Cabinet parts Diagram

Ic 7266

Part #1201-001308

The manufacturer no longer makes this part, and there's no substitute part

Thermistor#NI

Cabinet parts Diagram

Thermistor

Part #1404-001045

The manufacturer no longer makes this part, and there's no substitute part

Transformer#NI

Cabinet parts Diagram

Transformer

Part #AA26-00167A

The manufacturer no longer makes this part, and there's no substitute part

Filter#NI

Cabinet parts Diagram

Filter

Part #AA29-30002N

The manufacturer no longer makes this part, and there's no substitute part

Horiz.driv#NI

Cabinet parts Diagram

Horiz.driv

Part #AA26-50001M

The manufacturer no longer makes this part, and there's no substitute part