Sony
8mm Camcorder

Model #CCD-TR614 Official Sony 8mm camcorder

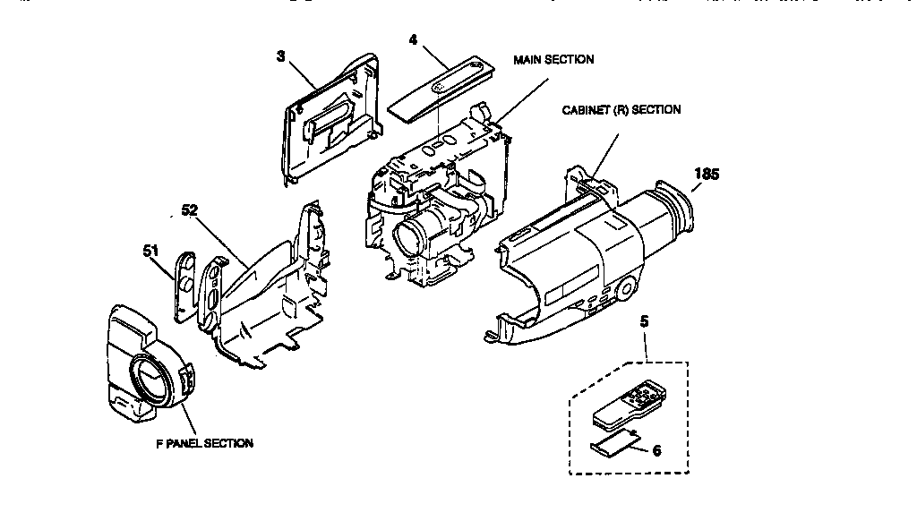
Here are the diagrams and repair parts for Sony CCD-TR614 8mm camcorder, as well as links to manuals and error code tables, if available.

There are a couple of ways to find the part or diagram you need:

  • Click a diagram to see the parts shown on that diagram.
  • In the search box below, enter all or part of the part number or the part’s name.

Not all parts are shown on the diagrams—those parts are labeled NI, for “not illustrated”.

We encourage you to save the model to your profile, so it’s easy to access parts and manuals for your appliance whenever you log in.

For DIY troubleshooting advice and repair guides, visit our repair help section.

Showing 10 of 28 parts

Service Manual

#NI

All parts Diagram

Service manual

Part #997392811

The manufacturer no longer makes this part, and there's no substitute part

Belt

#NI

All parts Diagram

Belt

Part #394796921

The manufacturer no longer makes this part, and there's no substitute part

Button,pow

#NI

All parts Diagram

Button,pow

Part #396895201

The manufacturer no longer makes this part, and there's no substitute part

Holder Battery

#NI

All parts Diagram

Holder battery

Part #155010411

The manufacturer no longer makes this part, and there's no substitute part

Supplmnt Man

#NI

All parts Diagram

Supplmnt man

Part #997385682

The manufacturer no longer makes this part, and there's no substitute part

Jack Cover#5

Cabinet parts Diagram

Jack cover

Part #396588801

The manufacturer no longer makes this part, and there's no substitute part

Owner's Manual

#NI

All parts Diagram

Owner's manual

Part #997385611

The manufacturer no longer makes this part, and there's no substitute part

Supply Manual

#NI

All parts Diagram

Supply manual

Part #997385681

The manufacturer no longer makes this part, and there's no substitute part

Motor Assembly

#NI

All parts Diagram

Motor assembly

Part #X39454011

The manufacturer no longer makes this part, and there's no substitute part

Drum Block

#NI

All parts Diagram

Drum block

Part #A7048804A

The manufacturer no longer makes this part, and there's no substitute part